Запчасти Case IH 1240 (75.110.17) - LIQUID FERTILIZER WITH TRACTOR MOUNTED TANKS ON PTO DRIVELINE OPTION (75) - SOIL PREPARATION

Схема запчастей Case IH 1240 - (75.110.17) - LIQUID FERTILIZER WITH TRACTOR MOUNTED TANKS ON PTO DRIVELINE OPTION (75) - SOIL PREPARATION
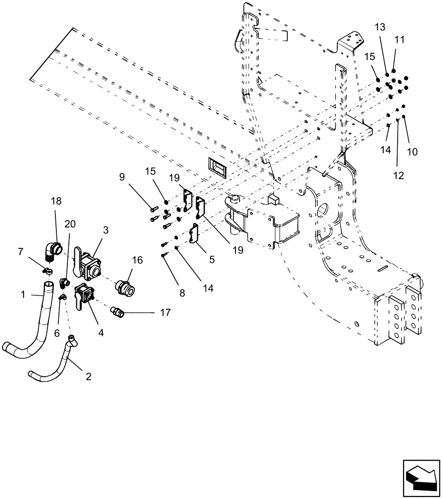
19
19
10
12
20
14
18
1
15
4
2
3
6
9
7
13
5
16
15
17
8
11
14
FIT
1:1
100%

Артикул

Название

Примечание

Количество

1

1264065C1

HOSE

pvc 1 1/2" id x 1 3/4" od x 1'

1шт.

2

86993466

HOSE,0.75" ID

Order in Multiples of 100

1шт.

3

413087A1

CHECK VALVE

ball 1 1/2" ports

1шт.

4

413088A1

VALVE,3/4" Full Port Valve

ball 3/4" fp

1шт.

5

87620254

BRACKET

ball valve

1шт.

6

9706921

HOSE CLAMP,12.7mm - 35mm

1шт.

7

513309

HOSE CLAMP,1-1/16” - 2”, Worm Gear

1шт.

8

86505867

BOLT,Hex, 1/4" - 20 x 1", Gr 5

2шт.

9

88011

BOLT,Hex, 3/8" - 16 x 1 1/4", Gr 5

4шт.

10

7770

NUT,Hex, 1/4 - 20, Cl 5

2шт.

11

9628503

NUT,3/8"-16, G5

4шт.

12

80682

LOCK WASHER,1/4"

2шт.

13

80680

LOCK WASHER,3/8 0.381 CST ZND

4шт.

14

87361

WASHER,0.28" ID x 0.62" OD x 0.07" Thk

4шт.

15

87016

WASHER,0.41" ID x 0.81" OD x 0.07" Thk

8шт.

16

86988594

ADAPTER,1-1/2" Male Adapter-1-1/2" Male Thread

1 1/2" 1 1/5" mpt

1шт.

17

86988602

COUPLING,3/4" Male Adapter-3/4" Male Thread

3/4" 3/4" mpt

1шт.

18

87419378

FITTING,1-1/2" Male Thread x 1-1/2" 90 Degree Hose Barb

1 1/2" mpt x 1 1/2" hb

1шт.

19

87419379

BRACKET

ball valve

2шт.

20

328179A1

ELBOW

fitting poly 90° 3/4" mpt 3/4" mpt

1шт.

Выбрано товаров: 20