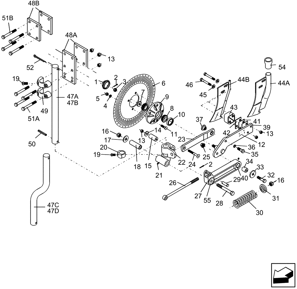
Запчасти Case IH 1240 (75.200.24) - NO-TIL COULTER WITH LINKAGE & CUSHION SPRING, LIQUID & DRY FERTILIZER (75) - SOIL PREPARATION

Схема запчастей Case IH 1240 - (75.200.24) - NO-TIL COULTER WITH LINKAGE & CUSHION SPRING, LIQUID & DRY FERTILIZER (75) - SOIL PREPARATION
21
19
18
46
24
7
51b
13
14
28
47a
44b
2
4
51a
19
43
15
6
42
23
26
8
16
16
9
17
36
55
47b
13
3
34
12
47c
47d
31
10
25
39
33
44a
48a
1
22
35
50
41
27
5
32
29
11
2
40
54
13
52
48b
45
20
37
49
30
FIT
1:1
100%

Артикул

Название

Примечание

Количество

1

1344515C1

CAP

hub

1шт.

2

87395

COTTER PIN,1/8" OD x 1-1/4" OAL

2шт.

3

86637930

SLOTTED NUT,5/8"-18, G5

1шт.

4

80679

LOCK WASHER,1/20.507 CST ZND

4шт.

5

280431

NUT,1/2"-13, G5

4шт.

6

321165A2

PLOW DISC

coulter 17 5/8", 25 wave

1шт.

7

1344527C1

WASHER

11/16" id x 1 3/4" od x 1/4" thick

1шт.

8

36726

BEARING CONE,31.75mm ID x 16.76mm W

#LM67048

2шт.

8

84356153GV

BEARING

Value

2шт.

9

1344512C1

HUB

coulter

1шт.

10

321157A1

SEAL

triple lip 2550-066

1шт.

11

280420

CARRIAGE BOLT,Sq Nk, 1/2" - 13 x 1 1/2", Gr 5, Full Thd

4шт.

12

1986496C1

DECAL

critical adjustment

1шт.

13

86992215

LOCK NUT,1/2"-13, GC

7шт.

14

252158A1

WASHER

1/2" x 1 1/2" x .134"

1шт.

15

252316A1

SLEEVE

pivot 2 19/32"

1шт.

16

86754

NUT,3/4"-10, GB

2шт.

17

86624158

WASHER,0.78" ID x 2" OD x 0.12" Thk

1шт.

18

1986486C1

SLEEVE

pivot

1шт.

19

86542828

SET SCREW,Sq Hd, 5/8"-11 x 1", Cup Pt

3шт.

20

1986495C1

COLLAR

locking, 2975

1шт.

21

87414

LUBE NIPPLE,1/4" - 28

3шт.

22

252170A1

PIVOT

casting LH

1шт.

22

252171A1

PIVOT

casting RH

1шт.

23

252164A1

ARM

upper

1шт.

24

86624114

HEX SOC SCREW,Flat Hd, CSK, 1/2" - 13 x 4"

1шт.

25

86521608

FLANGE NUT,Flg, 5/8"-11, G5

1шт.

26

252169A1

ROD

spring 13 1/2"

1шт.

27

252161A1

ARM

lower

1шт.

28

280120

BOLT,Hex, 3/4" - 10 x 6", Gr 5

1шт.

29

86624084

CLEVIS PIN,15.88mm OD x 62.48mm L

1шт.

30

252167A1

SPRING

9/16" wire x 11" long

1шт.

31

252166A1

BUSHING

spring (casting)

1шт.

32

280233

BOLT,Hex, 5/8" - 11 x 2 1/2", Gr 8

1шт.

33

A59517

WASHER,16.66mm ID x 57.15mm OD x 6.35mm Thk

large, 2 1/4" od

1шт.

34

252317A1

PIVOT

lower arm

1шт.

35

88112

BOLT,Hex, 5/8" - 18 x 1 1/2", Gr 5

1шт.

36

12034871

WASHER

5/8"

1шт.

37

252165A1

PIVOT

upper arm

1шт.

39

444287A1

ARM

knife plate/spindle RH

1шт.

39

444288A1

ARM

knife plate/spindle LH

1шт.

40

252162A1

BUSHING,31.75mm ID x 38.1mm OD x 31.75mm L

lower arm

1шт.

41

1344519C1

SHIM

knife, 16 gauge

3шт.

42

1344518C1

SHIM

knife, 1/8"

1шт.

43

252318A1

BLOCK

aluminum spacer

1шт.

44a

108120A1

KNIFE

dry fertilizer

1шт.

44b

1344517C2

KNIFE

liquid fertilizer

1шт.

45

86624187

WASHER,0.53" ID x 1.06" OD x 0.13" Thk

2шт.

46

9818286

BOLT,Hex, 1/2" - 13 x 3 1/2", Gr 8

2шт.

47a

87401667

SHANK

20" straight coulter

1шт.

47b

1344510C1

SHANK

22" straight coulter

1шт.

47c

87401668

SHANK

20" offset

1шт.

47d

118038A1

SHANK

22" offset

1шт.

48a

1986499C1

PLATE

clamp, combination

2шт.

48b

122299A1

PLATE

clamp 2 1/2" bar

2шт.

49

1344520C1

SPECIAL CLAMP

casting

2шт.

50

86624093

PIN,9.53mm OD x 63.5mm L

1шт.

51a

86000020

BOLT,Hex, 1/2" - 13 x 6", Gr 5

4шт.

51b

88576

BOLT,Hex, 1/2" - 13 x 5 1/2", Gr 5

4шт.

52

86624083

COTTER PIN,5/16" x 2 1/2"

1шт.

54

108121A1

ADAPTER

dry fertilizer hose

1шт.

55

252162A1

BUSHING,31.75mm ID x 38.1mm OD x 31.75mm L

lower arm

1шт.

Выбрано товаров: 62