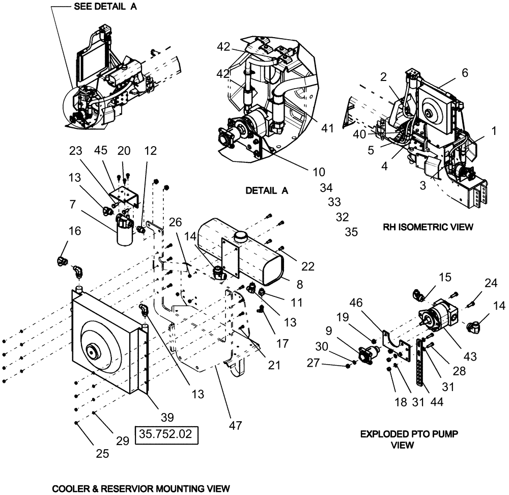
Запчасти Case IH 1240 (35.220.01) - 22 GPM PUMP (TRACTOR MOUNTED) LAYOUT (35) - HYDRAULIC SYSTEMS

Схема запчастей Case IH 1240 - (35.220.01) - 22 GPM PUMP (TRACTOR MOUNTED) LAYOUT (35) - HYDRAULIC SYSTEMS
34
29
11
44
4
24
17
40
3
46
2
31
6
7
41
27
18
12
42
32
13
20
10
42
13
15
9
35
5
35.752.02
43
45
14
16
31
47
13
22
8
28
26
1
19
33
23
14
21
25
39
30
FIT
1:1
100%

Артикул

Название

Примечание

Количество

1

426727A1

HYDRAULIC HOSE,31.5mm ID x 1880mm L, SAE 100R4

1 1/4" x 74" fl

1шт.

2

86985198

HYDRAULIC HOSE

3/4" x 57" fl

1шт.

3

87454228

HYDRAULIC HOSE,16mm ID x 11950mm L, SAE 100R17

5/8" x 470" fl

1шт.

16 row, 16/31 row and 24 row planters

1шт.

LH multivalve - supply

1шт.

3

87454625

HYDRAULIC HOSE

5/8" x 409" fl

1шт.

12 row and 12/23 row planters

1шт.

LH multivalve - supply

1шт.

4

87454229

HYDRAULIC HOSE,19mm ID x 11240mm L, SAE 100R17

3/4" x 442" fl

1шт.

16 row, 16/31 row and 24 row planters

1шт.

LH multivalve - return

1шт.

4

87454626

HYDRAULIC HOSE

3/4" x 375" fl

1шт.

12 row and 12/23 row planters

1шт.

LH multivalve - return

1шт.

5

1284300C1

HYDRAULIC HOSE

3/8" x 380" fl

1шт.

LH fan - case drain

1шт.

16 row, 16/31 row and 24 row planters

1шт.

5

1284299C1

HYDRAULIC HOSE

3/8" x 350" (8890 mm)

1шт.

12 row and 12/23 row planters

1шт.

LH fan - case drain

1шт.

6

86985197

HYDRAULIC HOSE

3/4" x 21" fl

1шт.

7

87404509

FILTER ASSY

includes head

1шт.

7

87404510

FILTER

spin on element

1шт.

8

87439695

RESERVOIR, HYDRAULIC

4.5 us gal

1шт.

8

129575A1

CAP

breather with dipstick

1шт.

Not Shown

1шт.

8

87435908

SCREEN

reservoir

1шт.

Not Shown

1шт.

9

1958268C1

COUPLING

1 3/4"

1шт.

10

87620197

BRACKET

pump storage

1шт.

11

218-5044

HYD CONNECTOR,9/16" - 18 Male JIC x 1-1/16" - 12 Male ORB

1шт.

12

322896

HYD CONNECTOR,1-1/16" - 12 ORB x 1-1/16" - 12 JIC

1шт.

13

322894

90 ELBOW,1-1/16" - 12 JIC x 1-1/16" - 12 ORB

4шт.

14

84530

ELBOW,90 Degree, 1 5/8"-12, 37 Degree x 1 5/8"-12, O-Ring

2шт.

15

218-5130

ELBOW,90 Degree Elbow, 7/8" - 14 Male JIC x 1-5/16" - 12 Male ORB

1шт.

16

218-5231

ELBOW,90 Degree, 1 1/16"-12, 37 Degree x 1 1/16"-12, 37 Degree Fem Sw

1шт.

17

86629586

90 ELBOW,9/16" - 18 JIC x 9/16" - 18 Fem Sw

1шт.

18

86637736

NUT,7/16"-14, GB

2шт.

19

86512371

SERRATED NUT,Flg, USR, 1/2"-13

4шт.

20

145913

BOLT,Hex Flg, 5/16" - 18 x 3/4", Gr 5, Full Thd

3шт.

21

9635884

BOLT,Hex, 5/16" - 18 1", Full Thd, Gr 5

8шт.

22

88206

BOLT,Hex, 3/8" - 16 x 1", Gr 5

4шт.

23

87670

BOLT,1/2" - 13 x 1-1/4", Full Thd, Gr 5

2шт.

24

87689

BOLT,1/2"-13 x 1.813" OAL, Gr 5

2шт.

25

9635082

NUT,5/16" - 18, Gr 5

8шт.

26

9628503

NUT,3/8"-16, G5

4шт.

27

425-115

NUT,5/16"-24, G5

1шт.

28

86050212

BOLT,Hex, 7/16" - 14 x 1 1/2", Gr 8

2шт.

29

80681

LOCK WASHER,5/16"

8шт.

30

80679

LOCK WASHER,1/20.507 CST ZND

1шт.

31

495-11047

WASHER,7/16", SAE

4шт.

32

80679

LOCK WASHER,1/20.507 CST ZND

2шт.

33

80700

WASHER,0.56" ID x 1.38" OD x 0.11" Thk

2шт.

34

87689

BOLT,1/2"-13 x 1.813" OAL, Gr 5

2шт.

35

280431

NUT,1/2"-13, G5

2шт.

36

87458126

HOSE

sleeve, hyd protective 1 1/2" x 18"

1шт.

37

87458127

SLEEVE

sleeve, hyd protective 1 1/2" x 44"

1шт.

38

87458128

PROTECTIVE SLEEVE,64.5mm ID x 1117.6mm L

sleeve, hyd protective 2 1/2" x 44"

1шт.

39

87618983

COOLER ASSY.

pusher

1шт.

40

529070

CABLE TIE,368.3mm L

CABLE STRAP

2шт.

41

529070

CABLE TIE,368.3mm L

CABLE STRAP

2шт.

42

529070

CABLE TIE,368.3mm L

CABLE STRAP

4шт.

43

293243A1

PUMP

PTO 5.84 in3/rev

1шт.

43

293243A1R

REMAN-HYD PUMP

Remanufactured Hydraulic PTO Pump

1шт.

43

293243A1C

CORE-HYDRAULIC PUMP

Return Number

1шт.

87619629R

REMAN-HYD PUMP

1240 (7/08-), Reman For New P/N 293243A1

1шт.

87619629C

CORE-HYDRAULIC PUMP

Return Number

1шт.

44

437631A1

BRACKET

adjusting

1шт.

45

127715A5

SUPPORT

filter assembly

1шт.

46

437630A1

PLATE

pump mounting

1шт.

47

84538669

MOUNT

22 gpm cooler/reservoir

1шт.

Выбрано товаров: 71