Запчасти Case IH 1250 (39.100.10) - MARKER - INNER - 16 ROW (39) - FRAMES AND BALLASTING

Схема запчастей Case IH 1250 - (39.100.10) - MARKER - INNER - 16 ROW (39) - FRAMES AND BALLASTING
24
26
6
11
5
27
9
12
27
14
7
11
14
19
8
35.116.03
35.116.04
10
23
27
25
11
21
13
2
22
12
18
13
11
20
29
16
17
28
3
10
30
18
4
15
1
FIT
1:1
100%

Артикул

Название

Примечание

Количество

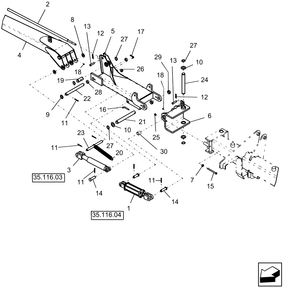
1

86991779

HYDRAULIC CYLINDER,Double Acting, 31.75mm Rod, 203.2mm Stroke

2 1/2" x 8", 3000 psi, no pins

1шт.

2

427805A1

ROD

link

1шт.

3

87430675

HYDRAULIC CYLINDER,50.8mm Rod, 204.72mm Stroke

2" x 8"

1шт.

4

427795A1

ARM

marker inside 16R

1шт.

5

87591097

FRAME

Marker, Wing

1шт.

6

87650715

FRAME

Marker, Inner RH

1шт.

Shown

1шт.

6

87650731

FRAME

Marker, Inner LH

1шт.

Not Shown

1шт.

7

496-41053

WASHER,13.49mm ID x 31.75mm OD x 5.05mm Thk

1шт.

8

86632592

WASHER,1.06" ID x 2" OD x 0.13" Thk

2шт.

9

86632583

WASHER,1.28" ID x 2" OD x 0.12" Thk

1шт.

10

495-81224

WASHER,38.89mm ID x 63.5mm OD x 3.35mm Thk

3шт.

11

88182

COTTER PIN,1/4" OD x 2" L

6шт.

12

1978738C1

HAIR PIN COTTER

11/64" x 3 51/64", Start Year: 01-MAY-10

2шт.

13

86624085

HEADED PIN,15.88mm OD x 69.85mm L

2шт.

14

86632568

HEADED PIN,1" x 3 1/2", G5

2шт.

15

280470

BOLT,Hex, 1/2" - 13 x 6", Gr 8

1шт.

16

408033A1

PIN

J lock 1/2" x 3 3/8"

1шт.

17

408034A1

PIN

J lock 3/8" x 2 3/4"

1шт.

18

87414

LUBE NIPPLE,1/4" - 28

2шт.

19

406319A1

TRUNNION

marker

1шт.

20

1277583C1

COIL SPRING

marker assist

1шт.

21

87668711

PIN

38.1 x 301.7 mm ul

1шт.

22

406321A1

PIVOT PIN

outer arm

1шт.

23

441257A1

PIN,25.4mm OD x 265mm L

outer marker

1шт.

24

87659641

PIN

38.1 x 299 mm ul

1шт.

25

86992215

LOCK NUT,1/2"-13, GC

1шт.

26

232-14412

NUT,3/4"-10, GB

1шт.

27

86632531

SNAP RING,#150, Ext

5шт.

28

1268053C1

BUSHING,38.1mm ID x 44.45mm OD x 19.05mm L

tension 1 1/2" x 1 1/4" x 3/4" lg

2шт.

29

1268054C1

BUSHING,38.18mm ID x 45.47mm OD x 19.05mm L

tension 1 3/4" x 1 1/2" x 3/4" lg

2шт.

30

86523224

BUSHING,25.58mm ID x 32.77mm OD x 26.16mm L

tension 1 1/4" x 1" x 1" long

1шт.

Выбрано товаров: 33