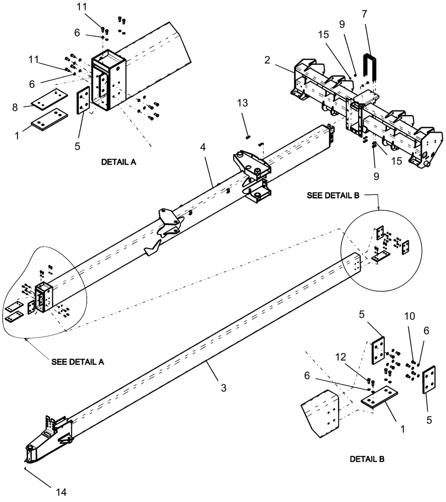
Запчасти Case IH 1250 (39.110.01) - FRAME - CENTER SECTION AND HITCH - 24 ROW (39) - FRAMES AND BALLASTING

Схема запчастей Case IH 1250 - (39.110.01) - FRAME - CENTER SECTION AND HITCH - 24 ROW (39) - FRAMES AND BALLASTING
6
15
11
5
5
10
6
9
1
1
9
2
12
4
8
5
7
3
14
15
6
6
13
11
FIT
1:1
100%

Артикул

Название

Примечание

Количество

1

87504521

SKID/SHOE

assembly 5 1/2" x 12 1/2" pad

2шт.

2

87668558

FRAME

center section, with decal

1шт.

3

87600250

HITCH

inner 24 row with decals

1шт.

4

87600252

HITCH

outer 24 row with decals

1шт.

5

87504522

SKID/SHOE

assembly 5 1/2" x 9" pad

4шт.

6

87016230

WASHER

17/32" x 7/8" x .071"

24шт.

7

87503060

U-BOLT

us 3/4"-10 x 8.1 wide x 17.75 deep

2шт.

8

87540703

PLATE

anti-skid support

2шт.

9

86518194

NUT,3/4"-10, G8

16шт.

10

87909

BOLT,Hex, 1/2" - 13 x 1", Gr 5

8шт.

11

87670

BOLT,1/2" - 13 x 1-1/4", Full Thd, Gr 5

12шт.

12

413-822

BOLT,Hex, 1/2" - 13 x 1-3/8", Gr 5

4шт.

13

426-1236

BOLT,Hex, 3/4" - 10 x 2-1/4", Gr 8

12шт.

14

87414

LUBE NIPPLE,1/4" - 28

2шт.

15

87340

LOCK WASHER,Helical Spring, 0.759" ID, CST, ZND

16шт.

Выбрано товаров: 15