Качественные детали и логистика
Оригинальные и аналоговые запчасти с доставкой по России, Казахстану и Беларуси
©2022 PartSell ООО "Система" ИНН 2463123282 ОГРН 1212400004838
Центральный офис: г. Красноярск, Академика Киренского, д.87, пом.4
Телефон: 8 (800) 777-65-74 Email: zakaz@partsell.ru
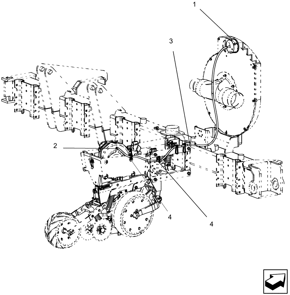
(39.110.12) - FRAME - VACUUM SYSTEM, ANALOG VACUUM GAUGE
№
Артикул
Название
Примечание
Количество
1
238599A2
VACUUM GAUGE
Attaching Hardware NSS
1шт.
2
86624128
FITTING,1/4" Hose x 1/8" NPTF, Barbed
3
238600A3
HOSE,6.35 mm ID x 1730.00 mm
4
87557084
CABLE TIE,14"
CABLE STRAP 14" with stainless locking clip
4шт.
Выбрано товаров: 0