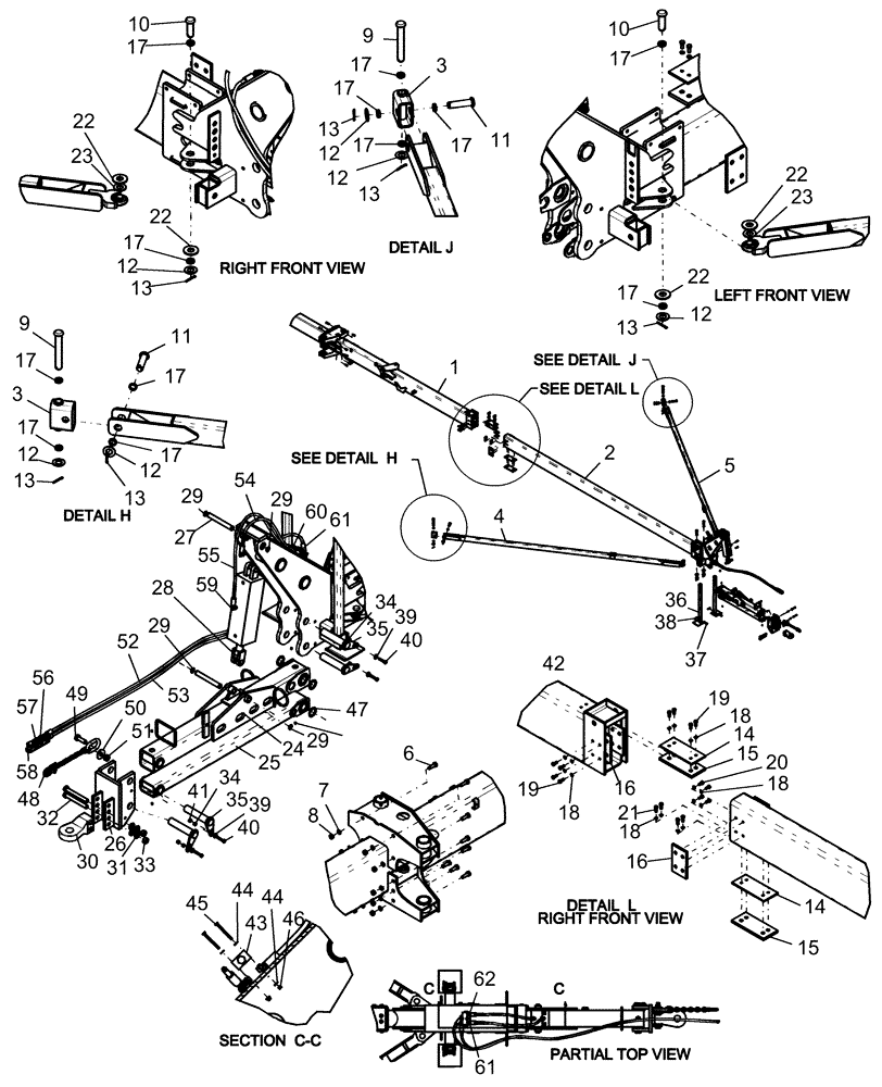
Запчасти Case IH 1250 (39.110.15) - DRAWBAR HITCH AND DRAFT TUBES - 24 ROW (39) - FRAMES AND BALLASTING

Схема запчастей Case IH 1250 - (39.110.15) - DRAWBAR HITCH AND DRAFT TUBES - 24 ROW (39) - FRAMES AND BALLASTING
18
28
62
29
21
12
18
11
46
13
36
17
10
35
11
12
17
52
13
2
51
17
30
53
15
39
60
17
41
38
16
25
17
14
23
37
19
17
32
49
18
1
55
40
13
17
33
40
59
19
9
34
44
13
61
50
5
44
12
12
12
18
54
6
22
26
29
34
12
17
10
45
17
14
9
22
42
24
31
3
15
22
35
17
29
56
23
17
48
16
7
17
20
4
22
3
58
29
13
13
39
27
57
43
47
8
61
FIT
1:1
100%

Артикул

Название

Примечание

Количество

1

87540672

HITCH

outer 24 row

1шт.

2

87484784

HITCH

drawbar, with decals

1шт.

3

87614089

KNUCKLE JOINT

tube assembly

2шт.

4

87659533

TUBE

RH draft, with decal

1шт.

5

87659534

TUBE

LH draft, with decal

1шт.

6

920783

BOLT

12шт.

7

87340

LOCK WASHER,Helical Spring, 0.759" ID, CST, ZND

16шт.

8

86518194

NUT,3/4"-10, G8

16шт.

9

87575683

HEADED PIN

1 1/4" x 8 3/4"

2шт.

10

87575682

HEADED PIN

1 1/4" x 3 3/4"

2шт.

11

87575681

HEADED PIN

1 1/4" x 4 3/4"

2шт.

12

87023158

WASHER,1.31" ID x 2.5" OD x 0.15" Thk

6шт.

13

88182

COTTER PIN,1/4" OD x 2" L

6шт.

14

87540703

PLATE

anti-skid support

2шт.

15

87504521

SKID/SHOE

assembly 5 1/2" x 12 1/2" pad

2шт.

16

87504522

SKID/SHOE

assembly 5 1/2" x 9" pad

4шт.

17

87504524

BUSHING

tension 38.1 mm x 31.75 mm x 12.75 mm long

12шт.

18

87016230

WASHER

17/32" x 7/8" x .071"

24шт.

19

87670

BOLT,1/2" - 13 x 1-1/4", Full Thd, Gr 5

12шт.

20

87909

BOLT,Hex, 1/2" - 13 x 1", Gr 5

8шт.

21

413-822

BOLT,Hex, 1/2" - 13 x 1-3/8", Gr 5

4шт.

22

87613261

WASHER,1.28" ID x 3" OD x 0.25" Thk

1.281 x 3 x 0.25

4шт.

23

8034

WASHER

32.26 ID 63.5 OD 4.78 YZD

2шт.

24

87713028

TUBE

hitch, upper

1шт.

25

87713029

TUBE,1524.4 mm L

hitch, lower

1шт.

26

87713030

BRACKET

hitch clevis

1шт.

27

87694433

PIN

cylinder 31.75 mm x 254 mm

2шт.

28

87403328

HYDRAULIC CYLINDER,Double Acting, 50.8mm Rod, 1206.5mm Stroke

5" x 16"

1шт.

29

100-16125

SNAP RING,#125, Ext

4шт.

30

427981A1

TOW BAR

hitch

1шт.

31

87036175

WASHER,1.06" ID x 2" OD x 0.22" Thk

4шт.

32

87020629

BOLT,Hex, 1" - 8 x 8 1/2", Gr 8

2шт.

33

86511609

NUT,1"-8, G8

2шт.

34

87695199

SPACER

flag pin

4шт.

35

87695200

HITCH PIN

front drawbar

4шт.

36

87723853

STAND

2шт.

37

87403990

HEADED PIN

1" x 4 1/4"

2шт.

38

1978738C1

HAIR PIN COTTER

2шт.

39

84158486

WASHER,0.53" ID x 1.25" OD x 0.19" Thk

0.531 x 1.25 x 0.188 HTS ZND

4шт.

40

20987

BOLT,Hex, 1/2" - 13 x 2 1/2", Gr 8

4шт.

41

84233543

NUT

1/2

4шт.

42

80714

LUBE NIPPLE,1/4"-28 NPT x .54" lg

4шт.

43

298624A1

VALVE

double piloted check

1шт.

44

87361

WASHER,0.28" ID x 0.62" OD x 0.07" Thk

4шт.

45

2485

BOLT,Hex, 1/4" - 20 x 3", Gr 5

2шт.

46

87034810

NUT,1/4"-20, GA

2шт.

47

86625259

WASHER,2.06" ID x 3" OD x 0.11" Thk

4шт.

48

6853

CHAIN (AG)

safety, 40,400 lb

1шт.

49

86539260

BOLT,Hex, 1" - 8 x 3", Gr 8

1шт.

50

84156180

WASHER,1.03" ID x 3" OD x 0.24" Thk

1шт.

51

86511609

NUT,1"-8, G8

1шт.

52

139519C2

HYDRAULIC HOSE

3/8" x 135" fl

1шт.

53

139519C2

HYDRAULIC HOSE

3/8" x 135" fl

1шт.

54

1285380C2

HYDRAULIC HOSE

3/8" x 50" (1270 mm) fl

1шт.

55

95778C1

HYDRAULIC HOSE,9.65 mm ID x 1778.00 mm, SAE 100 R1

1шт.

56

525646

HYD CONNECTOR,7/8" - 14 ORB x 9/16" - 18 JIC

2шт.

57

1272399C2

QUICK MALE COUPLING

self sealing, 7/8" NF

2шт.

58

333720A1

CAP

Female, Quick Coupler, Black

2шт.

59

76347

ELBOW,90 Degree, 9/16" - 18 JIC x 3/4" - 16 ORB

3шт.

59

84313

ELBOW,45 Degree, 9/16"-18, 37 Degree x 3/4"-16, O-Ring

1шт.

60

128817

HYD CONNECTOR,3/4" - 16 ORB x 9/16" - 18 JIC

1шт.

61

93206C1

FITTING

orifice, one-way 1.32 mm diameter

1шт.

62

128825

O-RING,0.087" Thk x 0.644" ID, -908, Cl 6, 90 Duro

1шт.

63

87483306

HARNESS

lighting extension

1шт.

64

87446386

HARNESS

extension AFS 10' 2"

1шт.

65

87503060

U-BOLT

3/4 x 17.75 (Not Shown)

2шт.

Выбрано товаров: 66