Запчасти Case IH 1250 (55.100.04) - ELECTRICAL - HARNESS, FRAME 87391709 AND 87673692 - 24 ROW (55) - ELECTRICAL SYSTEMS

Схема запчастей Case IH 1250 - (55.100.04) - ELECTRICAL - HARNESS, FRAME 87391709 AND 87673692 - 24 ROW (55) - ELECTRICAL SYSTEMS
4
2
5
7
3
4
4
2
2
8
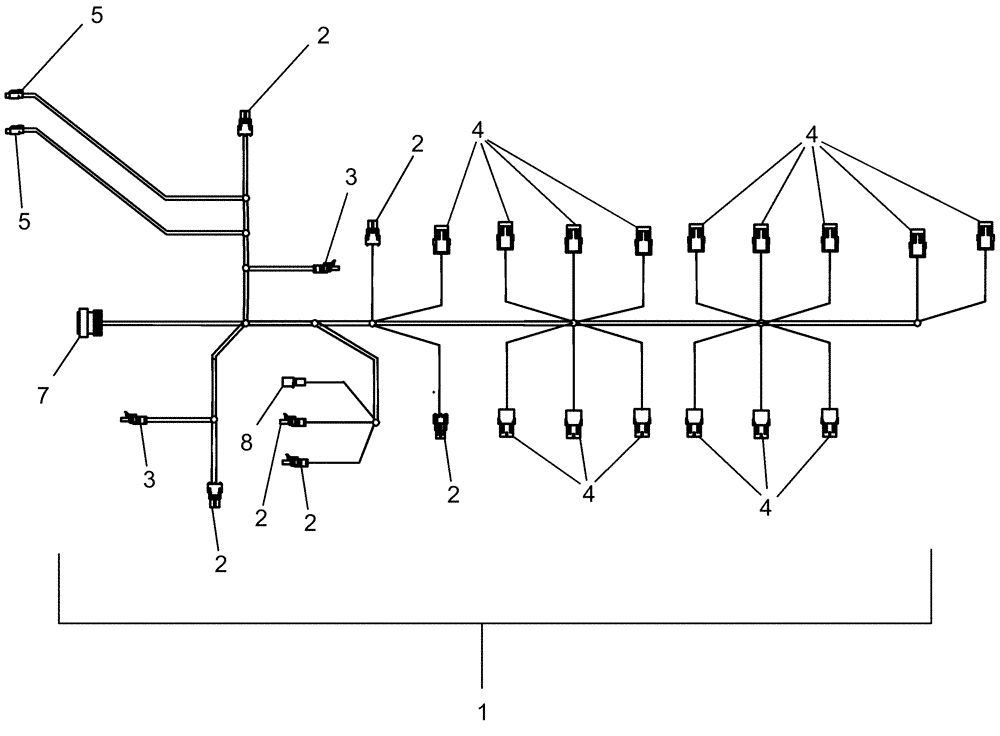
1
3
2
4
2
5
2
FIT
1:1
100%

Артикул

Название

Примечание

Количество

1

87391709

HARNESS

frame, Serial Range: -Y7S007045

1шт.

1

87673692

HARNESS

frame, FFT Planter, Start Serial: Y8S007001

1шт.

2

87692855

CONTACT HOUSING,Male, 2 Cavities

plastic 2c plug

5шт.

3

87644909

WIRE CONNECTOR,Female, 3 Pins

plastic 3c plug

2шт.

4

87692877

MULTIPOLE CONNECTOR,Male, 2 Cavities

plastic 2c receptacle

15шт.

5

87696551

CONTACT HOUSING,Female, 3 Pole

cab plastic plug 3c

2шт.

7

396604A1

MULTIPOLE CONNECTOR

ITT Cannon Meptune 12-19 pin reversed plug

1шт.

8

1160576C1

ELEC CONNECTOR,Male, 2 Pin

2 contact

1шт.

Выбрано товаров: 8