Запчасти Case IH 1250 (35.138.17) - HYDRAULICS - VALVE ASSEMBLY, FERTILIZER 419865A1 (35) - HYDRAULIC SYSTEMS

Схема запчастей Case IH 1250 - (35.138.17) - HYDRAULICS - VALVE ASSEMBLY, FERTILIZER 419865A1 (35) - HYDRAULIC SYSTEMS
9
6
8
9
1
2
5
9
4
11
9
9
8
8
4
10
4
9
4
4
8
3
8
7
8
9
8
8
8
4
8
FIT
1:1
100%

Артикул

Название

Примечание

Количество

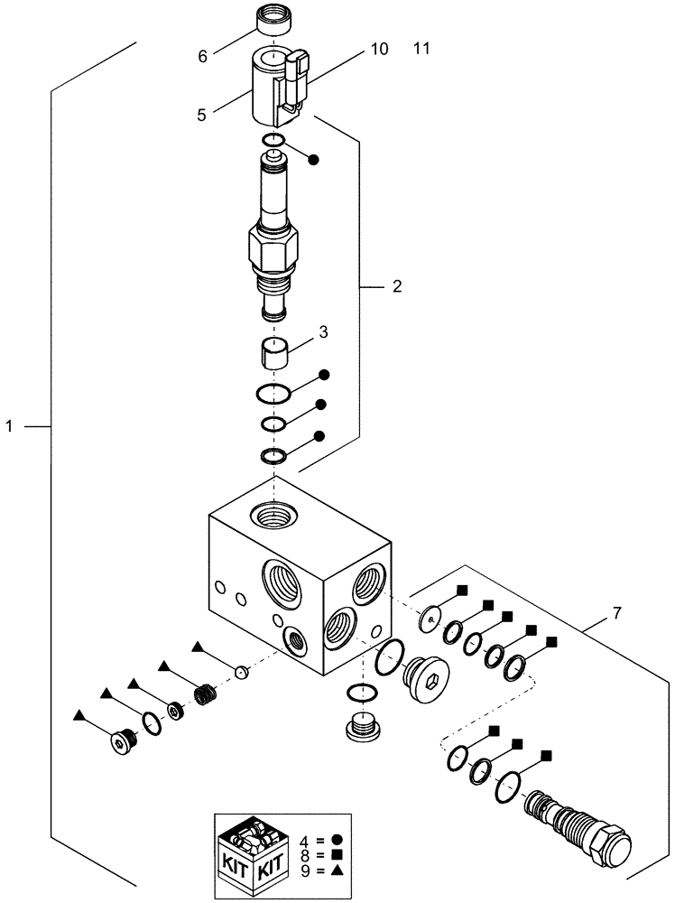
1

419865A1

CONTROL VALVE

assembly flow variable rate

1шт.

2

254969A2

HYDRAULIC VALVE

flow control cartridge

1шт.

3

1285892C1

FILTER SCREEN

1шт.

4

304494A1

SEAL KIT

seal, flow control valve

1шт.

5

188105A1

SOLENOID

coil

1шт.

6

440028A1

NUT

coil retaining

1шт.

7

278200A1

VALVE

assembly, compensator

1шт.

8

S301087

SEAL KIT

differential pressure compensator

1шт.

9

1341811C1

SPRING-CHECK

REPAIR KIT sense check

1шт.

10

225315C1

ELEC CONNECTOR,Male, 2 Pin

Cab Plastic Receptacle 2C

1шт.

11

225318C1

ELEC CONNECTOR,2 Pin

W2P

1шт.

Выбрано товаров: 11