Запчасти Case IH 1250 (35.220.08) - HYDRAULIC SYSTEM - 22 GPM PTO PUMP - 24 ROW, MODEL YEAR 2013 (35) - HYDRAULIC SYSTEMS

Схема запчастей Case IH 1250 - (35.220.08) - HYDRAULIC SYSTEM - 22 GPM PTO PUMP - 24 ROW, MODEL YEAR 2013 (35) - HYDRAULIC SYSTEMS
19
16
22
7
33
23
10
35.752.03
14
32
11
36
6
28
13
11
24
35
4
38
11
15
29
55.100.15
1
35
20
35
5
28
29
9
14
21
31
6
11
40
35
27
4
37
17
12
39
24
17
8
30
15
26
2
3
25
34
18
FIT
1:1
100%

Артикул

Название

Примечание

Количество

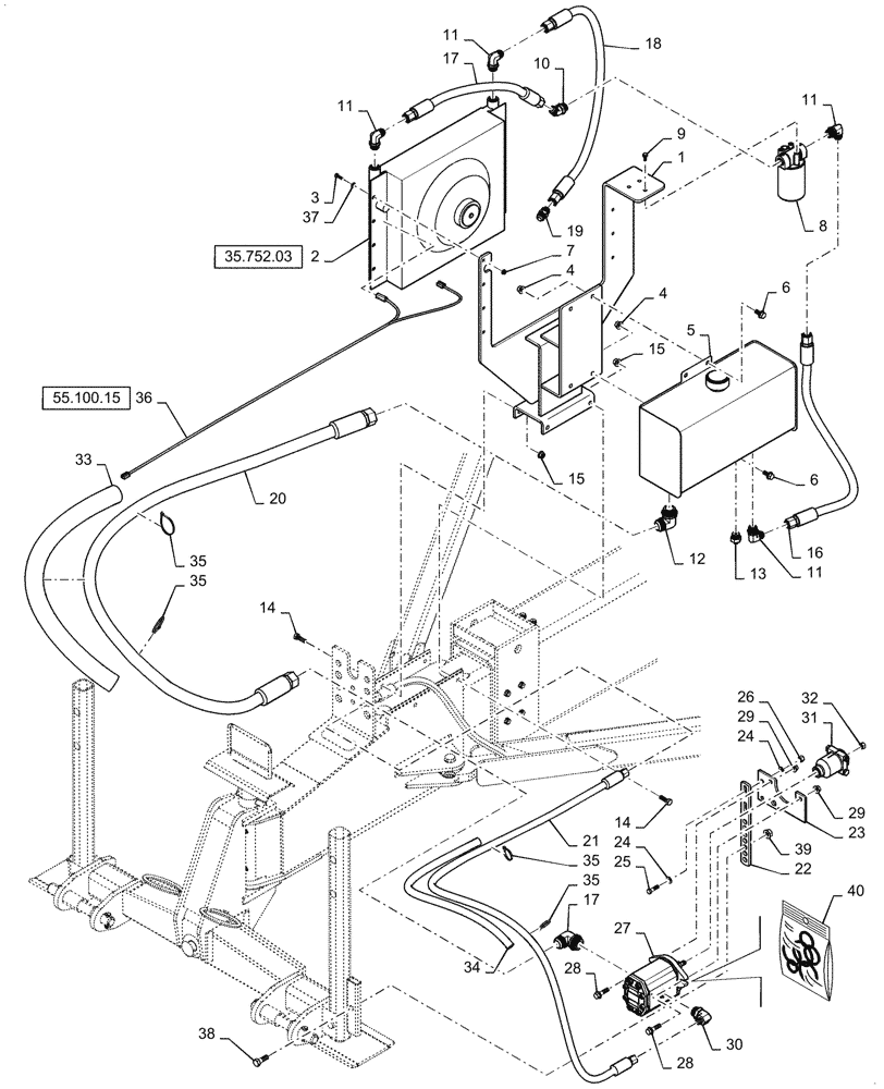
1

84538173

MOUNT

Cooler And Tank

1шт.

2

87618983

COOLER ASSY.

6 Row

1шт.

3

9635884

BOLT,Hex, 5/16" - 18 1", Full Thd, Gr 5

8шт.

4

86521605

FLANGE NUT,5/16"-18, Cl 5

8шт.

5

84526682

TANK

6.5 Gallons

1шт.

6

86533474

FLANGE BOLT,Hex, 1/2" - 13 x 1", Gr 5

4шт.

7

86521610

FLANGE NUT,Flg, 1/2"-13

4шт.

8

87404509

FILTER ASSY

Fan Drive

1шт.

9

145913

BOLT,Hex Flg, 5/16" - 18 x 3/4", Gr 5, Full Thd

3шт.

10

330344

45 ELBOW,1-1/16" - 12 JIC x 1-1/16" - 12 ORB

1шт.

11

322894

90 ELBOW,1-1/16" - 12 JIC x 1-1/16" - 12 ORB

4шт.

12

84530

ELBOW,90 Degree, 1 5/8"-12, 37 Degree x 1 5/8"-12, O-Ring

2шт.

13

86624009

HYD CONNECTOR,9/16"-18, 37 Degree x 1 1/16"-12, O-Ring

1шт.

14

87689

BOLT,1/2"-13 x 1.813" OAL, Gr 5

4шт.

15

86521607

FLANGE NUT,Flg, 1/2"-13, G5

4шт.

16

87590330

HYDRAULIC HOSE

19 x 1000mm FL, Fan Drive Filter To Tank

1шт.

17

87578858

HYDRAULIC HOSE

19 x 600mm FL, Cooler To Fan Drive Filter

1шт.

18

87590326

HYDRAULIC HOSE

19 x 915mm FL, Cooler

1шт.

19

144121

UNION,1-1/16" - 12 JIC x 1-1/16" - 12 JIC

1шт.

20

87580858

HYDRAULIC HOSE,31.5mm ID x 3050mm L, SAE 100R4

31.5 x 3050mm FL, Tank To PTO Drive Pump

1шт.

21

87580895

HYDRAULIC HOSE,16mm ID x 2720mm L, SAE 100R17

16 x 2720mm FL, PTO Drive Pump

1шт.

22

437631A1

BRACKET

Adjusting

1шт.

23

437630A1

PLATE

Pump Mounting

1шт.

24

87363

WASHER,0.47" ID x 0.92" OD x 0.07" Thk

4шт.

25

86050212

BOLT,Hex, 7/16" - 14 x 1 1/2", Gr 8

2шт.

26

86637736

NUT,7/16"-14, GB

2шт.

27

87619629

PUMP

PTO Drive

1шт.

27

87619629R

REMAN-HYD PUMP

1250 (1/07-)

1шт.

27

87619629C

CORE-HYDRAULIC PUMP

Return Number

1шт.

28

86521616

BOLT,Hex, 1/2" - 13 x 1 3/4", Gr 5

2шт.

29

86512371

SERRATED NUT,Flg, USR, 1/2"-13

2шт.

30

87024324

ELBOW,90 Degree, 7/8"-14, 37 Degree x 1 5/16"-12, O-Ring

1шт.

31

1958268C1

COUPLING

1-3/4" Clamp Type

1шт.

32

280963

NUT,Nut, 1/2-20 GR 5 ZND

1шт.

33

87458128

PROTECTIVE SLEEVE,64.5mm ID x 1117.6mm L

Protective Sleeve

1шт.

34

87458127

SLEEVE

Protective Sleeve

1шт.

35

291207C1

CLAMP

Cable Tie

8шт.

36

355955A1

HARNESS

Cyclo Cooling

1шт.

37

83918746

WASHER,0.34" ID x 0.69" OD x 0.07" Thk

8шт.

38

9627896

BOLT,Hex, 5/8" - 11 x 1 3/4", Gr 5

1шт.

39

86521608

FLANGE NUT,Flg, 5/8"-11, G5

1шт.

40

84391735

KIT

Service Seal Kit for Ref. 27

1шт.

Выбрано товаров: 42