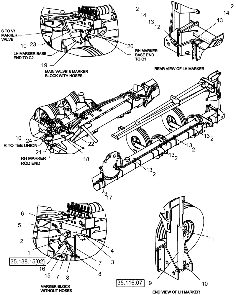
Запчасти Case IH 1250 (35.739.01) - HYDRAULICS - HOSE ROUTING - MARKER (LH SHOWN) - 24 ROW (35) - HYDRAULIC SYSTEMS

Схема запчастей Case IH 1250 - (35.739.01) - HYDRAULICS - HOSE ROUTING - MARKER (LH SHOWN) - 24 ROW (35) - HYDRAULIC SYSTEMS
16
24
20
8
13
22
12
10
2
11
18
10
9
5
13
7
2
23
10
2
21
13
8
3
2
14
7
2
2
15
4
1
6
13
14
17
2
13
13
35.116.07
13
19
FIT
1:1
100%

Артикул

Название

Примечание

Количество

1

87463248

VALVE

assembly, marker

1шт.

2

88546

BOLT,Hex, 3/8" - 16 x 2 1/4", Gr 5

2шт.

3

80680

LOCK WASHER,3/8 0.381 CST ZND

No Longer Used

2шт.

4

247780

SERRATED NUT,Flg, USR, 3/8"-16

6шт.

5

128819

HYD CONNECTOR,7/8" - 14 ORB x 3/4" - 16 JIC

1шт.

6

248974

90 ELBOW,3/4" - 16 JIC x 3/4" - 16 Fem Sw

1шт.

7

76350

HYD CONNECTOR,9/16" - 18 ORB x 9/16" - 18 JIC

2шт.

8

86629586

90 ELBOW,9/16" - 18 JIC x 9/16" - 18 Fem Sw

2шт.

9

87505950

HYDRAULIC CYLINDER,Double Acting, 44.45mm Rod, 669.93mm Stroke

3 1/2" x 26 3/8", marker

1шт.

10

128817

HYD CONNECTOR,3/4" - 16 ORB x 9/16" - 18 JIC

3шт.

11

382996A1

ORIFICE

fitting, one-way

2шт.

12

87551295

ANGLE

hyd hose routing

1шт.

13

427781A1

HOSE CLAMP

2 hose

7шт.

14

247780

SERRATED NUT,Flg, USR, 3/8"-16

2шт.

15

1547188C1

SWITCH

pressive inv

1шт.

16

237-8006

O-RING,0.078" Thk x 0.468" ID, -906, Cl 8, 90 Duro

1шт.

17

280161

BOLT,Hex, 3/8" - 16 x 3", Gr 5

1шт.

18

76355

TEE,9/16" - 18 JIC x 9/16" - 18 JIC x 9/16" - 18 JIC

1шт.

19

87590182

HYDRAULIC HOSE,10mm ID x 11700mm L, SAE 100R17

10 mm x 11700 mm fl

1шт.

20

87590182

HYDRAULIC HOSE,10mm ID x 11700mm L, SAE 100R17

10 mm x 11700 mm fl

1шт.

21

87590184

HOSE

10 mm id x 12040 mm

1шт.

22

87590184

HOSE

10 mm id x 12040 mm

1шт.

23

390649R92

HYDRAULIC HOSE

1/2" x 19" fl

1шт.

24

1251872C2

HYDRAULIC HOSE

3/8" x 23" fl, 3/8" fjic x 3/8" fjic

1шт.

Выбрано товаров: 24