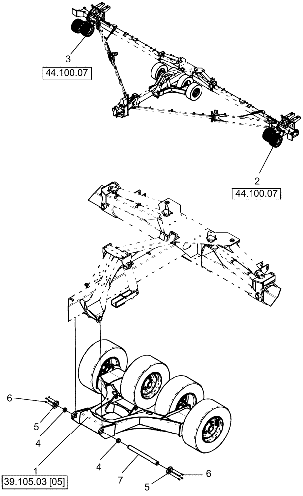
Запчасти Case IH 1260 (39.105.03[02]) - FRAME - CARRIER, WITH STANDARD 8B HUB-TIRE 20" (39) - FRAMES AND BALLASTING

Схема запчастей Case IH 1260 - (39.105.03[02]) - FRAME - CARRIER, WITH STANDARD 8B HUB-TIRE 20" (39) - FRAMES AND BALLASTING
6
7
5
6
44.100.07
44.100.07
1
5
4
4
2
3
FIT
1:1
100%

Артикул

Название

Примечание

Количество

1

NSS

NOT SOLD SEPARAT

CARRIER, W/HF 10B HUB TIRE

1шт.

See Figure 39.105.03 [05]

1шт.

2

NSS

NOT SOLD SEPARAT

PACKAGE, HIGH FLOAT WING WHEEL

1шт.

See Figure 44.100.07

1шт.

3

NSS

NOT SOLD SEPARAT

PACKAGE, HIGH FLOAT WING WHEEL

1шт.

See Figure 44.100.07

1шт.

4

87419948

BUSHING,76.2mm ID x 82.55mm OD x 31.75mm L

tension 3 1/4" x 3" x 1 1/4" lg

2шт.

5

84229920

SUPPORT

Carrier Pin

2шт.

6

87909

BOLT,Hex, 1/2" - 13 x 1", Gr 5

8шт.

7

84174254

PIVOT PIN

Main, 76.2 mm x 890 mm

1шт.

Выбрано товаров: 10