Запчасти Case IH 1260 (44.100.02) - AXLE AND WHEELS - HIGH FLOAT WING WHEELS 30" (44) - WHEELS

Схема запчастей Case IH 1260 - (44.100.02) - AXLE AND WHEELS - HIGH FLOAT WING WHEELS 30" (44) - WHEELS
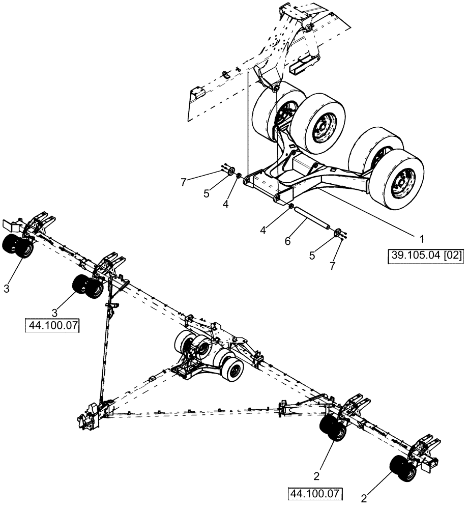
1
6
3
2
4
5
7
5
7
4
44.100.07
44.100.07
2
3
FIT
1:1
100%

Артикул

Название

Примечание

Количество

1

NSS

NOT SOLD SEPARAT

CARRIER w/ high float 10 bolt hub and tire 30"

1шт.

See Figure 39.105.04 [02]

1шт.

2

NSS

NOT SOLD SEPARAT

WHEEL ASSY 18l - 16.1 sl on 6 bolt

4шт.

See Figure 44.100.07

1шт.

3

NSS

NOT SOLD SEPARAT

WHEEL ASSY 18l - 16.1 sl on 6 bolt

4шт.

See Figure 44.100.07

1шт.

4

87419948

BUSHING,76.2mm ID x 82.55mm OD x 31.75mm L

tension 3 1/4" x 3" x 1 1/4" lg

2шт.

5

84229920

SUPPORT

Carrier Pin

2шт.

6

84174254

PIVOT PIN

Main, 76.2 mm x 890 mm

1шт.

7

87909

BOLT,Hex, 1/2" - 13 x 1", Gr 5

8шт.

Выбрано товаров: 10