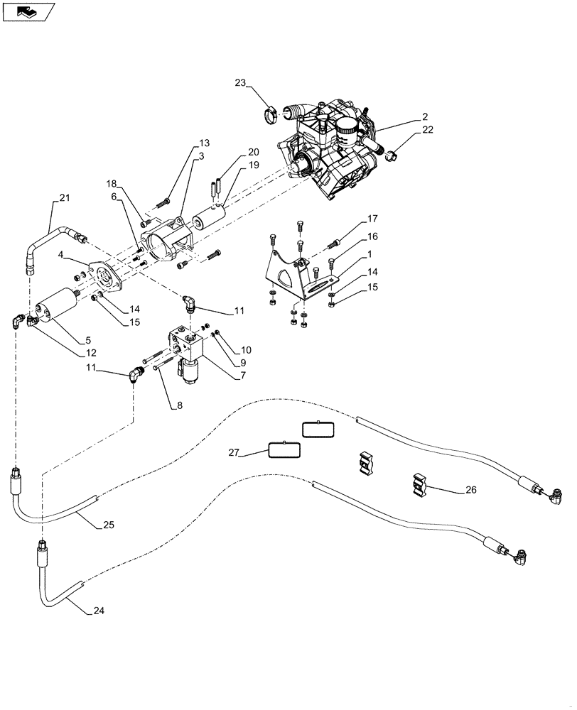
Запчасти Case IH 1260 (75.110.02[01]) - LIQUID FERTILIZER - PUMP WITH 600 GAL TANK (75) - SOIL PREPARATION

Схема запчастей Case IH 1260 - (75.110.02[01]) - LIQUID FERTILIZER - PUMP WITH 600 GAL TANK (75) - SOIL PREPARATION
11
21
17
4
5
26
12
14
14
19
8
16
7
9
22
11
3
home
1
25
18
13
24
10
20
27
2
23
6
15
15
FIT
1:1
100%

Артикул

Название

Примечание

Количество

1

408358A1

BASE

mount pump kit

1шт.

2

87504661

PUMP

30 gpm diaphragm

1шт.

3

86990284

FLANGE

motor mounting

1шт.

4

400300A1

FLANGE

mounting znd

1шт.

5

284797A1

MOTOR

19.8 cm³ (1.21 in³) disp fert drive

1шт.

5

284797A1R

REMAN-HYD MOTOR

1260 FRONT FOLD TRAILING PLANTER EARLY RISER® SERIES, 19.8 cm³ (1.21 in³) disp fert drive, PUMP WITH 600 GAL TANK (1/10-)

1шт.

5

284797A1C

CORE-MOTOR HYDRAULIC

Return Number

1шт.

6

87659

HEX SOC SCREW,FLAT, 1/4" - 28 x 3/4"

3шт.

7

419865A1

CONTROL VALVE

assembly flow variable rate

1шт.

8

280566

BOLT,Hex, 1/4" - 20 x 2 3/4", Gr 5

2шт.

9

80682

LOCK WASHER,1/4"

2шт.

10

7770

NUT,Hex, 1/4 - 20, Cl 5

2шт.

11

87329788

90 ELBOW,90 Degree, 9/16"-18, 37 Degree x 3/4"-16, O-Ring

4шт.

12

76344

90 ELBOW,9/16" - 18 JIC x 9/16" - 18 ORB

2шт.

13

88044

BOLT,Hex, 3/8" - 16 x 1-1/2", Gr 5

2шт.

14

80680

LOCK WASHER,3/8 0.381 CST ZND

2шт.

15

9628503

NUT,3/8"-16, G5

2шт.

15

247780

SERRATED NUT,Flg, USR, 3/8"-16

4шт.

16

88206

BOLT,Hex, 3/8" - 16 x 1", Gr 5

4шт.

17

9832986

HEX SOC SCREW,M10 x 30mm, Cl 8.8

Hex Soc Hd, M10 x 30, 8.8

1шт.

18

86632600

HEX SOC SCREW,M10 x 20mm, Cl 8.8

2шт.

19

400299A2

COUPLING

, Serial Range: pump-motor

1шт.

20

13916870

ROLL PIN,M10 x 45, Coiled

2шт.

21

1336840C1

HYDRAULIC HOSE

3/8" x 25" fl

1шт.

22

9706921

HOSE CLAMP,12.7mm - 35mm

1шт.

23

513309

HOSE CLAMP,1-1/16” - 2”, Worm Gear

1шт.

24

84159796

HYDRAULIC HOSE

10 mm x 13260 mm fl

1шт.

36R30

1шт.

24

84195147

HYDRAULIC HOSE

10 mm x 12900 mm fl

1шт.

32R30

1шт.

24

135411A1

HYDRAULIC HOSE

3/8" x 410" fl

1шт.

36R22

1шт.

24

87536727

HYDRAULIC HOSE

10 x 11100 mm fl

1шт.

36R20

1шт.

25

84159796

HYDRAULIC HOSE

10 mm x 13260 mm fl

1шт.

36R30

1шт.

25

84195147

HYDRAULIC HOSE

10 mm x 12900 mm fl

1шт.

32R30

1шт.

25

135411A1

HYDRAULIC HOSE

3/8" x 410" fl

1шт.

36R22

1шт.

25

87536727

HYDRAULIC HOSE

10 x 11100 mm fl

1шт.

36R20

1шт.

26

87482623

CLAMP

agriculture large

2шт.

27

87502038

CABLE TIE

CABLE STRAP

2шт.

Выбрано товаров: 44