Запчасти Case IH 1260 (80.150.07[02]) - BULK FILL - HOSES OUTER RT 30", MODEL YEAR 2011 (80) - CROP STORAGE/UNLOADING

Схема запчастей Case IH 1260 - (80.150.07[02]) - BULK FILL - HOSES OUTER RT 30", MODEL YEAR 2011 (80) - CROP STORAGE/UNLOADING
2
4
11
3
5
8
6
12
7
14
6
9
home
12
10
6
13
8
1
FIT
1:1
100%

Артикул

Название

Примечание

Количество

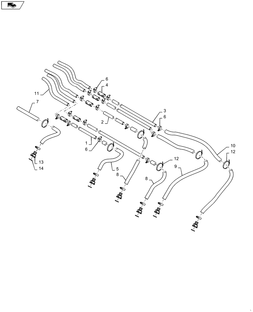
1

87476276

PIPE

Bulk Fill Seed, 1" x 540 mm

1шт.

2

87476275

PIPE

Bulk Fill Seed, 1" x 900 mm

1шт.

3

87476273

PIPE

Bulk Fill Seed, 1" x 1820 mm

3шт.

4

87482203

ADAPTER

Seed Hose 1.25" OD

5шт.

5

87483977

HOSE

1.25" x 100', Bulk, PVC Black, Cut To 710 mm

1шт.

6

513309

HOSE CLAMP,1-1/16” - 2”, Worm Gear

21шт.

7

87483977

HOSE

1.25" x 100', Bulk, PVC Black, Cut To 1320 mm

1шт.

8

87483977

HOSE

1.25" x 100', Bulk, PVC Black, Cut To 660 mm

2шт.

9

87483977

HOSE

1.25" x 100', Bulk, PVC Black, Cut To 1960 mm

1шт.

10

87483977

HOSE

1.25" x 100', Bulk, PVC Black, Cut To 2390 mm

1шт.

11

87483976

HOSE

1" x 100', Bulk, PVC Black, Cut To 1400 mm

5шт.

12

87502038

CABLE TIE

CABLE STRAP Small

5шт.

13

84329267

COUPLING

1.25" Seed Hose

6шт.

14

84372879

O-RING

Mini Hopper

6шт.

Выбрано товаров: 14