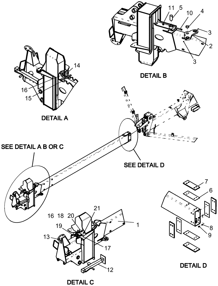
Запчасти Case IH 1260 (39.100.02[01]) - FRAME - INNER HITCH 60 (39) - FRAMES AND BALLASTING

Схема запчастей Case IH 1260 - (39.100.02[01]) - FRAME - INNER HITCH 60 (39) - FRAMES AND BALLASTING
6
15
11
21
1
10
3
16
8
14
5
12
17
19
18
4
16
20
9
13
2
3
7
FIT
1:1
100%

Артикул

Название

Примечание

Количество

1

84166856

FRAME

inner hitch 60'

1шт.

2

84129316

PLATE

draft tube rocker

1шт.

3

80714

LUBE NIPPLE,1/4"-28 NPT x .54" lg

2шт.

4

87686078

BUSHING

composite 2 1/4" x 2" x 1" long

1шт.

5

87486152

PIN

50.8 x 75 ul crm

1шт.

6

87757688

WEAR PAD

strip shim

4шт.

7

87757689

SLIDING PAD

skid assembly

4шт.

8

87016230

WASHER

17/32" x 7/8" x .071"

16шт.

9

9627879

BOLT,Hex, 1/2" - 13 x 3/4", Gr 5, Full Thd

16шт.

10

88729

BOLT,Hex, 5/8" - 11 x 5", Gr 5

1шт.

11

86639566

NUT,5/8"-11, GB

1шт.

12

385338A1

JACK

assembly 7000 lb sidewind 5" stroke

1шт.

13

86523224

BUSHING,25.58mm ID x 32.77mm OD x 26.16mm L

tension 1 1/4" x 1" x 1" long

1шт.

14

84126824

CLAMP BRACKET

hose plate

1шт.

15

9707580

BOLT,Hex, 1/4" - 20 x 3/4", Gr 5, Full Thd

2шт.

16

87034810

NUT,1/4"-20, GA

4шт.

17

298624A1

VALVE

double piloted check

1шт.

18

87845

BOLT,Hex, 1/4" - 20 x 2 1/2", Gr 5

2шт.

19

128817

HYD CONNECTOR,3/4" - 16 ORB x 9/16" - 18 JIC

2шт.

20

87361

WASHER,0.28" ID x 0.62" OD x 0.07" Thk

4шт.

21

87329788

90 ELBOW,90 Degree, 9/16"-18, 37 Degree x 3/4"-16, O-Ring

2шт.

Выбрано товаров: 0