Запчасти Case IH 1260 (39.100.05) - FRAME - INNER WING (39) - FRAMES AND BALLASTING

Схема запчастей Case IH 1260 - (39.100.05) - FRAME - INNER WING (39) - FRAMES AND BALLASTING
5
4
8
8
9
6
6
6
2
11
39.100.27
1
6
3
10
7
2
FIT
1:1
100%

Артикул

Название

Примечание

Количество

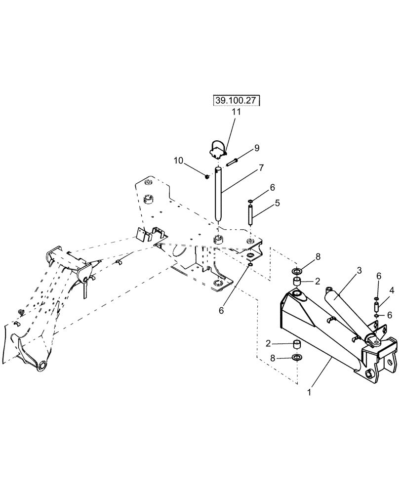
1

84204839

PACKAGE

assembly, inner wing LH

1шт.

1

84204847

PACKAGE

assembly, inner wing RH

1шт.

Not Shown

1шт.

2

87503180

BUSHING

polylube 3" x 3 1/2" x 3"

2шт.

3

87753020

HYDRAULIC CYLINDER,Double Acting, 63.5mm Rod, 582.93mm Stroke

6" x 22.95", 2 1/2" rod

1шт.

4

87728806

PIN

44.45 mm x 115 mm ul

1шт.

5

87480615

PIN

44.45 mm x 300 mm ul

1шт.

6

86625149

SNAP RING,#175, Ext

4шт.

7

87479022

PIVOT PIN

wing, 76.2 mm x 830 mm, chrome

1шт.

8

84178289

WEAR PLATE

2шт.

9

50204

BOLT,Hex, 1" - 8 x 6", Gr 5

1шт.

10

87304132

NUT,1"-8, GC

1шт.

11

NSS

NOT SOLD SEPARAT

1шт.

See Figure 39.100.27

1шт.

Выбрано товаров: 14