Качественные детали и логистика
Оригинальные и аналоговые запчасти с доставкой по России, Казахстану и Беларуси
©2022 PartSell ООО "Система" ИНН 2463123282 ОГРН 1212400004838
Центральный офис: г. Красноярск, Академика Киренского, д.87, пом.4
Телефон: 8 (800) 777-65-74 Email: zakaz@partsell.ru
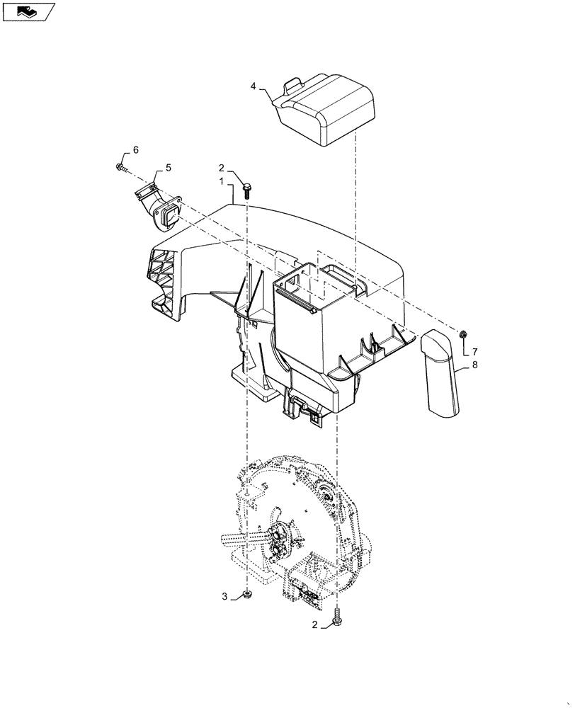
(79.100.AC[09]) - MINI HOPPER BULK FILL
№
Артикул
Название
Примечание
Количество
1
47428728
HOPPER
Mini Bulk Fill
1шт.
2
86512168
BOLT,Hex Serr Flg, 5/16" - 18 x 1"
2шт.
3
145458
SERRATED NUT,5/16"-18 GR 5 ZND
4
84605573
LID
Mini Hopper
5
84315775
QUICK MALE COUPLING
Elbow
6
86521550
BOLT,Hex, 1/4" - 20 x 3/4", Gr 5
3шт.
7
523282
SERRATED NUT,Flg, USR, 1/4"-20
8
84339808
ELBOW
Seed Deceleration
Выбрано товаров: 0