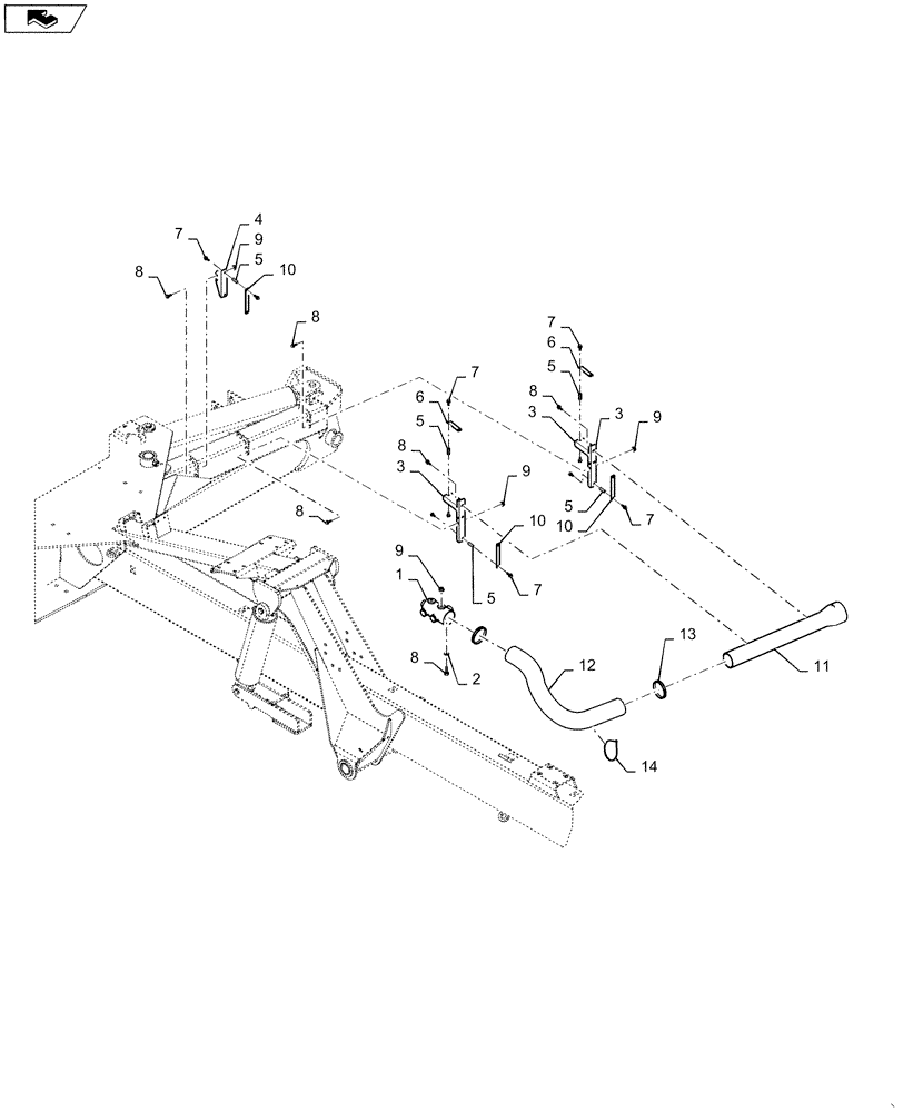
Запчасти Case IH 1265 (79.103.AA[01]) - VACUUM DELIVERY LEFT AND RIGHT CENTER (79) - PLANTING

Схема запчастей Case IH 1265 - (79.103.AA[01]) - VACUUM DELIVERY LEFT AND RIGHT CENTER (79) - PLANTING
8
5
8
3
10
9
9
5
11
7
7
7
7
14
6
13
7
5
5
2
home
8
10
5
4
9
8
8
6
3
3
9
8
10
12
1
FIT
1:1
100%

Артикул

Название

Примечание

Количество

1

84491512

CHUTE

Vacuum

1шт.

2

86625243

WASHER,0.44" ID x 1.38" OD x 0.08" Thk

2шт.

3

84323344

SUPPORT

Hose Routing

2шт.

4

84323383

SUPPORT

Hose Routing

1шт.

5

84378633

NUT

1/4 X 1.75

10шт.

6

84378744

SUPPORT

Hose Clamp

2шт.

7

86521550

BOLT,Hex, 1/4" - 20 x 3/4", Gr 5

20шт.

8

86521613

BOLT,Hex, 3/8" - 16 x 1", Gr 5

10шт.

9

86521606

FLANGE NUT,Hex, 3/8" - 16, Gr 5

8шт.

10

84378742

SUPPORT

Hose Clamp

3шт.

11

84496910

TUBE

Vacuum

1шт.

12

409368A1

HOSE

Flex 4.5 Inch X 1120mm

1шт.

13

9706924

HOSE CLAMP,103.1mm - 127mm

2шт.

14

87502038

CABLE TIE

Small

1шт.

Выбрано товаров: 14