Запчасти Case IH 1265 (79.904.AA[13]) - BULK FILL HOSE RIGHT OUTER FOR 36/30, 36/30 (79) - PLANTING

Схема запчастей Case IH 1265 - (79.904.AA[13]) - BULK FILL HOSE RIGHT OUTER FOR 36/30, 36/30 (79) - PLANTING
5
1
home
3
2
4
6
1
FIT
1:1
100%

Артикул

Название

Примечание

Количество

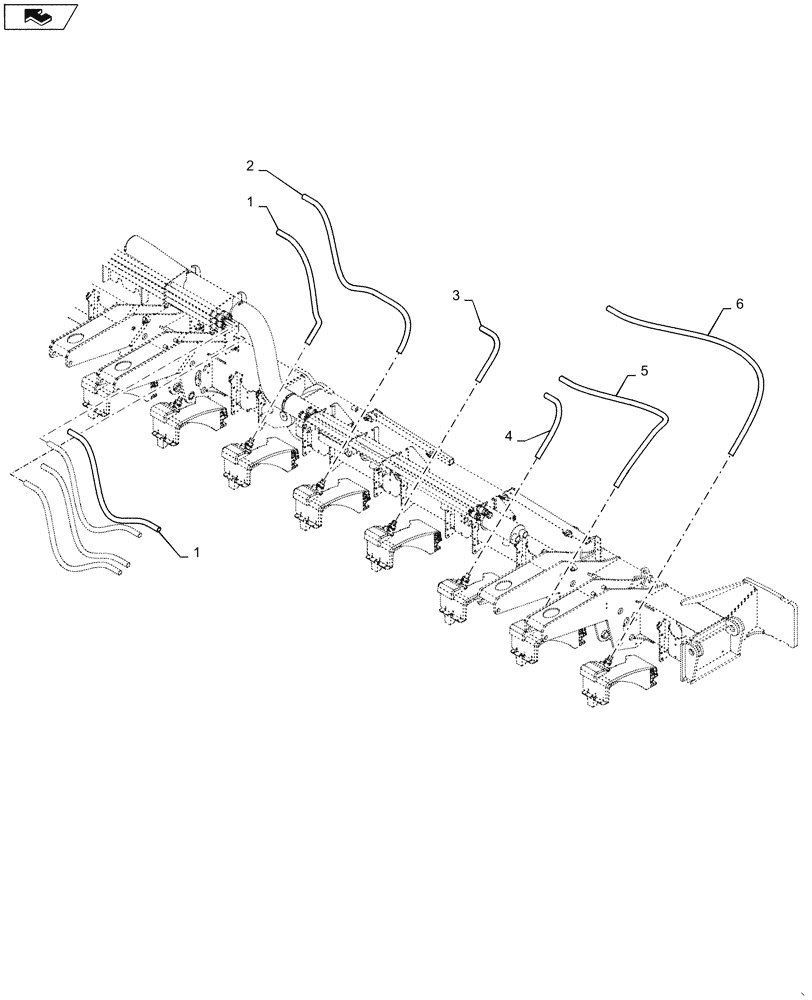
1

87483977

HOSE

Bulk Fill PVC 1.25 Inch ID Cut To Length 1400mm

5шт.

2

87483977

HOSE

Bulk Fill PVC 1.25 Inch ID Cut To Length 2170mm

1шт.

3

87483977

HOSE

Bulk Fill PVC 1.25 Inch ID Cut To Length 660mm

1шт.

4

87483977

HOSE

Bulk Fill PVC 1.25 Inch ID Cut To Length 550mm

1шт.

5

87483977

HOSE

Bulk Fill PVC 1.25 Inch ID Cut To Length 1800mm

1шт.

6

87483977

HOSE

Bulk Fill PVC 1.25 Inch ID Cut To Length 2390mm

1шт.

Выбрано товаров: 6