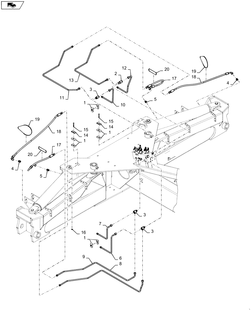
Запчасти Case IH 1265 (35.944.AI[09]) - HYDRAULICS FOLD CENTER (35) - HYDRAULIC SYSTEMS

Схема запчастей Case IH 1265 - (35.944.AI[09]) - HYDRAULICS FOLD CENTER (35) - HYDRAULIC SYSTEMS
17
1
1
6
3
10
18
16
19
20
4
17
1
14
8
9
3
5
14
7
2
4
3
11
1
15
15
20
5
12
home
18
13
19
FIT
1:1
100%

Артикул

Название

Примечание

Количество

1

87000149

CLAMP

Tube 12.7 X 12.7

4шт.

2

86624132

TEE,13/16" - 16 JIC x 13/16" - 16 ORFS x 13/16" - 16 ORFS

1шт.

3

84533155

RUN TEE,13/16" - 16 ORFS x 13/16" - 16 ORFS x 3/4" - 16 ORB

3шт.

4

9992305

HYD CONNECTOR,13/16" - 16 ORFS x 3/4" - 16 ORB

2шт.

5

84536883

FITTING

3/4

2шт.

6

84532926

HYD TUBE

Valve Right Hand Front

1шт.

7

84532927

HYD TUBE

Port Right Hand Port Cylinder

1шт.

8

84532928

HYD TUBE

Valve Right Hand Fold Cylinder

1шт.

9

84532929

HYD TUBE

Right Hand Fold

1шт.

10

84532924

HYD TUBE

Left Hand Cylinder Piston Port

1шт.

11

84532923

HYD TUBE

Valve Left Hand Cylinder Port

1шт.

12

84532925

HYD TUBE

Valve Left Hand Draft Piston Port

1шт.

13

84532908

HYD TUBE

Valve Left Hand Draft Piston Port

1шт.

14

87000230

PLATE

Hose Clamp

2шт.

15

88346

BOLT,Hex, 5/16" - 18 x 2 1/2", Gr 5

2шт.

16

145458

SERRATED NUT,5/16"-18 GR 5 ZND

1шт.

17

84536476

HYDRAULIC HOSE

10mm ID X 840mm

1шт.

18

84536475

HYDRAULIC HOSE

10mm ID X 1270mm

1шт.

19

87502040

CABLE TIE

Small

2шт.

20

87502038

CABLE TIE

Small

2шт.

Выбрано товаров: 20