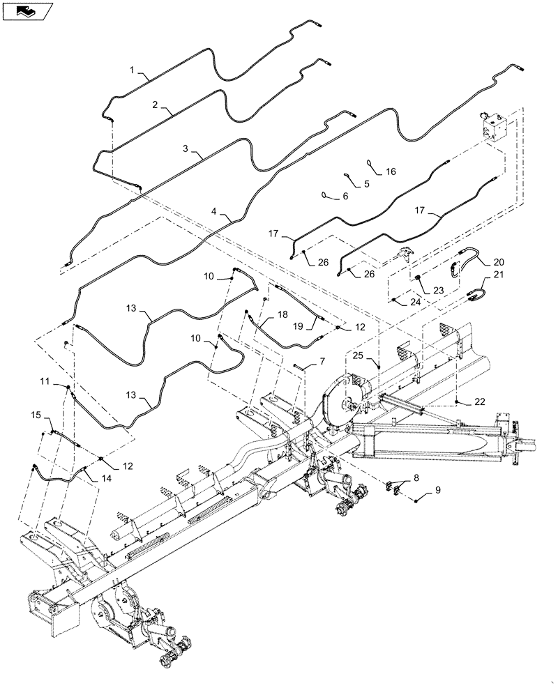
Запчасти Case IH 1265 (35.944.AI[13]) - HYDRAULIC HOSES AND FITTINGS RIGHT FOR 36/30 (35) - HYDRAULIC SYSTEMS

Схема запчастей Case IH 1265 - (35.944.AI[13]) - HYDRAULIC HOSES AND FITTINGS RIGHT FOR 36/30 (35) - HYDRAULIC SYSTEMS
14
9
home
17
12
18
5
7
10
25
20
19
1
15
8
6
17
26
13
3
26
23
11
24
16
2
4
21
13
10
22
12
FIT
1:1
100%

Артикул

Название

Примечание

Количество

1

84539641

HYDRAULIC HOSE

10mm ID X 7590mm

1шт.

2

84539643

HYDRAULIC HOSE

10mm ID X 8290mm

1шт.

3

84539639

HYDRAULIC HOSE

12.5mm ID X 8840mm

1шт.

4

84539649

HYDRAULIC HOSE

12.5 mm ID X 13350mm

1шт.

5

87502038

CABLE TIE

Small

1шт.

6

87502040

CABLE TIE

Large

1шт.

7

84198532

CARRIAGE BOLT

.375 X 3.50

2шт.

8

87482623

CLAMP

Large

4шт.

9

86521606

FLANGE NUT,Hex, 3/8" - 16, Gr 5

2шт.

10

9992305

HYD CONNECTOR,13/16" - 16 ORFS x 3/4" - 16 ORB

4шт.

11

9992307

90 ELBOW,90 Degree, 13/16"-16 x 3/4"-16 Adj, ORFS

4шт.

12

84545648

UNION TEE

2шт.

13

84539646

HYDRAULIC HOSE

12.5 mm ID X 6500mm

1шт.

14

84539651

HYDRAULIC HOSE

12.5mm ID X 1145mm

1шт.

15

84539653

HYDRAULIC HOSE

12.5 mm ID X 533mm

1шт.

16

87502039

CABLE TIE

Medium

1шт.

17

84539644

HYDRAULIC HOSE

10mm ID X 4445mm

2шт.

18

84539655

HYDRAULIC HOSE

12.5mm ID X 1397mm

1шт.

19

84539656

HYDRAULIC HOSE

12.5mm ID X 1145mm

1шт.

20

84605615

HYDRAULIC HOSE

19mm ID X 1610mm

1шт.

21

84605614

HYDRAULIC HOSE

12.5mm ID X 1350mm

1шт.

22

84536883

FITTING

3/4 - 1/2

1шт.

23

9840535

HYD CONNECTOR,1-3/16" - 12 ORFS x 1-1/16" - 12 ORB

1шт.

24

87610720

HYD CONNECTOR,7/8" - 14 ORB x 13/16" - 16 ORFS

1/2 - 5/8

1шт.

25

87672176

HYD CONNECTOR

3/8 - 1/2

1шт.

26

9993143

HYD CONNECTOR,11/16" - 16 ORFS x 9/16" - 18 ORB

4шт.

Выбрано товаров: 26