Запчасти Case IH 1265 (35.944.AI[17]) - HYDRAULIC HOSES AND FITTINGS RIGHT FOR 36/20 (35) - HYDRAULIC SYSTEMS

Схема запчастей Case IH 1265 - (35.944.AI[17]) - HYDRAULIC HOSES AND FITTINGS RIGHT FOR 36/20 (35) - HYDRAULIC SYSTEMS
2
4
9
home
12
5
14
13
5
7
5
10
5
8
6
11
1
3
9
5
FIT
1:1
100%

Артикул

Название

Примечание

Количество

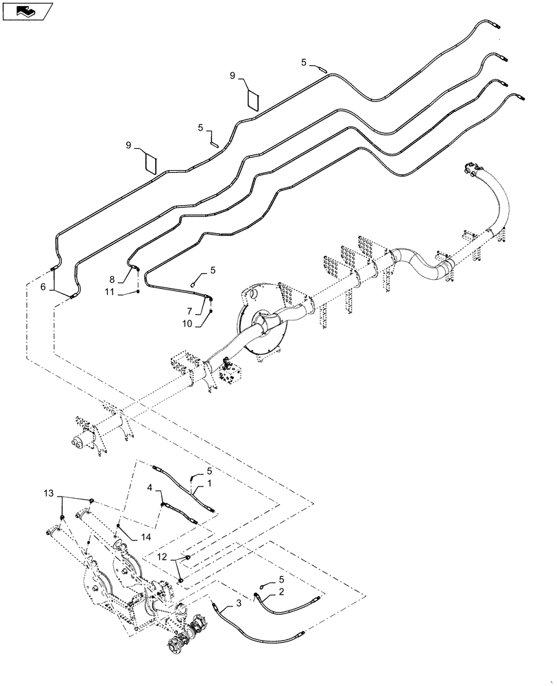
1

84539656

HYDRAULIC HOSE

12.5mm ID X 1145mm

1шт.

2

84539651

HYDRAULIC HOSE

12.5mm ID X 1145mm

1шт.

3

84539655

HYDRAULIC HOSE

12.5mm ID X 1397mm

1шт.

4

84539653

HYDRAULIC HOSE

12.5mm ID X 533mm

1шт.

5

87502038

CABLE TIE

Small

1шт.

6

84564656

HYDRAULIC HOSE

12.5mm ID X 8900mm

2шт.

7

84564657

HYDRAULIC HOSE

10mm ID X 8130mm

1шт.

8

84549285

HYDRAULIC HOSE

10mm ID X 7240mm

1шт.

9

87502040

CABLE TIE

Large

3шт.

10

84536883

FITTING

3/4 - 1/2

1шт.

11

87672176

HYD CONNECTOR

3/8 - 1/2

1шт.

12

84545648

UNION TEE

1/2

2шт.

13

9992307

90 ELBOW,90 Degree, 13/16"-16 x 3/4"-16 Adj, ORFS

2шт.

14

9992305

HYD CONNECTOR,13/16" - 16 ORFS x 3/4" - 16 ORB

2шт.

Выбрано товаров: 14