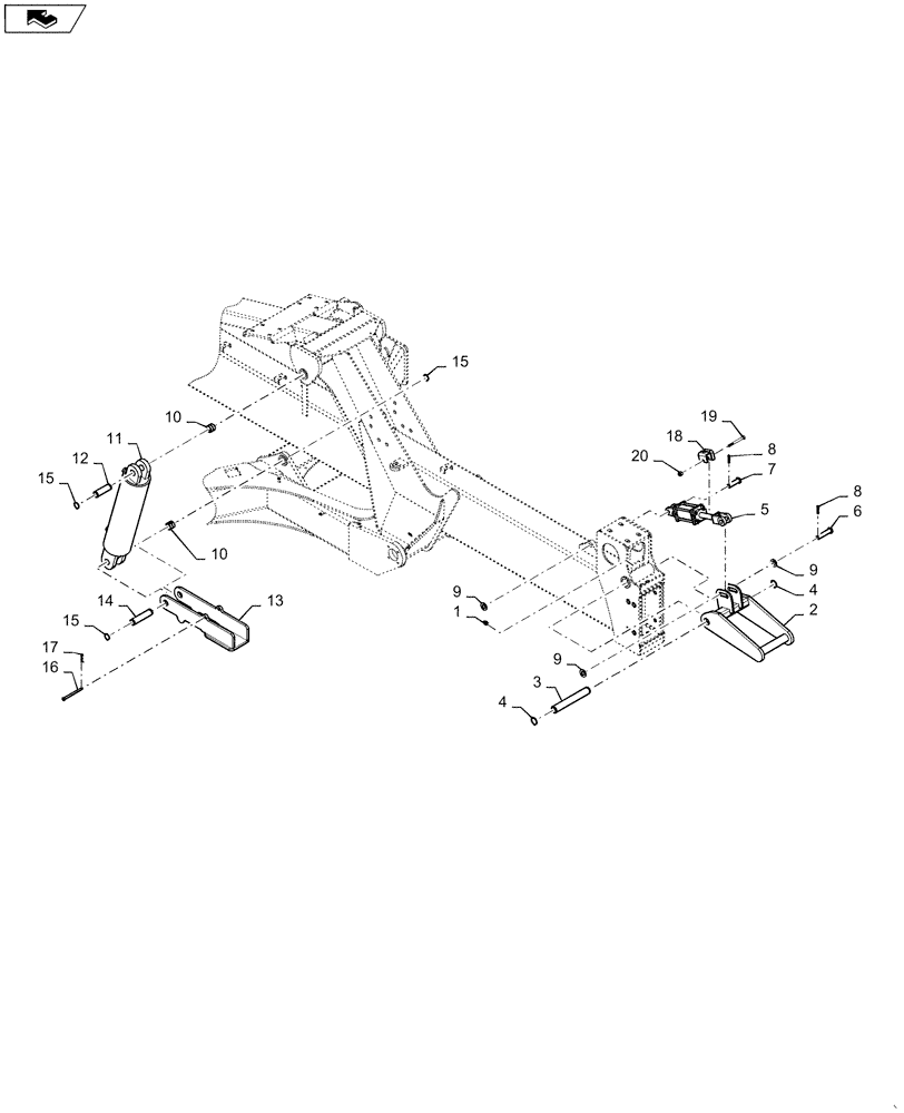
Запчасти Case IH 1265 (39.110.AM[07]) - SHORT HITCH FOR 36/20 (39) - FRAMES AND BALLASTING

Схема запчастей Case IH 1265 - (39.110.AM[07]) - SHORT HITCH FOR 36/20 (39) - FRAMES AND BALLASTING
11
4
9
15
8
home
9
10
13
6
14
9
8
12
7
15
20
2
4
3
5
18
15
1
10
17
19
16
FIT
1:1
100%

Артикул

Название

Примечание

Количество

1

80714

LUBE NIPPLE,1/4"-28 NPT x .54" lg

1шт.

2

87485054

LATCH

Outer Hitch Painted

1шт.

3

87477223

HITCH PIN

Lock

1шт.

4

86625149

SNAP RING,#175, Ext

2шт.

5

87671044

HYDRAULIC CYLINDER,Double Acting, 31.75mm Rod, 76.2mm Stroke

3X4 3000 PSI

1шт.

6

86632569

HEADED PIN,1" x 4 1/2", G5

1шт.

7

86632568

HEADED PIN,1" x 3 1/2", G5

1шт.

8

87041

COTTER PIN,1/4" x 1 3/4"

2шт.

9

86637954

WASHER,1.06" ID x 2" OD x 0.21" Thk

3шт.

10

7825

GROOVED BUSHING

4шт.

11

87671035

HYDRAULIC CYLINDER,Double Acting, 505.968mm Stroke

6.25 X 19.92 3000 PSI No Pins

2шт.

12

87725629

PIN

38.1 X 110

2шт.

13

84177557

SUPPORT

Stop Cylinder

2шт.

14

87475138

PIN

2шт.

15

86632531

SNAP RING,#150, Ext

8шт.

16

84421924

2шт.

17

86629239

COTTER PIN,Int, 5/16" x .177

2шт.

18

84216996

STOP LOCK

Hitch

1шт.

19

87845

BOLT,Hex, 1/4" - 20 x 2 1/2", Gr 5

1шт.

20

20356

NUT,1/4"-20, GB

1шт.

Выбрано товаров: 20