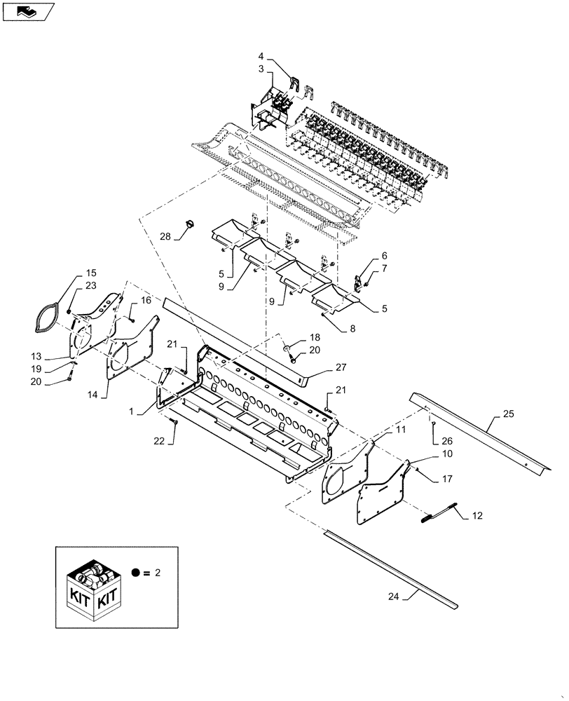
Запчасти Case IH 1265 (79.100.AC[04]) - TANK DISTRIBUTOR 18 PORT (79) - PLANTING
№
Артикул
Название
Примечание
Количество
1
84486981
DISTRIBUTOR
18 Port Red
1шт.
2
84493587
KIT
Gasket 18 Port
1шт.
3
84580208
MANIFOLD
Inductor Segment
9шт.
4
84544326
CLIP
Inductor Segment
18шт.
5
84581148
PLATE
Short Door Red
1шт.
6
84495994
LATCH
Under Center Double Lock
1шт.
7
86521551
BOLT,Hex, 5/16" - 18 x 1/2", Gr 5
1шт.
8
86521605
FLANGE NUT,5/16"-18, Cl 5
1шт.
9
84581149
PLATE
Long Door Red
1шт.
10
84489721
WALL
No Air Right Side
1шт.
10
84486988
WALL
No Air Left Red
1шт.
11
84540714
GASKET
End Cap Right Hand
1шт.
11
84540713
GASKET
End Cap Left
1шт.
12
47374749
PLUG
Seed Gate
1шт.
13
84489720
WALL
Air Left Red
1шт.
13
84486987
WALL
Air Right Red
1шт.
14
84540713
GASKET
Left End Cap +
1шт.
14
84540714
GASKET
Right End Cap
1шт.
15
84540715
GASKET
Air Intake
1шт.
16
86511443
BOLT,Hex Serr, 1/4" - 20 x 1", 5SPL, Full Thd
1шт.
17
86624020
FLANGE NUT,Flg, 1/4"-20.G5
1шт.
18
87013351
WASHER,0.34" ID x 1.25" OD x 0.12" Thk
18шт.
19
47382493
MOUNTING PLATE
8шт.
20
84420728
BOLT
26шт.
21
86508769
CARRIAGE BOLT,Sq Nk, 1/4" - 20 x 1", Gr 5
16шт.
22
280687
CARRIAGE BOLT,Sq Nk, 1/4" - 20 x 1 1/4", Gr 5
2шт.
23
86624020
FLANGE NUT,Flg, 1/4"-20.G5
20шт.
24
84482067
SCREEN
18 Port Lower
1шт.
25
84543869
SCREEN
18 Port Upper
1шт.
26
280700
CARRIAGE BOLT,Sht Sq Nk, 1/4" - 20 x 1/2", Gr 5, Full Thd
2шт.
27
84420488
GRATE
Seed Shutoff Red
1шт.
28
87459046
LINCH PIN
1шт.
Выбрано товаров: 32