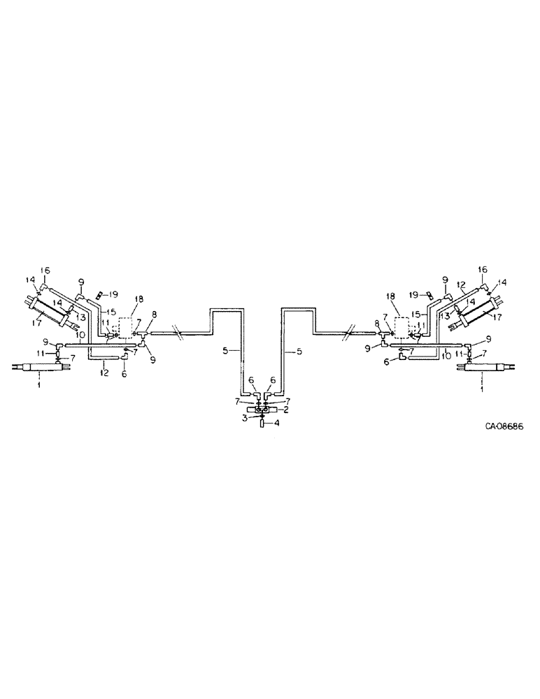
Запчасти Case IH 800 (09-22) - MARKERS, HYDRAULIC MARKER CONNECTIONS, UNITS W, X AND Y (08) - HYDRAULICS

Схема запчастей Case IH 800 - (09-22) - MARKERS, HYDRAULIC MARKER CONNECTIONS, UNITS W, X AND Y (08) - HYDRAULICS
9
9
6
2
6
13
8
15
17
7
14
6
7
7
8
11
9
7
12
11
11
9
9
14
3
18
6
19
10
1
5
7
11
14
12
15
19
1
10
7
5
9
14
18
17
4
16
7
16
7
13
FIT
1:1
100%

Артикул

Название

Примечание

Количество

1

145622C91

CYLINDER ASSY.,Double Acting, 50.8mm Rod, 204.7mm Stroke

CYLINDER ASSY, 2 x 8 in. single acting hydraulic, for components see list of parts under details of hyd cylinder

2шт.

23290R1

HEADED PIN,1" x 3 1/2"

PIN, 1 x 3.500 hd type 1

2шт.

24003R1

HEADED PIN

PIN, 1 x 4.250 hd type 1

2шт.

21742R1

WASHER

1.031 x 1.500 x .027

4шт.

432-1624

COTTER PIN,1/4" x 1 1/2"

Pin, Split (Cotter), 1/4" x 1 1/2"

4шт.

2

1272396C91

VALVE

ASSY, row marker, for components see list of parts under details of row marker valve

1шт.

3

364885R1

O-RING,0.097" Thk x 0.755" ID, -910, Cl 6, 90 Duro

5/8 OD tube class 6

1шт.

4

66895C1

FITTING

UNION, 5/8 special

1шт.

5

1268131C2

HYDRAULIC HOSE,9.53mm ID x 5840mm L

HOSE, 3/8 x 230 in. cross

2шт.

6

9410976

ELBOW,90 Degree, 9/16"-18, 37 Degree x 9/16"-18, O-Ring

3/8 C-Z hyd fld adj 90D

4шт.

7

364839R1

O-RING,0.078" Thk x 0.468" ID, -906, Cl 6, 90 Duro

6-1, 90 Duro, .468" ID x .078" Thk, 3/8 OD tube, class 6

10шт.

8

9411130

TEE,9/16"-18, 37 Degree x 9/16"-18, O-Ring Run

3/8 C-Z hyd fld tube adj

2шт.

9

9410280

ELBOW,90 Degree, 9/16"-18, 37 Degree x 9/16"-18, 37 Degree Fem Sw

3/8 C-Z hyd fld 90D swivel

6шт.

10

1254574C2

HYDRAULIC HOSE

HOSE, 3/8 x 60.83 in. supply, 2 for unit W

1шт.

10

1301350C2

HYDRAULIC HOSE

HOSE, 3/8 x 120 in. supply, replaces 1268129C1, 2 for unit X

1шт.

10

129671C2

HYDRAULIC HOSE

HOSE, 3/8 x 105 in. supply, replaces 1279525C1, 2 for unit Y

1шт.

11

9410202

HYD CONNECTOR,9/16"-18, 37 Degree x 9/16"-18, O-Ring

CONNECTOR, 3/8 C-Z hyd fld short swivel

4шт.

12

1277717C1

HYDRAULIC HOSE,6.35 mm ID x 1525.00 mm

- Inner marker, 2 for unit W 6.35 mm ID x 1525.00 mm

1шт.

12

1277718C1

HYDRAULIC HOSE,6.35 mm ID x 3050.00 mm

- Inner marker, 2 for unit X 6.35 mm ID x 3050.00 mm

1шт.

12

1264172C2

HYDRAULIC HOSE,6.40 mm ID x 2665.00 mm, SAE 100R1

HOSE, 1/4 x 105 in. inner marker, replaces 1279527C1, 2 for unit Y

1шт.

13

1263477C3

HYD CONNECTOR

UNION, restrictor

2шт.

14

570828R1

O-RING,0.087" Thk x 0.644" ID, -908, Cl 6, 90 Duro

1/2 OD tube class 6

4шт.

15

1254576C2

HOSE ASSY.

HOSE, 1/4 x 43 in. return, 2 for unit W

1шт.

15

1264172C2

HYDRAULIC HOSE,6.40 mm ID x 2665.00 mm, SAE 100R1

HOSE, 1/4 x 100 in. return, 2 for unit X

1шт.

15

1279526C1

HYDRAULIC HOSE,6.35 mm ID x 2285.00 mm

- Return, 2 for unit Y 6.35 mm ID x 2285.00 mm

1шт.

16

935036R91

ELBOW

C-Z hyd fld adj 1/2 to 3/8 90D

2шт.

17

1272402C91

CYLINDER,Double Acting, 31.7mm Rod, 203.2mm Stroke

ASSY, 2-1/2 x 8 in. double acting hydraulic, for components see list of parts under details of hyd cylinder

2шт.

64560C1

HEADED PIN

PIN, 1 in. x 3 in. headed

2шт.

28543R1

CLEVIS PIN,1" x 3 1/4"

PIN, 1 x 3-1/4 znp clevis

2шт.

432-1624

COTTER PIN,1/4" x 1 1/2"

Pin, Split (Cotter), 1/4" x 1 1/2"

4шт.

18

1272466C91

VALVE

ASSY, marker-wheel, for components see list of parts under details of marker-wheel valve

2шт.

180046

SPRING

1/4 x 2-1/4 type 5

4шт.

938016R1

FLANGE NUT,Flg, USR, 1/4"-20

1/4 flange lock

4шт.

19

129886C2

CLAMP

hose, 2 for units X and Y

1шт.

180166

BOLT,Hex, 1/2" - 13 x 1/2", Gr 5, Full Thd

1/2 x 1/2 type 5

2шт.

Выбрано товаров: 0