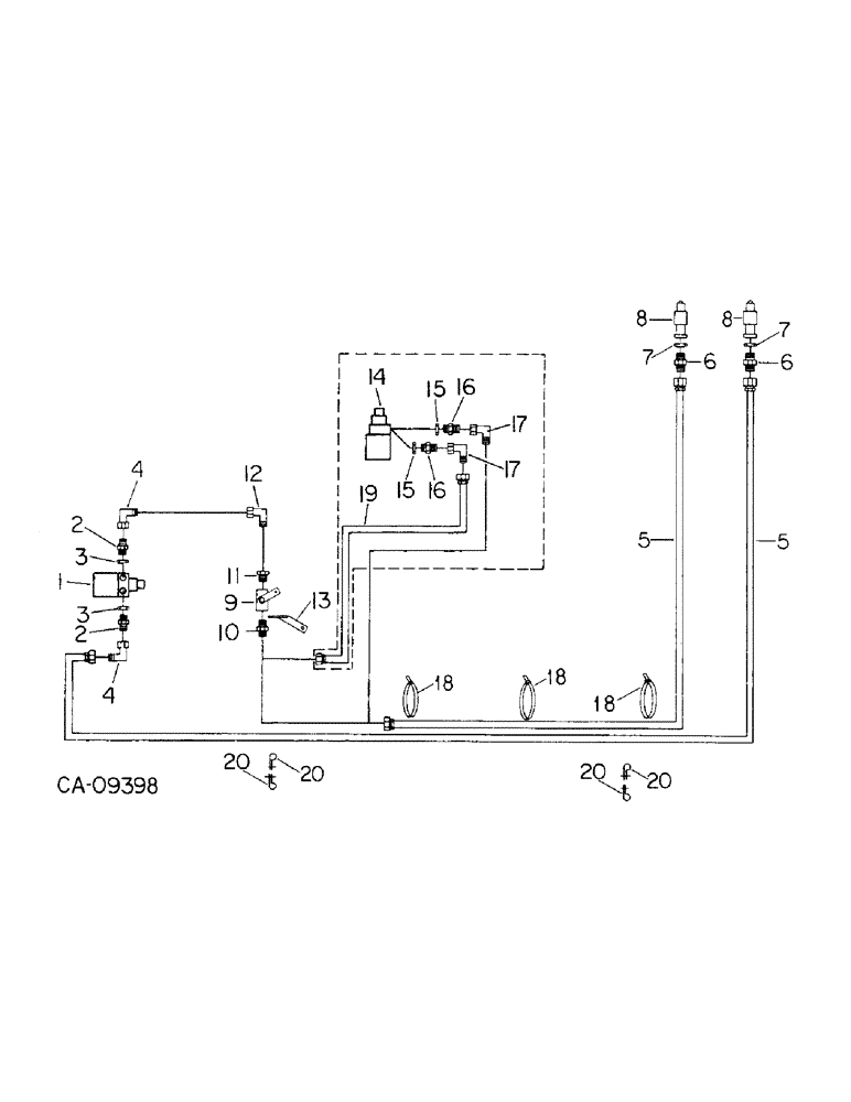
Запчасти Case IH 800 (10-27) - FERTILIZER, HYDRAULIC CONNECTIONS, FOR QUICK FILLER AUGER ATTACHMENTS, UNITS A THROUGH G, M AND T (09) - CHASSIS/ATTACHMENTS

Схема запчастей Case IH 800 - (10-27) - FERTILIZER, HYDRAULIC CONNECTIONS, FOR QUICK FILLER AUGER ATTACHMENTS, UNITS A THROUGH G, M AND T (09) - CHASSIS/ATTACHMENTS
20
18
17
5
5
8
18
7
18
7
14
2
16
16
4
20
2
19
3
6
20
20
11
1
4
6
9
17
10
8
3
13
12
15
15
FIT
1:1
100%

Артикул

Название

Примечание

Количество

1

90892C1

MOTOR

ASSY, horizontal auger

1шт.

2

481352R1

HYD CONNECTOR,3/4"-16, 37 Degree x 7/8"-14, O-Ring

CONNECTOR, C-Z hyd fld 5/8 to 1/2 sht

2шт.

3

364885R1

O-RING,0.097" Thk x 0.755" ID, -910, Cl 6, 90 Duro

5/8 OD tube class 6

2шт.

4

9410281

ELBOW,90 Degree, 3/4"-16, 37 Degree x 3/4"-16, 37 Degree Fem Sw

1/2 C-Z hyd fld 90D swivel

2шт.

5

1279319C1

HOSE

ASSY, 246 in. hydraulic, 2 for units A, B, F and G

1шт.

5

1279320C1

HOSE

ASSY, 276 in. hydraulic, 2 for units C and M

1шт.

5

1279321C1

HOSE

ASSY, 330 in. hydraulic, 2 for unit D

1шт.

5

1279322C1

HOSE

ASSY, 350 in. hydraulic, 2 for units E and T

1шт.

6

481352R1

HYD CONNECTOR,3/4"-16, 37 Degree x 7/8"-14, O-Ring

CONNECTOR, C-Z hyd fld 5/8 to 1/2 sht

2шт.

7

364885R1

O-RING,0.097" Thk x 0.755" ID, -910, Cl 6, 90 Duro

5/8 OD tube class 6

2шт.

8

544787R91

COUPLING, BREAK AWAY

COUPLER, quick attachable male, IH

2шт.

8

1272399C2

QUICK MALE COUPLING

COUPLER, quick attachable male, ISO

2шт.

9

1279313C1

VALVE

ASSY, safety shut-off

1шт.

10

90830C1

CONNECTOR, ELEC

CONNECTOR, C-Z hyd fld, Serial Range: 1/2-1/2

1шт.

11

1279294C1

CONNECTOR, ELEC

CONNECTOR, 3/8 x 1/2 pipe thread

1шт.

12

90891C1

ELBOW

3/8 NPTF x 1/2-20 flared swivel 90 degree

1шт.

13

90893C1

ANCHOR

BRACKET, safety shut-off valve mounting anchor

1шт.

14

90892C1

MOTOR

ASSY, vertical auger

1шт.

15

364885R1

O-RING,0.097" Thk x 0.755" ID, -910, Cl 6, 90 Duro

5/8 OD tube class 6, vertical auger

2шт.

16

481352R1

HYD CONNECTOR,3/4"-16, 37 Degree x 7/8"-14, O-Ring

CONNECTOR, C-Z hyd fld 5/8 to 1/2 sht, vertical auger

2шт.

17

9410281

ELBOW,90 Degree, 3/4"-16, 37 Degree x 3/4"-16, 37 Degree Fem Sw

1/2 C-Z hyd fld 90D swivel, vertical auger

2шт.

18

306132C1

CABLE TIE,14.5" L

STRAP, 14 in. tie

3шт.

19

1279318C1

HYDRAULIC HOSE,9.52 mm ID x 1016.00 mm

- Vertical auger motor to safety shut-off valve 9.52 mm ID x 1016.00 mm

1шт.

20

468256R1

CLAMP

hydraulic hose

4шт.

180124

BOLT,Hex, 3/8" - 16 x 1 1/4", Gr 5

3/8 x 1-1/4 type 5

2шт.

120382

LOCK WASHER,Helical Spring, 3/8"

WASHER, LOCK, 3/8"

2шт.

120394

WASHER,3/8", SAE

WASHER, .406 x .812 x .051

2шт.

120377

NUT,3/8" - 16, Gr 5

2шт.

Выбрано товаров: 28