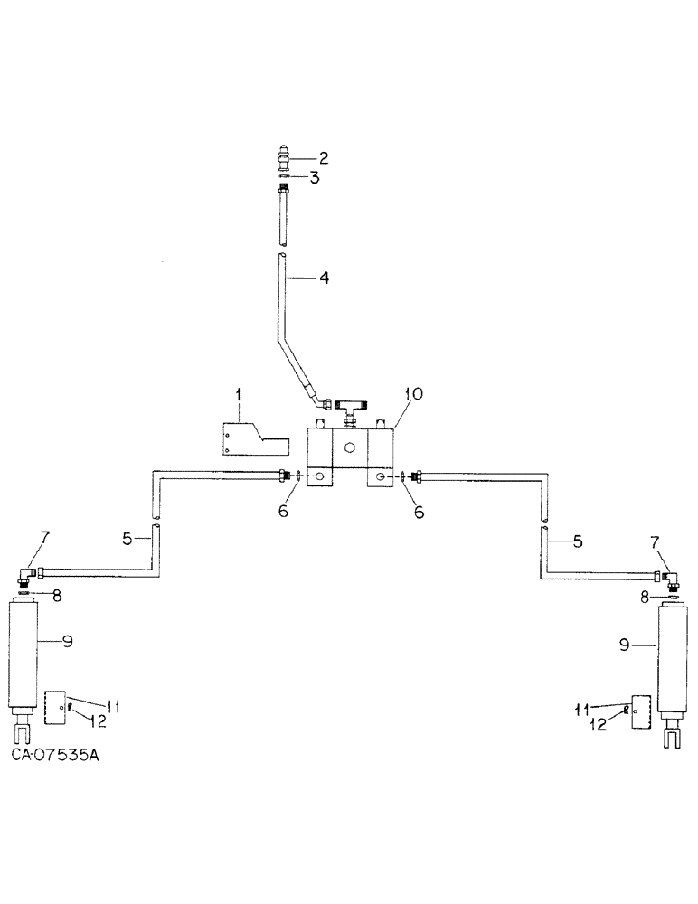
Запчасти Case IH 800 (05-04) - WHEELS, HYDRAULIC CYLINDERS AND VALVE CONNECTIONS FOR CARRYING WHEELS UNITS A, B, F AND G (06) - POWER TRAIN

Схема запчастей Case IH 800 - (05-04) - WHEELS, HYDRAULIC CYLINDERS AND VALVE CONNECTIONS FOR CARRYING WHEELS UNITS A, B, F AND G (06) - POWER TRAIN
7
12
11
2
4
9
11
5
12
8
9
5
6
6
7
10
3
8
1
FIT
1:1
100%

Артикул

Название

Примечание

Количество

1

144903C3

BRACKET

valve support LH, units F and G

1шт.

1

144904C3

BRACKET

valve support RH, units F and G

1шт.

18496R1

BOLT,Hex, 1/2"-13 x 1 1/2", G2

1/2 x 1-1/2 type 1

6шт.

487374R1

BEARING LOCK NUT,Flg, USR, 1/2"-13

1/2 flange lock

6шт.

1

141772C1

BAR, valve mtg plate, serial no. 10100 and below, units A and B

2шт.

180173

BOLT,Hex, 1/2" - 13 x 1", Gr 5

2шт.

487374R1

BEARING LOCK NUT,Flg, USR, 1/2"-13

1/2 flange lock

2шт.

2

544787R91

COUPLING, BREAK AWAY

COUPLER, quick attachable male, IH

1шт.

2

1272399C2

QUICK MALE COUPLING

COUPLER, quick attachable male, ISO

1шт.

3

364885R1

O-RING,0.097" Thk x 0.755" ID, -910, Cl 6, 90 Duro

5/8 OD tube class 6

1шт.

4

119874C1

HOSE ASSY.

HOSE, 180 in.

1шт.

5

141777C1

HOSE

80 in.

2шт.

6

570828R1

O-RING,0.087" Thk x 0.644" ID, -908, Cl 6, 90 Duro

1/2 OD tube class 6

2шт.

7

9410976

ELBOW,90 Degree, 9/16"-18, 37 Degree x 9/16"-18, O-Ring

3/8 C-Z hyd fld adj 90D

2шт.

8

364839R1

O-RING,0.078" Thk x 0.468" ID, -906, Cl 6, 90 Duro

6-1, 90 Duro, .468" ID x .078" Thk, 3/8 OD tube, class 6

2шт.

9

142423C93

CYLINDER

ASSY, 2-1/4 x 8 in. single acting ram type hydraulic, note A, order cylinder assy 1272682C92, 2 for units B and G

1шт.

9

1272682C92

CYLINDER

ASSY, 2-1/4 x 8 in. single acting ram type hydraulic, note A, replaces 142423C93, 2 for units B and G

1шт.

9

1263488C92

CYLINDER

ASSY, 2-1/2 x 8 in. single acting ram type hydraulic, note A, 2 for units A and F, cyclo planters w/serial no. 14500 and below, plate planters w/serial no. 3700 and below

1шт.

9

1272684C92

CYLINDER

ASSY, 2-1/2 x 8 in. single acting ram type hydraulic, note A, 2 for units A and F, cyclo planters w/serial no. 14501 and above, plate planters w/serial no. 3701 and above

1шт.

21675R1

PIN

3/4 x 3.250 hd type 5

2шт.

432-1620

COTTER PIN,1/4" x 1 1/4"

Pin, Split (Cotter), 1/4" x 1 1/4"

2шт.

10

VALVE ASSY, level lift, for components see list of parts under details of level lift valve

1шт.

9635884

BOLT,Hex, 5/16" - 18 1", Full Thd, Gr 5

4шт.

938017R1

FLANGE NUT,Flg, USR, 5/16"-18

5/16 flange lock

4шт.

11

1268173C91

STOP

BRACKET W/PRODUCT GRAPHIC, cylinder stop, units A and F

1шт.

11

1261240C91

STOP

BRACKET W/PRODUCT GRAPHIC, cylinder stop, units B and G

1шт.

23948R1

HEADED PIN,3/8" x 3 1/4"

PIN, HEADED, 3/8" x 3 1/4"

2шт.

1254230C1

DECAL,Warning To Prevent Personal Injury Cylinder Safety Stops

PRODUCT GRAPHIC, warning

1шт.

12

610784R1

SPLIT PIN/SAFETY PIN,2.4mm OD x 60.345mm OAL

PIN, quick attachable cot., cyclo planters w/serial no. 10100 and below, plate planters w/serial no. 2313 and below

4шт.

12

544063R1

HAIR PIN COTTER

PIN, quick attachable cot., cyclo planters w/serial no. 10101 and above, plate planters w/serial no. 2314 and above

2шт.

306132C1

CABLE TIE,14.5" L

STRAP, 14 inch tie

1шт.

Выбрано товаров: 0