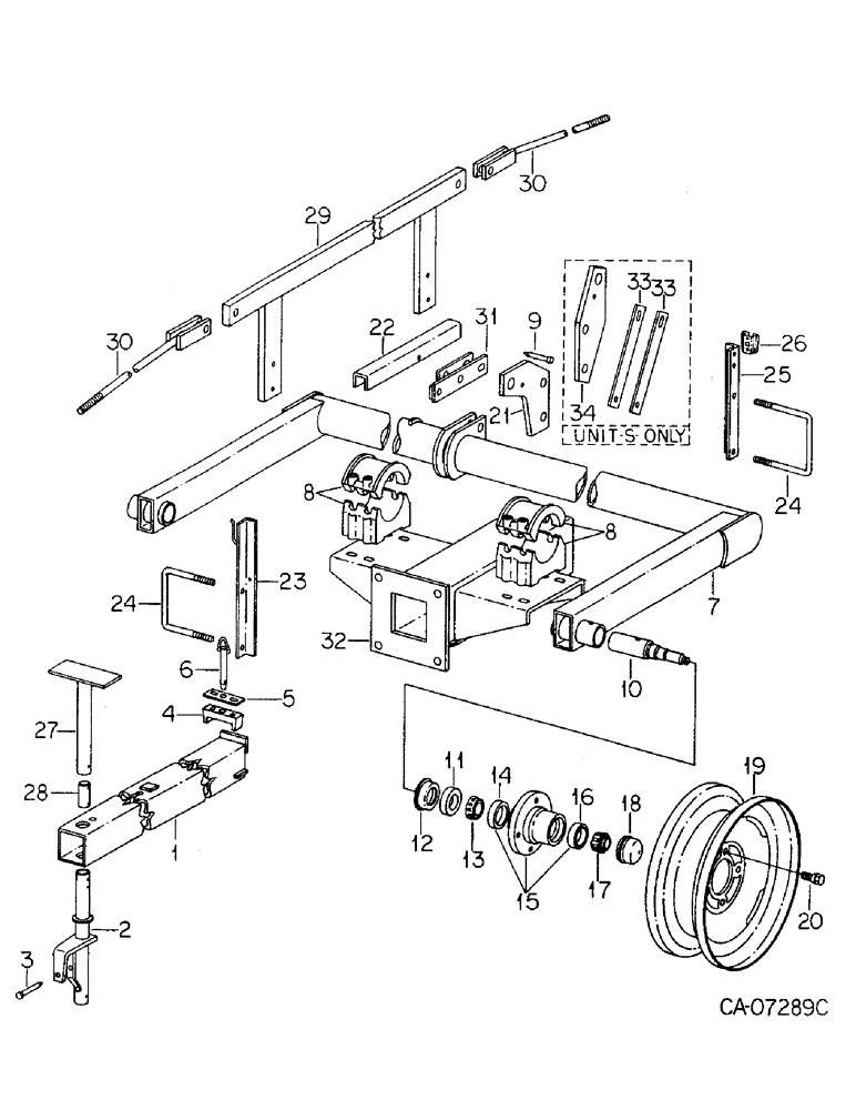
Запчасти Case IH 800 (05-38) - WHEELS, ENDWISE TRANSPORT ATTACHMENT, UNITS C, D, E, M, S AND T (06) - POWER TRAIN

Схема запчастей Case IH 800 - (05-38) - WHEELS, ENDWISE TRANSPORT ATTACHMENT, UNITS C, D, E, M, S AND T (06) - POWER TRAIN
30
18
17
20
6
21
7
13
1
34
8
19
32
22
30
10
31
8
23
25
33
27
24
14
2
33
29
28
24
3
15
12
16
26
5
11
4
9
FIT
1:1
100%

Артикул

Название

Примечание

Количество

1

141414C3

TUBE,153 mm Length

ASSY, transport

1шт.

2

149408C2

PIVOT

ASSY, clevis

1шт.

3

542319R1

PIN

3/4 x 6 in. clevis

1шт.

517843R1

COTTER PIN

PIN, 3/16 qa cot.

1шт.

4

1250714C1

BLOCK

stop

1шт.

88530

CARRIAGE BOLT,Sq Nk, 1/2" - 13 x 1 3/4", Gr 5

BOLT, 1/2 x 1-3/4 crg type 5

2шт.

487374R1

BEARING LOCK NUT,Flg, USR, 1/2"-13

1/2 type 5 flange lock

2шт.

5

149431C2

BAR

transport, units C, D, M, S and T

1шт.

6

147460C1

PIN,19.05mm OD x 254.26mm L

ASSY, tongue

1шт.

520175R1

CLIP

PIN, qa cot

1шт.

7

141085C1

CENTER AXLE

AXLE ASSY, transport, units C, D, M, S

1шт.

7

147476C3

FRAME

AXLE ASSY, transport, units E and T

1шт.

8

1261284C1

BLOCK

ASSY, transport tube bearing, to be serviced as one part, replaces 149300C1 & 149301C1

2шт.

22466R1

BOLT,Hex, 7/8" - 9 x 10", Gr 8

7/8 x 10 pln type 8

8шт.

NLS

NO LONGER SERVICED

7/8"

8шт.

25530R1

NUT,7/8"-9, G8

7/8 PHC type 8

8шт.

109461

LUBE NIPPLE,1/8"-27 x .66 lg

NIPPLE, LUBE, , PTF 1/8"-27 x .66 lg

2шт.

9

147404C1

PIN,12.7mm OD x 83mm L

pointed, units C, D, E, M and T

1шт.

517843R1

COTTER PIN

PIN, 3/16 quick attachable cot.

1шт.

10

131626C1

STEERING KNUCKLE

AXLE, spindle

1шт.

469873R1

WASHER,23.01mm ID x 44.45mm OD x 3.05mm Thk

29/36 x 1-3/4 x 11 ga

1шт.

70120D

SLOTTED NUT,7/8"-14

NUT, 7/8-14 slt

1шт.

87395

COTTER PIN,1/8" OD x 1-1/4" OAL

PIN, SPLIT (COTTER), 1/8" x 1-1/4"

1шт.

180192

BOLT (SPREADER),Hex, 1/2" - 13 x 3 1/2", Gr 5

BOLT, 1/2 x 3-1/2 type 5

1шт.

144844C1

NUT

1/2 parallel link lock

1шт.

11

654675R1

RING

wheel bearing

1шт.

12

654674R91

OIL SEAL

wheel hub oil

1шт.

13

663557R91

BEARING ASSY,1.625" ID x 2.892" OD x 0.77"

BEARING, wheel hub inner cone

1шт.

14

663558R1

BEARING CUP

BEARING, wheel hub inner cup

1шт.

15

465496R11

HUB

ASSY, 6 bolt wheel

1шт.

16

651817R1

BEARING CUP

BEARING, wheel hub outer cup

1шт.

17

651818R91

ROLLER BEARING,31.77 mm ID x 16.08 mm

BEARING, wheel hub outer cone

1шт.

18

663906R1

CAP

hub

1шт.

19

481344R91

WHEEL

14 in. x 8 KB 6 bolt, for 9.5L-14 tire

1шт.

810768C1

VALVE

steel

1шт.

20

549962R1

BOLT,1 1/2" - 20 x 1 1/2", Class 3

1/2 x 1-1/2 conical hd

1шт.

21

141069C2

PLATE

cylinder anchor, units C, D & M

1шт.

21

141372C2

PLATE, cylinder anchor, units E and T

1шт.

26019R1

BOLT,Hex, 1" - 8 x 3 1/4", Gr 8

1 x 3-1/4 PHC type 8, 2 for units C, D and M

1шт.

25918R1

BOLT,Hex, 1" - 8 x 4 1/2", Gr 8

1 x 4-1/2 PHC type 8, 2 for units E and T

1шт.

131002

WASHER,1"

1.062 x 2.500 x .136, 2 for units E and T

1шт.

492-11100

LOCK WASHER,1"

WASHER, LOCK, 1"

2шт.

25531R1

NUT,1"-8, G8

1 PHC type 8

2шт.

22

1254284C91

STOP

W/PRODUCT GRAPHIC, cylinder, units C, D, M and S

1шт.

22775R1

PIN

3/8 x 3.500 hd type 1

1шт.

544063R1

HAIR PIN COTTER

PIN, quick attachable cot.

1шт.

22

1254285C91

STOP

W/PRODUCT GRAPHIC, cylinder, units E and T

1шт.

23948R1

HEADED PIN,3/8" x 3 1/4"

PIN, HEADED, 3/8" x 3 1/4"

1шт.

544063R1

HAIR PIN COTTER

PIN, quick attachable cot.

1шт.

1254230C1

DECAL,Warning To Prevent Personal Injury Cylinder Safety Stops

PRODUCT GRAPHIC, warning

1шт.

23

144787C1

SUPPORT

ASSY, hose

1шт.

24

1250813C1

U-BOLT

5/8 in.

2шт.

280374

NUT,Hex, 5/8" - 11, Gr 5

5/8 type 5

4шт.

25

58316C1

SUPPORT

safety light

1шт.

19995R1

BOLT,Hex, 5/8" - 11 x 8 1/2", Gr 5

5/8 x 8-1/2 type 5, 2 for unit S

1шт.

26

398976R1

BRACKET

SOCKET, SMV emblem mtg

1шт.

16897R1

CARRIAGE BOLT,Short Nk, 5/16" - 18 x 3/4", Gr 2, Full Thd

BOLT, 5/16 x 3/4 crg type 1

1шт.

80681

LOCK WASHER,5/16"

WASHER, LOCK, 5/16"

1шт.

938017R1

FLANGE NUT,Flg, USR, 5/16"-18

5/16 flange lock

1шт.

27

149405C1

STAND

ASSY, parking

1шт.

616387R1

PIN,3/8" x 2", Coiled

1шт.

19356R1

PIN,3/8" x 3", Coiled

1шт.

28

149407C1

ROD

support stand

1шт.

22775R1

PIN

3/8 x 2.500 hd type 1

1шт.

586591R1

COTTER PIN

PIN, qa cot

1шт.

29

149395C1

SUPPORT

ASSY, frame truss, units E and T

1шт.

271726

ROTOR,Hex, 5/8" - 11 x 2 3/4", Gr 5

5/8 x 2-3/4 type 5

4шт.

174763C1

FLANGE NUT,Flg, USR, 5/8"-12

5/8 flange lock type 5

4шт.

30

149399C1

ROD

ASSY, bracket, 2 for units E and T

1шт.

27257R1

HEADED PIN,1" x 3"

PIN, 1 x 3. hd type 5

2шт.

432-1624

COTTER PIN,1/4" x 1 1/2"

Pin, Split (Cotter), 1/4" x 1 1/2"

2шт.

9849633

NUT,1"-8, G5

4шт.

31

1264414C1

LOCK

ASSY, transport, units C, D, E, M and T

1шт.

24863R1

BOLT,Hex, 1/2" - 13 x 1 3/4", Gr 8

1шт.

120390

WASHER,1/2"

.562 x 1.375 x .086

3шт.

474848R1

LOCK NUT,1/2"-13, GB

NUT, 1/2-13 hex lock

1шт.

32

144876C1

BAR

TOOL BAR ASSY, transport, unit S

1шт.

413-1240

BOLT,Hex, 3/4" - 10 x 2-1/2", Gr 5

Hex, 3/4"-10 x 2-1/2", G5

4шт.

280954

NUT,3/4"-10, G5

4шт.

87340

LOCK WASHER,Helical Spring, 0.759" ID, CST, ZND

WASHER, LOCK, 3/4"

4шт.

33

1267993C1

BAR

transport lock, 2 for unit S

1шт.

26019R1

BOLT,Hex, 1" - 8 x 3 1/4", Gr 8

1 x 3-1/4 PHC type 8

2шт.

492-11100

LOCK WASHER,1"

WASHER, LOCK, 1"

2шт.

25531R1

NUT,1"-8, G8

1 PHC type 8

2шт.

28196R1

SPLIT PIN/SAFETY PIN

PIN, 5/8 x 2.250 clevis

1шт.

544063R1

HAIR PIN COTTER

PIN, 1/8 quick attachable cot.

1шт.

1284374C1

REFLECTOR,Reflector Red

red, replaces 175311C1

2шт.

1284365C1

REFLECTOR,Reflector Amber

amber, replaces 174732C1

1шт.

Выбрано товаров: 0