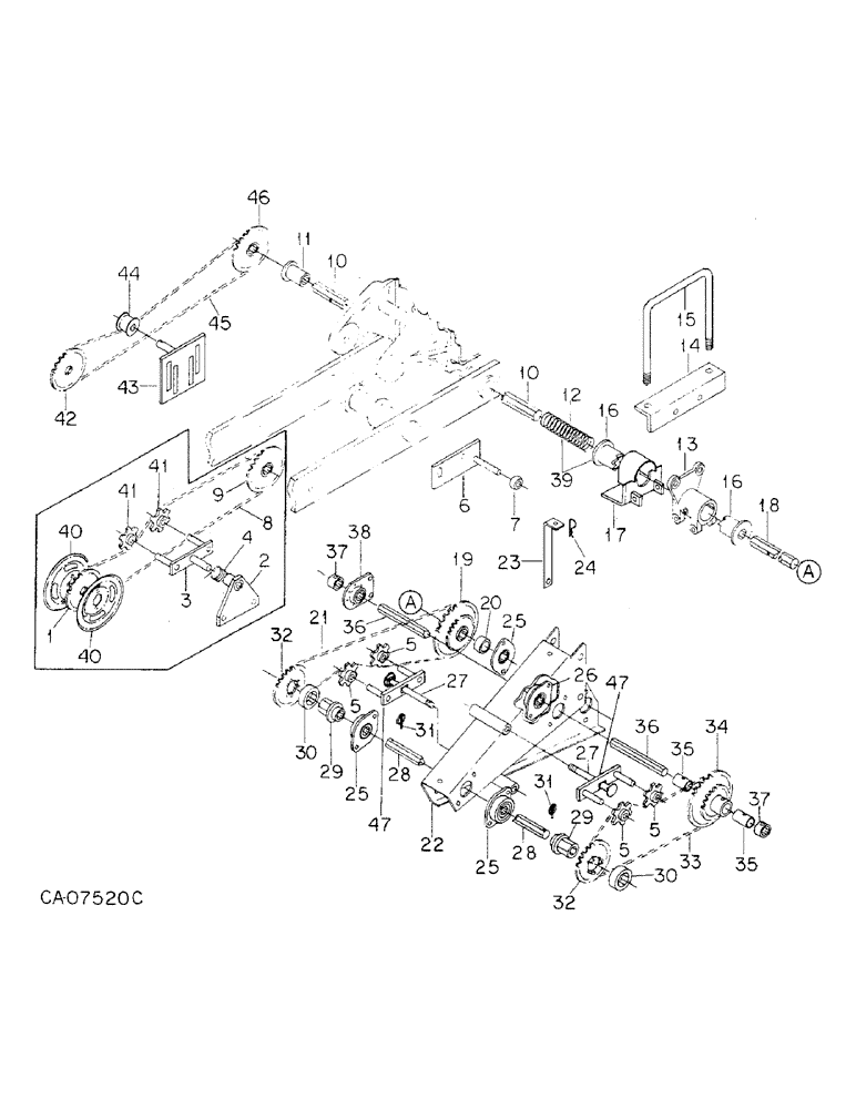
Запчасти Case IH 800 (06-02) - DRIVE, SEED DRIVE, UNITS B, C, D, G, M AND S (06) - POWER TRAIN

Схема запчастей Case IH 800 - (06-02) - DRIVE, SEED DRIVE, UNITS B, C, D, G, M AND S (06) - POWER TRAIN
21
20
41
28
17
25
35
29
24
1
37
25
43
27
12
31
45
33
32
30
39
26
22
19
27
15
30
2
38
3
42
16
8
10
7
37
14
31
41
5
46
18
32
36
28
29
4
35
34
5
13
6
9
5
47
5
47
23
25
36
10
40
11
16
40
44
FIT
1:1
100%

Артикул

Название

Примечание

Количество

1

134335C1

SPROCKET ASSY.

SPROCKET, wheel 14T, note A

1шт.

2

136929C2

PLATE

ASSY, tightener wheel, note A

1шт.

18496R1

BOLT,Hex, 1/2"-13 x 1 1/2", G2

1/2 x 1-1/2 type 1

2шт.

487374R1

BEARING LOCK NUT,Flg, USR, 1/2"-13

1/2 flange lock

2шт.

3

134313C1

ARM

BAR ASSY, wheel idler, note A

1шт.

Q3500

WASHER

.656 x 1.125 x .067 pln

1шт.

4

1264310C1

SPRING

wheel idler, note A

1шт.

5

472344R3

SPROCKET

idler

4шт.

NLS

NO LONGER SERVICED

.531 x 1.062 x .074

4шт.

432-1216

COTTER PIN,3/16" x 1"

Pin, Split (Cotter), 3/16" x 1"

4шт.

6

140988C2

SUPPORT

ASSY, right

1шт.

18496R1

BOLT,Hex, 1/2"-13 x 1 1/2", G2

1/2 x 1-1/2 type 1

2шт.

178373R1

WASHER

.531 x 1.000 x .056

1шт.

487374R1

BEARING LOCK NUT,Flg, USR, 1/2"-13

1/2 flange lock

2шт.

7

137481C1

BEARING

BALL, throwout

1шт.

432-1216

COTTER PIN,3/16" x 1"

Pin, Split (Cotter), 3/16" x 1"

2шт.

8

CHAIN, wheel drive, 1 inch, note A, furnish 69 links from bulk roll marked 569088R91 & 1 connecting link 1277927C91

1шт.

1277927C91

LINK

connecting

1шт.

9

134130C2

SPROCKET ASSY.

SPROCKET ASSY, drive wheel 27T, note A

1шт.

21689R1

SCREW

1/2 x 3/4 znp sq/hd c/pt set

2шт.

10

140969C2

BAR

wheel seed drive 7/8 hex (478mm)

1шт.

11

140990C1

DRIVE BUSHING

BUSHING, drive shaft

1шт.

614451R1

WASHER

1.031 x 1.750 x .105

3шт.

22440R1

WASHER

1.031 x 1.750 x .027

1шт.

19795R1

PIN,1/4" x 1 3/4", Coiled

3шт.

12

1264302C1

SPRING

clutch, replaces 141003C1

1шт.

13

149311C2

HOUSING

clutch

1шт.

25391R1

FITTING

1/4 less ball check lub

1шт.

14

137482C2

ANGLE

clutch mtg

1шт.

18496R1

BOLT,Hex, 1/2"-13 x 1 1/2", G2

1/2 x 1-1/2 type 1

2шт.

487374R1

BEARING LOCK NUT,Flg, USR, 1/2"-13

1/2 flange lock

2шт.

15

1250813C1

U-BOLT

5/8, replaces 493837R2

1шт.

280374

NUT,Hex, 5/8" - 11, Gr 5

5/8 type 5

2шт.

16

1264313C1

CLUTCH

driver and driven left, replaces 141713C1

2шт.

17

137480C4

BRACKET

ASSY, throwout

1шт.

23948R1

HEADED PIN,3/8" x 3 1/4"

PIN, HEADED, 3/8" x 3 1/4"

1шт.

103384

COTTER PIN,1/8" x 3/4"

Pin, Split (Cotter), 1/8" x 3/4"

1шт.

1267994C1

WASHER

1.656 x 2.250 x .105

2шт.

18

1264440C1

BAR

outer seed drive 7/8 hex, units C & M (478mm)

1шт.

18

149562C2

BAR

outer shaft drive 7/8 hex, unit B, D & G (487mm)

1шт.

18

141412C2

BAR

outer seed drive 7/8 hex, unit S (574mm)

1шт.

19

134147C2

SPROCKET ASSY.

SPROCKET ASSY, speed change 20/32T

1шт.

21689R1

SCREW

1/2 x 3/4 znp sq/hd c/pt set

2шт.

20

144812C1

SPACER

double sprocket

1шт.

21

CHAIN, input speed change, 1 inch furnish 53 links from bulk roll marked 569088R91 & 1 connecting link 1277927C91 & 1 offset link 457114R91

1шт.

1277927C91

LINK

connecting

1шт.

457114R91

CHAIN LINK

LINK, #2040 double pitch offset

1шт.

22

137203C2

SUPPORT

ASSY, speed change

1шт.

189316

BOLT,Hex, 1/2" - 13 x 4 1/4", Gr 5

1/2 x 4-1/4 type 5

2шт.

487374R1

BEARING LOCK NUT,Flg, USR, 1/2"-13

1/2 flange lock

2шт.

23

141781C1

BRACKET

storage

1шт.

24

591107R1

COTTER PIN

quick attachable cot.

1шт.

25

134158C91

FLANGED BEARING

ball 7/8

3шт.

26

134157C91

BALL BEARING,15.88mm ID

ball 5/8

1шт.

16897R1

CARRIAGE BOLT,Short Nk, 5/16" - 18 x 3/4", Gr 2, Full Thd

BOLT, 5/16 x 3/4 crg type 1

8шт.

938017R1

FLANGE NUT,Flg, USR, 5/16"-18

5/16 flange lock

8шт.

27

28657R1

CARRIAGE BOLT,Spcl, Sq Nk, 1/2" - 13 x 5 1/2", Gr 5, LH Thd

BOLT, 1/2-13 x 5-1/2 LH thread square neck carriage zinc plated type 5

2шт.

18277R1

SPECIAL NUT,1/2"-13, G5, LH

1/2 pln lht type 5

2шт.

28

134142C1

BAR

secondary drive 7/8 hex (269mm)

1шт.

29

140931C1

HUB

sprocket

2шт.

30

140932C1

SPACER

WASHER, sprocket

2шт.

614451R1

WASHER

1.031 x 1.750 x .105

2шт.

31

373025R91

PIN ASSY.

PIN, klick

2шт.

32

134235C1

SPROCKET ASSY.

SPROCKET, 20T

1шт.

32

134236C1

SPROCKET ASSY.

SPROCKET, 22T

1шт.

32

134237C1

SPROCKET ASSY.

SPROCKET, 24T

1шт.

32

134238C1

SPROCKET ASSY.

SPROCKET, 28T

1шт.

32

134239C1

SPROCKET ASSY.

SPROCKET, 30T

1шт.

32

134240C1

SPROCKET ASSY.

SPROCKET, 32T

1шт.

32

134241C1

SPROCKET ASSY.

SPROCKET, 34T

1шт.

32

134242C1

SPROCKET ASSY.

SPROCKET, 36T

1шт.

33

CHAIN, output, 1 inch, furnish 43 links from bulk roll marked 569088R91 & 1 connecting link 1277927C91

1шт.

1277927C91

LINK

connecting

1шт.

34

134148C1

SPROCKET ASSY.

SPROCKET ASSY, final output 20T/34T

1шт.

35

137204C2

SPACER

BUSHING, shear pin

2шт.

432-1240

COTTER PIN,3/16" x 2 1/2"

Pin, Split (Cotter), 3/16" x 2 1/2"

1шт.

366112R1

WASHER

.781 x 1.250 x .105

1шт.

36

141453C2

BAR

output drive 5/8 hex, units B & G

1шт.

36

141657C1

SHAFT

BAR, output drive 5/8 hex LH, units C & M

1шт.

36

141452C1

BAR

output drive 5/8 hex RH, units C & M

1шт.

36

141020C1

BAR

output drive 5/8 hex LH, unit D

1шт.

36

1250826C1

BAR

output drive 5/8 hex RH, unit D

1шт.

36

137214C1

BAR

output drive 5/8 hex RH, unit S

1шт.

36

1254405C1

BAR

output drive 5/8 hex LH, unit S

1шт.

37

147338C1

SPACER

collar locking, 2 for units B, G, M & S, 3 for units C and D

1шт.

37

1254406C1

TRANSMISSION SLEEVE

SPACER, collar locking, coupler, 1-1/4 in. x 3.54 in. long, unit S

1шт.

22211R1

SCREW

3/8 x 1/2 zpt c/pt sq/hd set

1шт.

38

141242C91

BEARING,16mm ID

ball hanger, for unit D

1шт.

180124

BOLT,Hex, 3/8" - 16 x 1 1/4", Gr 5

3/8 x 1-1/4 type 5

2шт.

482256R1

BEARING LOCK NUT,Flg, USR, 3/8"-16

3/8 flange lock

2шт.

39

1264425C91

CLUTCH

ASSY, left drive

1шт.

40

1264309C1

FLANGE

sprocket, note A

2шт.

41

472344R3

SPROCKET

idler, note A

2шт.

120396

WASHER

.531 x 1.062 x .074

2шт.

432-1216

COTTER PIN,3/16" x 1"

Pin, Split (Cotter), 3/16" x 1"

3шт.

42

1277737C1

SPROCKET

wheel 12T, notes B and C

1шт.

43

91405C1

PLATE

ASSY, wheel drive idler, notes B and C

1шт.

88530

CARRIAGE BOLT,Sq Nk, 1/2" - 13 x 1 3/4", Gr 5

BOLT, 1/2 x 1-3/4 crg type 5

2шт.

120378

NUT,Hex, 1/2" - 13, Gr 5

NUT, 1/2"-13, G5

2шт.

120384

WASHER,1/2"

LOCK, 1/2"

2шт.

44

1277726C1

ROLLER,48mm OD x 34mm L

idler, notes B and C

1шт.

22198R1

WASHER

.656 x 1.125 x .042

2шт.

432-1216

COTTER PIN,3/16" x 1"

Pin, Split (Cotter), 3/16" x 1"

1шт.

45

CHAIN, wheel drive, 1-1/4 inch, notes B and C, furnish 55 links from bulk roll marked, 569089R91 and one connecting link, 1277928C91

1шт.

1277928C91

LINK

connecting

1шт.

46

1277743C1

DRIVING SPROCKET

SPROCKET ASSY, 23T, notes B and C

1шт.

21689R1

SCREW

1/2 x 3/4 znp sq/hd c/pt set

2шт.

47

90505C1

BAR

ASSY, speed change idler, replaces 140928C2 by also ordering bolt, 28657R1

2шт.

1277989C91

PACKAGE

seed drive conversion, note A, consists of ref nos 42 through 46 and attaching hardware

1шт.

Выбрано товаров: 109