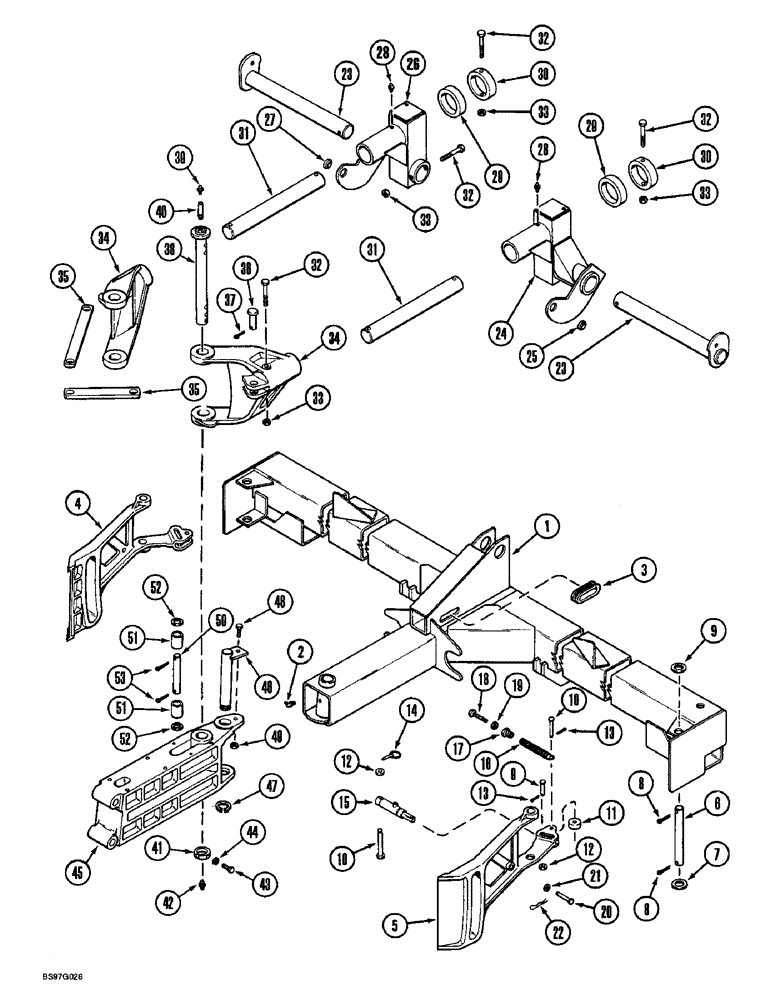
Запчасти Case IH 900 (9-014) - MAIN FRAME, CYCLO AIR HORIZONTAL FOLDING, ALL ROW SIZES (09) - CHASSIS/ATTACHMENTS

Схема запчастей Case IH 900 - (9-014) - MAIN FRAME, CYCLO AIR HORIZONTAL FOLDING, ALL ROW SIZES (09) - CHASSIS/ATTACHMENTS
27
20
19
8
5
30
9
30
38
50
17
39
9
33
28
43
6
44
10
11
51
37
41
35
47
7
8
18
23
13
10
29
52
32
13
34
2
3
12
14
32
40
26
4
45
35
15
42
34
24
40
32
21
23
12
25
28
29
36
33
1
16
22
32
33
52
31
46
53
48
51
33
31
FIT
1:1
100%

Артикул

Название

Примечание

Количество

1

1268135C6

FRAME

- main, planter, horizontal folding

1шт.

2

219-37

LUBE NIPPLE,45 Degree Elbow, 1/4" - 28 NPTF

FITTING - grease, 45 degree, 1/4-28 taper x 13/16 inch

1шт.

3

145149C1

GROMMET

- protective, main frame

2шт.

4

1254514C2

LATCH

- folding, left-hand

1шт.

5

1254515C2

LATCH

- folding, right-hand

1шт.

6

141553C2

PIN

- pivot, latch

2шт.

7

495-81086

WASHER,1 5/8" x 3" x .179"

- flat, 1-9/16 x 3 x 3/16 inch

4шт.

8

432-1632

COTTER PIN,1/4" x 2"

Pin, Split (Cotter), 1/4" x 2"

4шт.

9

439-5840

HEADED PIN,1/2" x 2 1/2"

PIN - headed, 1/2 x 2-1/2 inch

2шт.

10

439-1856

HEADED PIN,1/2" x 3 1/2"

PIN - headed, 1/2 x 3-1/2 inch, grade 2

4шт.

11

1277651C1

ROLLER

- switch

2шт.

12

496-21053

WASHER,17/32" x 1 1/16" x .134"

- flat, 17/32 x 1-1/16 x 1/8 inch, hardened

4шт.

13

432-1216

COTTER PIN,3/16" x 1"

4шт.

14

A33497

LINCH PIN,4.76mm OD Pin

PIN - lock

2шт.

15

REF

INSTRUCTION

CYLINDER ASSEMBLY - folding latch (See Page 8-103 for correct cylinder)

2шт.

16

140579C1

SPRING

- linkage, latch

2шт.

17

144847C1

PLUG

- spring

2шт.

18

149439C1

SPECIAL BOLT,Spcl, Hex, 1/2" - 13 x 4.25", Gr 5

BOLT - hex special, latch spring

2шт.

19

425-108

NUT,1/2" - 13, Gr 5

NUT, , Hex 1/2"-13, G5

2шт.

20

439-51236

HEADED PIN,19.05mm OD x 57.15mm L

PIN - headed, 3/4 x 2-1/4 inch

2шт.

21

495-11081

WASHER,3/4", SAE

8шт.

22

1978738C1

HAIR PIN COTTER

3/16"

2шт.

23

1268174C2

CAM

PIVOT - lower

2шт.

24

1268112C91

TUBE ASSY.

BRACKET ASSEMBLY - connecting, right wing

1шт.

25

112886C1

BUSHING

- tension, bracket

1шт.

26

1268111C91

TUBE,300, 190 mm Length

BRACKET ASSEMBLY - connecting, left wing

1шт.

27

112886C1

BUSHING

- tension, bracket

1шт.

28

219-10

LUBE NIPPLE,1/4" - 28 NPTF

FITTING - grease, straight, 1/4-28 taper x 11/16 inch

2шт.

29

1277509C1

TUBE,76.55mm ID x 1143mm OD x 40 mm L

SPACER - roller

2шт.

30

1268117C2

TUBE,76.55 mm ID, 114.3 mm OD

RETAINER - pin

2шт.

31

1268118C3

PIN

- upper pivot

2шт.

32

413-880

BOLT,Hex, 1/2" - 13 x 5", Gr 5

- hex, 1/2 NC x 5 inch

6шт.

33

231-4218

LOCK NUT,1/2"-13, GB

NUT - hex, self-locking, 1/2 inch NC

6шт.

34

141571C3

BRACKET

- pivot. right and left wing

2шт.

35

1268122C1

BAR

- connecting, wing

2шт.

36

145282C1

CLEVIS PIN

PIN - headed, 1-1/4 x 3-1/2 inch

2шт.

37

432-1632

COTTER PIN,1/4" x 2"

Pin, Split (Cotter), 1/4" x 2"

2шт.

38

1277612C1

ROD ASSY.

PIN - pivot, wing

1шт.

39

219-1

LUBE NIPPLE,1/8" - 27 NPTF

FITTING - grease, straight, 1/8 PT x 21/32 inch, short

1шт.

40

221-112

PIPE

NIPPLE - straight, 1/8 PT x 3-1/2 inch

1шт.

41

1279045C1

COLLAR

- pivot pin

1шт.

42

219-60

LUBE NIPPLE,1/8" - 27 Female NPTF

FITTING - grease, straight, 1/8 female PT x 1 inch

1шт.

43

413-820

BOLT,Hex, 1/2" - 13 x 1-1/4", Gr 5

- hex, 1/2 NC x 1-1/4 inch

2шт.

44

80679

LOCK WASHER,1/20.507 CST ZND

WASHER, LOCK, 1/2"

2шт.

45

1268093C1

BRACKET

- main, center

1шт.

46

1268344C2

PIN ASSY.

PIN - pivot, main bracket

1шт.

47

103-16200

SNAP RING,#200, Ext

Ring, Snap, #200, Ext

1шт.

48

326-828

BOLT,Hex, 1/2" - 13 x 1-3/4", Gr 8

1шт.

49

231-4218

LOCK NUT,1/2"-13, GB

NUT - hex, self-locking, 1/2 inch NC

1шт.

50

1254453C2

PIN

- roller guide

1шт.

51

1254452C2

TUBE,32.5 mm ID, 50.8 mm OD, 65 mm Length

GUIDE - roller

2шт.

52

495-81205

WASHER,32.54mm ID x 50.8mm OD x 1.7mm Thk

- flat, 1-9/32 x 2 x 3/64 inch

2шт.

53

432-1232

COTTER PIN,3/16" OD x 2" L

3/16" x 2"

2шт.

Выбрано товаров: 53