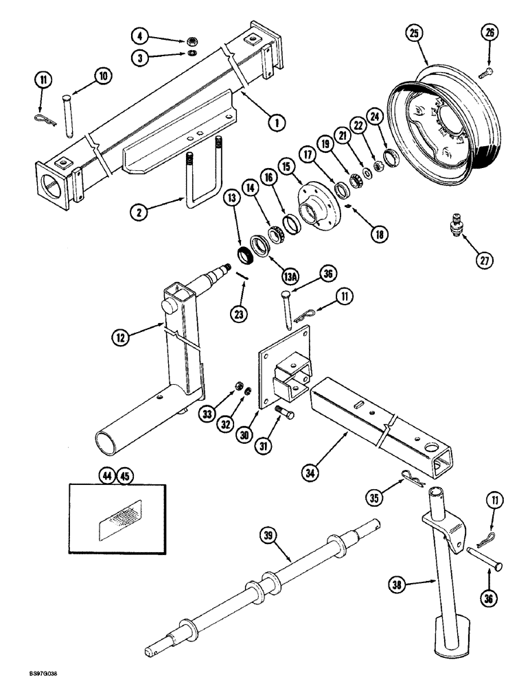
Запчасти Case IH 900 (9-042) - ENDWISE TRANSPORT ATTACHMENT, PLATE MOUNTED, 6 ROW WIDE & 8 ROW NARROW (09) - CHASSIS/ATTACHMENTS

Схема запчастей Case IH 900 - (9-042) - ENDWISE TRANSPORT ATTACHMENT, PLATE MOUNTED, 6 ROW WIDE & 8 ROW NARROW (09) - CHASSIS/ATTACHMENTS
36
44
14
32
27
12
30
33
34
23
1
45
11
19
25
31
35
10
16
36
13a
3
4
11
17
22
24
39
26
18
2
11
21
38
13
15
FIT
1:1
100%

Артикул

Название

Примечание

Количество

1

145020C1

TUBE,850 mm Length

- transport

1шт.

2

492989R2

BOLT,7/8" - 9 x 9"

U-BOLT - 7/8 inch NC, 5 x 7 inch

2шт.

3

425-1014

NUT,7/8"-9, G5

NUT, 7/8"-9, G5

4шт.

4

425-1014

NUT,7/8"-9, G5

NUT, 7/8"-9, G5

4шт.

10

541769R1

PIN

- headed, 7/8 inch diameter

2шт.

11

1978738C1

HAIR PIN COTTER

3/16"

4шт.

12

145023C4

AXLE HOUSING

AXLE - wheel

2шт.

13

594702R91

SEAL

- oil

2шт.

13a

594703R1

SLEEVE

RING - wear, 1/2 inch wide

1шт.

14

663557R91

BEARING ASSY,1.625" ID x 2.892" OD x 0.77"

CONE - tapered roller bearing, 1-5/8 inch ID, inner

2шт.

15

606468R21

HUB

ASSEMBLY - wheel, 6 bolt

2шт.

16

663558R1

BEARING CUP

CUP - tapered roller bearing, 2-57/64 inch OD, inner

2шт.

17

651817R1

BEARING CUP

CUP - tapered roller bearing, outer

2шт.

18

219-87

LUBE NIPPLE,1/4" - 28 NPTF

NIPPLE, LUBE, 1/4"-28 x .56" lg, Self-Tap

2шт.

19

651818R91

ROLLER BEARING,31.77 mm ID x 16.08 mm

CONE - tapered roller bearing, outer

2шт.

21

469873R1

WASHER,23.01mm ID x 44.45mm OD x 3.05mm Thk

- flat, special, hardened

2шт.

22

70120D

SLOTTED NUT,7/8"-14

NUT - hex, slotted, special, 7/8 inch NC

2шт.

24

663906R1

CAP

- wheel hub

2шт.

25

481344R91

WHEEL

- 356 (14) x 203 mm (8 inch) (For 9.5L x 14 tire)

2шт.

26

549962R1

BOLT,1 1/2" - 20 x 1 1/2", Class 3

- hex conical, 1/2 NF x 1-5/32 inch

12шт.

27

810768C1

VALVE

- inflation

2шт.

30

549838R1

BRACKET

- hitch

1шт.

31

413-1240

BOLT,Hex, 3/4" - 10 x 2-1/2", Gr 5

Hex, 3/4"-10 x 2-1/2", G5

4шт.

32

492-11075

LOCK WASHER,3/4"

3/4"

4шт.

33

425-1012

NUT,3/4"-10, G5

- hex, 3/4 inch NC

4шт.

34

549841R1

TUBE

- hitch

1шт.

35

473865R91

LINCH PIN

PIN - cotter, hair

1шт.

36

493990R2

PIN

- headed, 3/4 inch diameter, transport hitch

2шт.

38

58231C1

STAND

- parking

1шт.

39

REF

INSTRUCTION

SPINDLE - spreader, endwise transport, Category III (Shown)(See Page 9-27)

1шт.

39

REF

INSTRUCTION

SPINDLE - spreader, endwise transport, Category III (Shown)(See Page 9-27)

1шт.

44

1284374C1

REFLECTOR,Reflector Red

- red

2шт.

45

1284365C2

REFLECTOR

- amber

1шт.

23

132-56

COTTER PIN,Ext Prong Sq Cut, 1/8" x 2"

Pin, Split (Cotter), 1/8" x 2"

2шт.

Выбрано товаров: 34