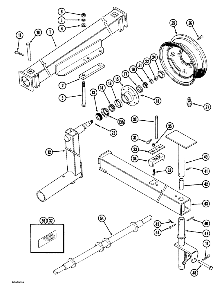
Запчасти Case IH 900 (9-044) - ENDWISE TRANSPORT ATTACHMENT, PLATE MOUNTED, 8 ROW WIDE (09) - CHASSIS/ATTACHMENTS

Схема запчастей Case IH 900 - (9-044) - ENDWISE TRANSPORT ATTACHMENT, PLATE MOUNTED, 8 ROW WIDE (09) - CHASSIS/ATTACHMENTS
42
10
3
47
19
13
36
33
37
27
4
12
31
21
17
45
32
41
6
35
13a
48
11
11
2
15
54
5
46
18
22
23
25
16
40
43
26
44
1
24
14
34
38
FIT
1:1
100%

Артикул

Название

Примечание

Количество

1

145020C1

TUBE,850 mm Length

- transport

1шт.

2

1264004C3

SUPPORT

BAR - support strap

2шт.

3

326-14152

BOLT,Hex, 7/8" - 9 x 9-1/2", Gr 8

- hex, 7/8 NC x 9-1/2 inch, grade 8

4шт.

4

496-21094

WASHER,23.82mm ID x 44.45mm OD x 4.85mm Thk

4шт.

5

492-11088

LOCK WASHER,7/8"

7/8"

4шт.

6

329-1014

NUT,7/8"-9, G8

4шт.

10

541769R1

PIN

- headed, 7/8 inch diameter

2шт.

11

1978738C1

HAIR PIN COTTER

3/16"

3шт.

12

145023C4

AXLE HOUSING

AXLE - wheel

2шт.

13

594702R91

SEAL

- oil

2шт.

13a

594703R1

SLEEVE

RING - wear, 1/2 inch wide

2шт.

14

663557R91

BEARING ASSY,1.625" ID x 2.892" OD x 0.77"

CONE - tapered roller bearing, 1-5/8 inch ID, inner

2шт.

15

606468R21

HUB

ASSEMBLY - wheel, 6 bolt

2шт.

16

663558R1

BEARING CUP

CUP - tapered roller bearing, 2-57/64 inch OD, inner

2шт.

17

651817R1

BEARING CUP

CUP - tapered roller bearing, outer

2шт.

18

219-87

LUBE NIPPLE,1/4" - 28 NPTF

NIPPLE, LUBE, 1/4"-28 x .56" lg, Self-Tap

2шт.

19

651818R91

ROLLER BEARING,31.77 mm ID x 16.08 mm

CONE - tapered roller bearing, outer

2шт.

22

70120D

SLOTTED NUT,7/8"-14

NUT - hex, slotted, special, 7/8 inch NC

2шт.

24

663906R1

CAP

- wheel hub

2шт.

25

481344R91

WHEEL

- 356 (14) x 203 mm (8 inch) (For 9.5L x 14 tire)

2шт.

26

549962R1

BOLT,1 1/2" - 20 x 1 1/2", Class 3

- hex conical, 1/2 NF x 1-5/32 inch

12шт.

27

810768C1

VALVE

- inflation

2шт.

30

147460C1

PIN,19.05mm OD x 254.26mm L

- hitch, 3/4 inch

1шт.

31

1980543C1

HAIR PIN COTTER

PIN - cotter, hair, 5/32 inch diameter

1шт.

32

433-828

CARRIAGE BOLT,Sq Nk, 1/2" - 13 x 1 3/4", Gr 5

BOLT - carriage, 1/2 NC x 1-3/4 inch

2шт.

33

149431C2

BAR

SPACER - bar

1шт.

34

1250714C1

BLOCK

- stop

1шт.

35

231-5148

FLANGE NUT,Flg, USR, 1/2"-13

2шт.

36

1284374C1

REFLECTOR,Reflector Red

- red

2шт.

37

1284365C2

REFLECTOR

- amber

1шт.

40

149405C1

STAND

- parking

1шт.

41

38-32432

PIN,3/8" x 2", Coiled

1шт.

42

149407C1

ROD

- support stand

1шт.

43

141414C3

TUBE,153 mm Length

- transport hitch

1шт.

44

22775R1

PIN

- headed, 3/8 x 2-1/2 inch

1шт.

45

586591R1

COTTER PIN

PIN - cotter, hair, 1/8 inch

1шт.

46

38-32448

PIN,3/8" x 3", Coiled

1шт.

47

149408C2

PIVOT

- clevis

1шт.

48

542319R1

PIN

- headed, 3/4 x 6 inch

1шт.

54

REF

INSTRUCTION

SPINDLE - spreader, endwise transport, Category III (Shown)(See Page 9-27)

1шт.

54

REF

INSTRUCTION

SPINDLE - spreader, endwise transport, Category III (Shown)(See Page 9-27)

1шт.

23

132-56

COTTER PIN,Ext Prong Sq Cut, 1/8" x 2"

Pin, Split (Cotter), 1/8" x 2"

2шт.

Выбрано товаров: 0