Запчасти Case IH 900 (9-064) - ASSIST WHEEL, CYCLO AIR HORIZONTAL FOLDING, ALL ROW SIZES (09) - CHASSIS/ATTACHMENTS

Схема запчастей Case IH 900 - (9-064) - ASSIST WHEEL, CYCLO AIR HORIZONTAL FOLDING, ALL ROW SIZES (09) - CHASSIS/ATTACHMENTS
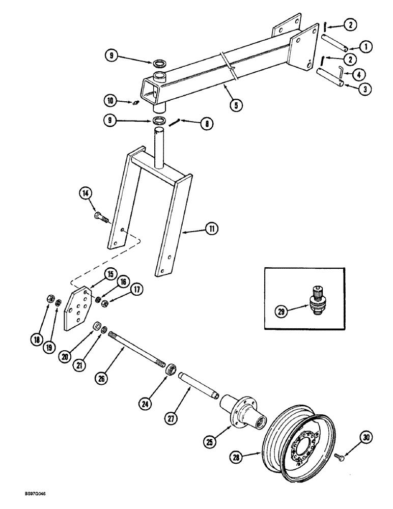
1
2
29
18
25
15
10
30
4
14
9
28
2
11
20
5
21
8
9
19
24
17
3
26
16
27
FIT
1:1
100%

Артикул

Название

Примечание

Количество

1

1268287C1

PIN

- upper link, 1 x 7-9/32 inch

1шт.

2

432-2430

COTTER PIN,3/8" x 1 7/8"

Pin, Split (Cotter), 3/8" x 1 7/8"

3шт.

3

1268286C1

PIN

- lower link, 1-1/4 x 7-9/32 inch

1шт.

4

813175C2

LOCK PIN,9.5mm OD

PIN - special, lower link

1шт.

5

1279658C1

TUBE,1834 mm Length

- assist wheel

1шт.

8

432-2448

COTTER PIN,3/8" x 3"

Pin, Split (Cotter), 3/8" x 3"

1шт.

9

495-81098

WASHER,2 1/32" x 2 3/4" x .120"

- flat, 2-1/32 x 2-3/4 x 3/32 inch

2шт.

10

219-10

LUBE NIPPLE,1/4" - 28 NPTF

FITTING - grease, straight, 1/4-28 taper x 11/16 inch

1шт.

11

1279653C1

ARM ASSY.

ARM - assist wheel

1шт.

14

413-1240

BOLT,Hex, 3/4" - 10 x 2-1/2", Gr 5

Hex, 3/4"-10 x 2-1/2", G5

4шт.

15

1279656C1

PLATE

- wheel mounting

2шт.

16

492-11075

LOCK WASHER,3/4"

3/4"

4шт.

17

425-1012

NUT,3/4"-10, G5

- hex, 3/4 inch NC

4шт.

18

425-1016

NUT,1"-8, G5

- hex, 1 inch NC

2шт.

19

492-11100

LOCK WASHER,1"

1"

2шт.

20

1279657C1

SPACER

- wheel

2шт.

21

495-81069

WASHER,1-1/32" ID x 1-1/2" OD x 3/50" Thk

- flat, 1-1/32 x 1-1/2 x 1/16 inch

2шт.

24

1973497C1

BALL BEARING,30mm ID x 62mm OD x 24mm W

BEARING - ball

2шт.

25

541757R1

HUB

- wheel

1шт.

26

541759R3

ROD

- axle

1шт.

27

541758R1

TUBE

- spacer, axle rod

1шт.

28

1277504C1

RIM

WHEEL - 15 (381) x 10 inch (254 mm) (For 12.5L x 15, 8-ply tire)

1шт.

29

810769C1

VALVE

- inflation, steel

1шт.

30

549962R1

BOLT,1 1/2" - 20 x 1 1/2", Class 3

- hex conical, 1/2 NF x 1-5/32 inch

6шт.

Выбрано товаров: 0