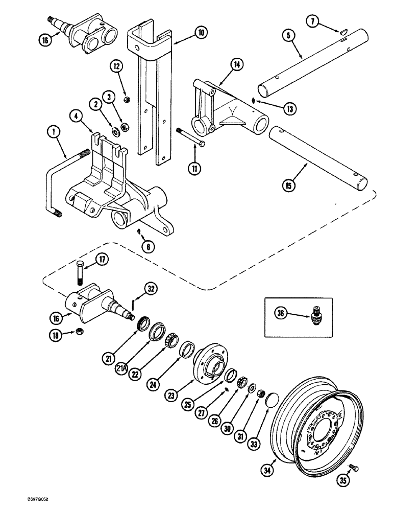
Запчасти Case IH 900 (9-078) - STEERING WHEELS, CYCLO AIR HORIZONTAL FOLDING, ALL ROW SIZES (09) - CHASSIS/ATTACHMENTS

Схема запчастей Case IH 900 - (9-078) - STEERING WHEELS, CYCLO AIR HORIZONTAL FOLDING, ALL ROW SIZES (09) - CHASSIS/ATTACHMENTS
2
30
36
1
21a
24
5
16
4
14
16
18
31
33
21
17
25
34
15
26
10
3
7
12
27
35
32
13
11
23
22
6
FIT
1:1
100%

Артикул

Название

Примечание

Количество

1

1268102C1

CLAMP,7/8" - 9 x 235mm

- wheel support clamp

4шт.

2

396-31094

WASHER,15/16" x 1 3/4" x .219", HDN

- flat, 15/16 x 1-3/4 x 7/32 inch, hardened

8шт.

3

425-1014

NUT,7/8"-9, G5

NUT, 7/8"-9, G5

8шт.

4

1250861C2

SUPPORT

- wheel pivot

2шт.

5

1250867C2

SHAFT

- pivot

2шт.

6

219-57

LUBE NIPPLE,90 Degree Elbow, 1/4" - 28 NPTF

FITTING - grease, 90 degree, 1/4-28 taper x 3/4 inch

2шт.

7

117997

WOODRUFF KEY,#25, 5/16" x 1 1/2", HT

2шт.

10

1250865C2

BRACKET

- cylinder anchor

2шт.

11

413-1096

BOLT,Hex, 5/8" - 11 x 6", Gr 5

- hex, 5/8 NC x 6 inch

4шт.

12

232-41110

NUT,5/8"-11, GC

NUT, LOCK, 5/8"-11, GC

4шт.

13

219-8

LUBE NIPPLE,1/4" - 28 NPTF

NIPPLE, LUBE, , straight, taper 1/4"-28 NPT x .54" lg

4шт.

14

1250866C3

BRACKET

- axle support

2шт.

15

1250869C1

ROD

SHAFT - axle

2шт.

16

97551C2

SPINDLE

- outboard, right-hand (Shown)

2шт.

16

97550C2

HALF SHAFT

SPINDLE - outboard, left-hand

2шт.

17

413-1264

BOLT,Hex, 3/4" - 10 x 4", Gr 5

- hex, 3/4 NC x 4 inch

4шт.

18

232-41112

NUT,3/4"-10, GC

NUT, LOCK, 3/4"-10, GC

4шт.

21

594702R91

SEAL

- oil

4шт.

21a

594703R1

SLEEVE

RING - wear, 1/2 inch wide

4шт.

22

663557R91

BEARING ASSY,1.625" ID x 2.892" OD x 0.77"

CONE - tapered roller bearing, 1-5/8 inch ID, inner

4шт.

23

606468R21

HUB

ASSEMBLY - wheel, 6 bolt

4шт.

24

663558R1

BEARING CUP

CUP - tapered roller bearing, 2-57/64 inch OD, inner

4шт.

25

651817R1

BEARING CUP

CUP - tapered roller bearing, outer

4шт.

26

651818R91

ROLLER BEARING,31.77 mm ID x 16.08 mm

CONE - tapered roller bearing, outer

4шт.

27

219-87

LUBE NIPPLE,1/4" - 28 NPTF

NIPPLE, LUBE, 1/4"-28 x .56" lg, Self-Tap

4шт.

30

469873R1

WASHER,23.01mm ID x 44.45mm OD x 3.05mm Thk

- flat, special, hardened

4шт.

31

70120D

SLOTTED NUT,7/8"-14

NUT - hex, slotted, special, 7/8 inch NC

4шт.

33

663906R1

CAP

- wheel hub

4шт.

34

481344R91

WHEEL

- 356 (14) x 203 mm (8 inch) (For 9.5L x 14 high flotation tire)

4шт.

35

549962R1

BOLT,1 1/2" - 20 x 1 1/2", Class 3

- hex conical, 1/2 NF x 1-5/32 inch

24шт.

36

810768C1

VALVE

- inflation

4шт.

32

132-56

COTTER PIN,Ext Prong Sq Cut, 1/8" x 2"

Pin, Split (Cotter), 1/8" x 2"

4шт.

Выбрано товаров: 0