Запчасти Case IH 900 (9-184) - PRESS WHEEL AND COVERING DISC, PLATE TYPE UNIT PLANTER WITH PRESS WHEEL DRIVE ROW UNITS (09) - CHASSIS/ATTACHMENTS

Схема запчастей Case IH 900 - (9-184) - PRESS WHEEL AND COVERING DISC, PLATE TYPE UNIT PLANTER WITH PRESS WHEEL DRIVE ROW UNITS (09) - CHASSIS/ATTACHMENTS
48
4
21
27
33
14
5
34
11
24
54
26
15
3
25
45
44
22
55
48
50
24
23
23
35
52
7
6
12
47
58
20
36
18
33
1
8
53
40
2
37
51
10
41
9
44
58
14
34
38
17
38
26
13
41
49
16
35
3
39
FIT
1:1
100%

Артикул

Название

Примечание

Количество

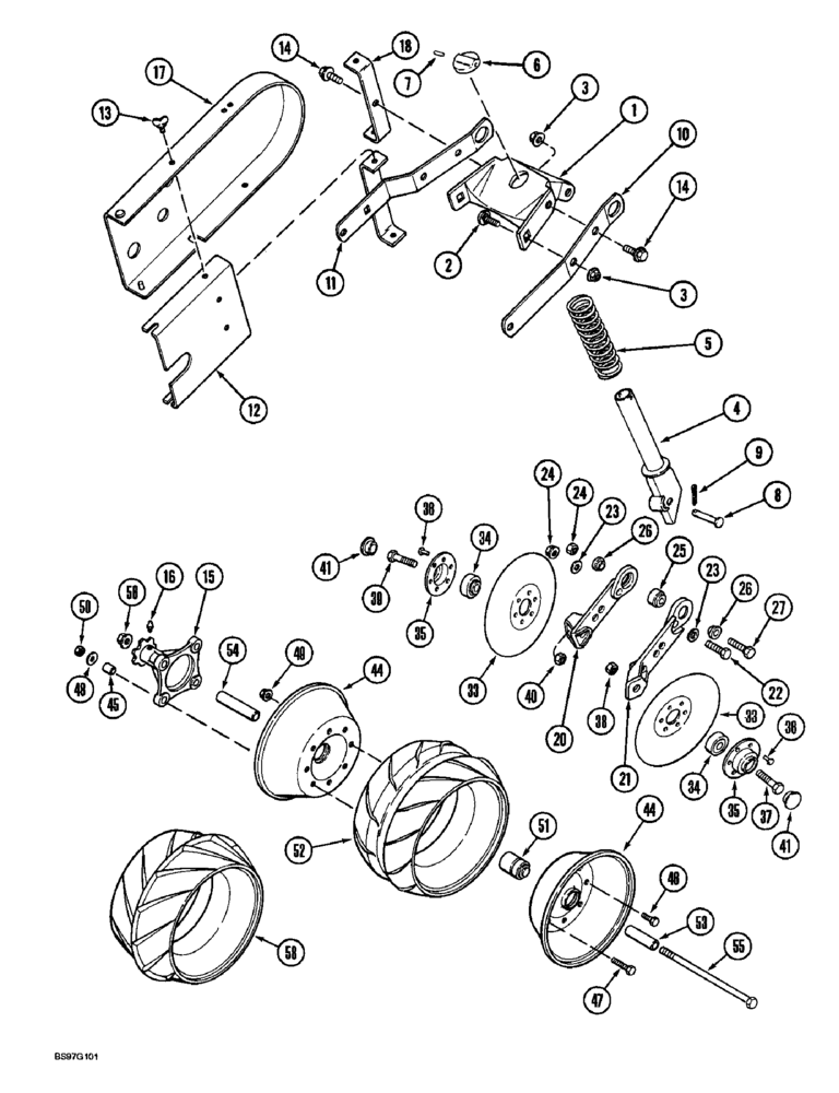
1

1254337C1

SUPPORT

- spring anchor

1шт.

2

412-618

CARRIAGE BOLT,Short Sq Nk, 3/8" - 16 x 1 1/8" , Gr 2

BOLT - carriage, 3/8 NC x 1-1/8 inch, grade 2

3шт.

3

231-5146

FLANGE NUT,3/8"-16

3шт.

4

1250875C2

TUBE,205, 47 mm Length

GUIDE - spring

1шт.

5

1264391C1

SPRING

- covering (minimum tillage application only)

1шт.

5

1263863C1

SPRING

- covering

1шт.

6

1338485C1

COLLAR

- guide (Replaces 97558C1)

1шт.

7

38-31212

PIN,3/16" x 3/4", Coiled

2шт.

8

439-5632

HEADED PIN,3/8" x 2", G2

PIN - headed, 3/8 x 2 inch

1шт.

9

432-816

COTTER PIN,1/8" x 1"

1/8" x 1"

1шт.

10

1254320C1

SUPPORT

- press wheel arm, right-hand

1шт.

11

1254338C1

ARM

SUPPORT - press wheel arm, left-hand

1шт.

12

1261595C1

CHANNEL

GUARD - chain

1шт.

13

62372C1

THUMB SCREW

- thumb, 1/4 x 1/2 inch

1шт.

14

196471C1

BOLT,Hex, 3/8" - 16 x 1 1/4"

- hex flange, 3/8 NC x 1-1/4 inch

2шт.

15

NSS

NOT SOLD SEPARAT

SPROCKET - drive, 7 tooth (Order 1279254C91 kit)

1шт.

484060R1

BUSHING

- drive sprocket

1шт.

16

219-8

LUBE NIPPLE,1/4" - 28 NPTF

NIPPLE, LUBE, , straight, taper 1/4"-28 NPT x .54" lg

1шт.

17

1261596C1

COVER

- chain guard

1шт.

18

1254340C1

CHANNEL

BRACKET - chain guard

1шт.

20

1279520C1

ARM

- pivot, short

1шт.

21

1279519C2

ARM

- pivot, long

1шт.

22

413-624

BOLT,Hex, 3/8" - 16 x 1-1/2", Gr 5

- hex, 3/8 NC x 1-1/2 inch

2шт.

23

495-81153

WASHER,.469" x 3/4" x .030"

- flat, 15/32 x 3/4 x 1/32 inch

2шт.

24

232-4136

LOCK NUT,3/8"-16, GC

NUT, LOCK, 3/8"-16, GC

1шт.

25

149261C91

BALL BEARING,16mm ID x 40mm OD x 18mm W

BEARING - ball

1шт.

26

1279478C1

BUSHING,9.65mm ID x 24mm OD x 13mm L

- spacer

2шт.

27

326-632

BOLT,Hex, 3/8" - 16 x 2", Gr 8

1шт.

1277891C91

DISC

ASSEMBLY - covering

2шт.

33

1263938C1

DISC

- covering

1шт.

34

1268017C91

BALL BEARING,15.9mm ID x 45.23mm OD x 18.67mm W

- ball

1шт.

34

1268017C91GV

BEARING

Value, Ball Bearing

1шт.

35

149170C2

FLANGED BEARING

- bearing

2шт.

36

447-48

RIVET,FH, 1/4" x 1/2"

- flat head, 1/4 x 1/2 inch

12шт.

37

413-1028

BOLT,Hex, 5/8" - 11 x 1-3/4", Gr 5

- hex, 5/8 NC x 1-3/4 inch

1шт.

38

232-41110

NUT,5/8"-11, GC

NUT, LOCK, 5/8"-11, GC

1шт.

39

413-1028

BOLT,Hex, 5/8" - 11 x 1-3/4", Gr 5

- hex, 5/8 NC x 1-3/4 inch

1шт.

40

232-41110

NUT,5/8"-11, GC

NUT, LOCK, 5/8"-11, GC

1шт.

41

492709R2

CAP

- bearing

2шт.

44

149148C1

RIM

- press wheel

2шт.

45

1277909C1

SPACER

- shield

4шт.

46

413-512

BOLT,Hex, 5/16" - 18 x 3/4", Gr 5

- hex, 5/16 NC x 3/4 inch

4шт.

47

413-522

BOLT,Hex, 5/16" - 18 x 1-3/8", Gr 5

- hex, 5/16 NC x 1-3/8 inch

4шт.

48

28588R1

WASHER

- flat, 11/32 x 11/16 x 3/64 inch

4шт.

49

231-5145

SERRATED NUT,Flg, USR, 5/16"-18

NUT - hex serrated flange, 5/16 inch NC

4шт.

50

231-1435

LOCK NUT,5/16"-18, GB

NUT - hex, self-locking, 5/16 inch NC

4шт.

51

140393C91

BALL BEARING,0.7465" ID x 1.5" OD x 2.5"

- ball

1шт.

52

90855C1

TYRE/TIRE

TIRE - press wheel, dual rib

1шт.

53

149221C1

SPACER

- press wheel

1шт.

54

1279043C1

SPACER

- press wheel axle

1шт.

55

413-8168

BOLT,Hex, 1/2" - 13 x 10-1/2", Gr 5

- hex, 1/2 NC x 10-1/2 inch (Replaces 1261196C1)

1шт.

56

231-5148

FLANGE NUT,Flg, USR, 1/2"-13

1шт.

1279254C91

PACKAGE

KIT - drive sprocket

1шт.

58

90854C1

TYRE/TIRE

TIRE - press wheel, single rib

1шт.

Выбрано товаров: 54