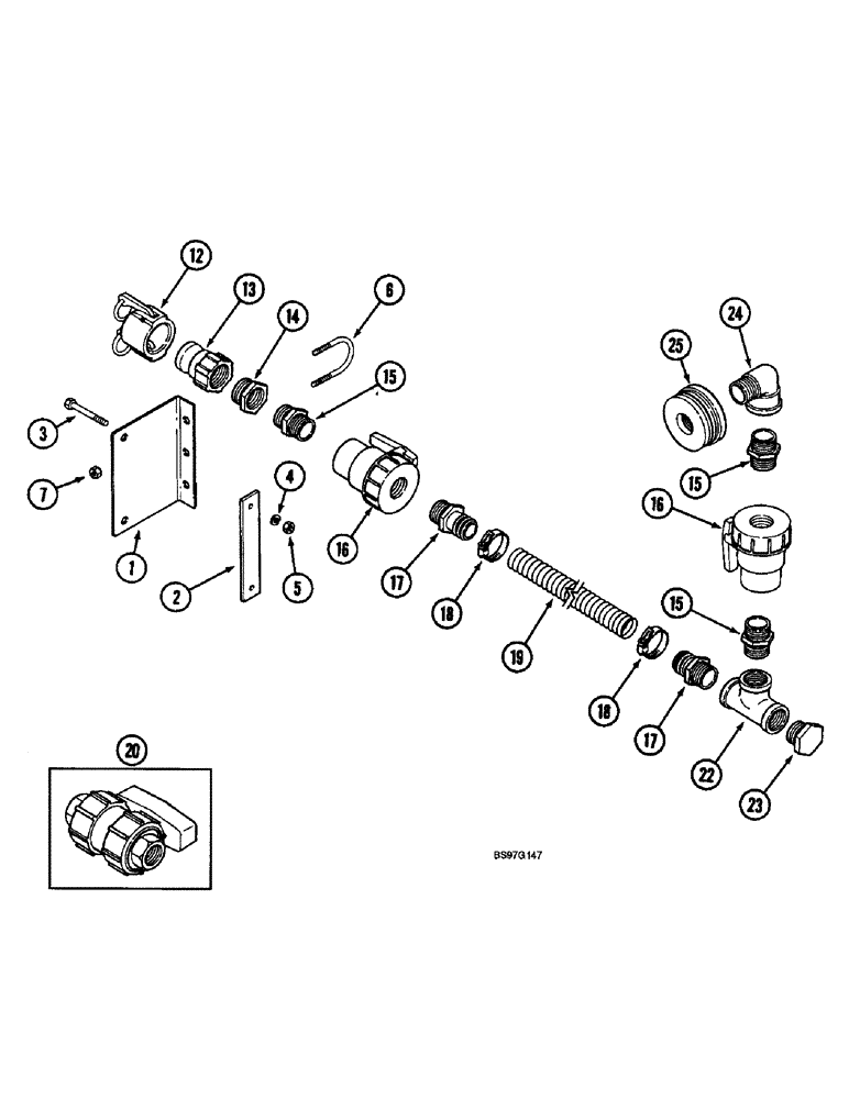
Запчасти Case IH 900 (9-280) - LIQUID FERTILIZER CENTRAL FILL SYSTEM, CYCLO AIR & PLATE TRAILING, ALL ROW SIZES (09) - CHASSIS/ATTACHMENTS

Схема запчастей Case IH 900 - (9-280) - LIQUID FERTILIZER CENTRAL FILL SYSTEM, CYCLO AIR & PLATE TRAILING, ALL ROW SIZES (09) - CHASSIS/ATTACHMENTS
6
13
15
15
14
5
2
4
18
20
16
15
25
24
12
7
23
22
17
1
17
3
16
18
19
FIT
1:1
100%

Артикул

Название

Примечание

Количество

1

1995502C1

BRACKET

- mounting (Replaces 1337550C1)

1шт.

2

1261430C1

BAR

PLATE - backup, includes decal

1шт.

3

413-648

BOLT,Hex, 3/8" - 16 x 3", Gr 5

2шт.

4

492-11038

LOCK WASHER,3/8"

2шт.

5

425-106

NUT,3/8"-16, Cl 5

2шт.

6

1264087C1

U-BOLT

UR .313 2.188W 3.13D

1шт.

7

425-105

NUT,5/16"-18, G5

- hex, 5/16 inch NC

2шт.

12

1264066C1

CAP

COVER - dust

1шт.

13

1264069C1

FITTING

ADAPTER - straight

1шт.

14

1264071C1

FITTING

REDUCER - hex, special, to 1-1/4 inch

1шт.

15

1264070C1

FITTING

NIPPLE - straight, special

3шт.

16

1980002C1

VALVE,1-1/4" Single Union Poly Valve

- shutoff

2шт.

17

1264072C1

FITTING

- barbed, straight, special

2шт.

18

214-1424

HOSE CLAMP,#24, 1.06" - 2", Type F Worm

CLAMP, HOSE, , Adjustable #24, 1.06/2.00 Type F Worm

2шт.

19

NSS

NOT SOLD SEPARAT

HOSE - fill (Order 1264065C1 and, Serial Range: cut-length)

1шт.

20

1954828C1

VALVE, CHECK

VALVE - water, shutoff (If equipped)

2шт.

22

1264067C1

FITTING

TEE - female, special

1шт.

23

1254380C2

PLUG,Hex Hd, 1 1/4" NPT, Nylon

- hex, special (If equipped)

1шт.

24

1264068C1

ELBOW

- 90 degree, special

1шт.

25

1254377C1

FITTING

- nylon, 4 piece, special

1шт.

Выбрано товаров: 0