Запчасти Case IH 900 (9-294) - COU-TILL ATTACHMENT, CYCLO AIR & PLATE TRAILING, ALL ROW SIZES (09) - CHASSIS/ATTACHMENTS

Схема запчастей Case IH 900 - (9-294) - COU-TILL ATTACHMENT, CYCLO AIR & PLATE TRAILING, ALL ROW SIZES (09) - CHASSIS/ATTACHMENTS
3
42
37
9
6
35
31
22
8
52
23
1
38
16
2
5
51
33
30
38
15
19
39
34
29
46
36
7
39
26
48
25
4
32
24
50
20
18
10
17
47
14
21
FIT
1:1
100%

Артикул

Название

Примечание

Количество

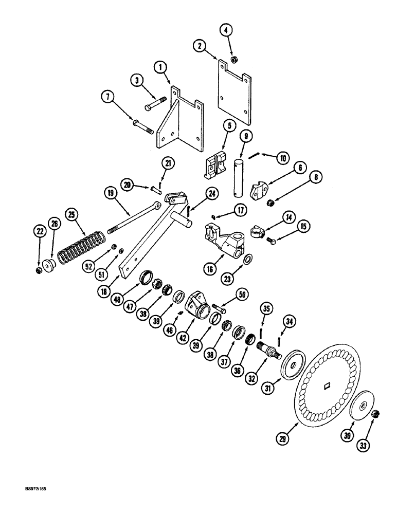
1

1254262C3

BRACKET

- head, left-hand

1шт.

1

1254263C3

BRACKET

- head, right-hand (Shown)

1шт.

2

1254135C1

PLATE

- head bracket

2шт.

3

413-1064

BOLT,Hex, 5/8" - 11 x 4", Gr 5

- hex, 5/8 NC x 4 inch

8шт.

4

232-51310

FLANGE NUT,Flg, USR, 5/8"-12

- hex serrated flange, 5/8 inch NC, grade 8

8шт.

5

1254269C1

CLAMP

- coulter

2шт.

6

524492R1

CLAMP

CAP - coulter clamp, one shank

2шт.

7

413-1060

BOLT,Hex, 5/8" - 11 x 3-3/4", Gr 5

- hex, 5/8 NC x 3-3/4 inch

4шт.

8

232-51310

FLANGE NUT,Flg, USR, 5/8"-12

- hex serrated flange, 5/8 inch NC, grade 8

4шт.

9

1254137C1

PIN

- coulter shank

2шт.

10

432-2036

COTTER PIN,5/16" x 2 1/4"

Pin, Split (Cotter), 5/16" x 2 1/4"

4шт.

14

523345R21

COLLAR CLAMP

COLLAR ASSEMBLY - stop

2шт.

15

85-820

SET SCREW,Sq Hd, 1/2"-13 x 1 1/4"

SCREW - set, square head, 1/2 NC x 1-1/4 inch, cup point

1шт.

16

492815R3

BUSHING

- special

2шт.

17

86636814

LUBE NIPPLE,1/4"-28 x .52" lg

FITTING - grease, straight, 1/4-28 special threads x 1/2 inch

2шт.

18

492812R1

ARM

- coulter

2шт.

19

480344R1

EYEBOLT,Spring, 5/8" - 11 x 299.70mm

- 5/8 inch NC

2шт.

20

439-1828

HEADED PIN,1/2" x 1 3/4"

PIN - headed, 1/2 x 1-3/4 inch, grade 2

2шт.

21

432-1216

COTTER PIN,3/16" x 1"

2шт.

22

231-14110

LOCK NUT,5/8"-11, GB

NUT - hex, self-locking, 5/8 inch NC

2шт.

23

495-21138

WASHER,1 1/4"

- flat, 1-3/8 x 3 x 5/32 inch

2шт.

24

432-1632

COTTER PIN,1/4" x 2"

Pin, Split (Cotter), 1/4" x 2"

2шт.

25

487698R1

SPRING

- cushion

2шт.

26

487697R1

CENTERING RING

RETAINER - spring

2шт.

29

469191R3

BLADE

DISK - coulter, rippled edge, 17 inch

2шт.

30

523021R2

SUPPORT ASSY.

SUPPORT - disk, outside

2шт.

31

523020R3

SUPPORT ASSY.

SUPPORT - disk, inside

2шт.

549827R92

HUB CAP

SPINDLE ASSEMBLY - coulter, right-hand

1шт.

32

541480R1

SPINDLE

- coulter

2шт.

33

425-1314

SLOTTED NUT,7/8"-14, G5

NUT - hex, slotted, 7/8 inch NF

2шт.

34

432-1224

COTTER PIN,3/16" x 1-1/2"

3/16" x 1 1/2"

2шт.

36

472221R91

SEAL,39.57mm ID x 58.6mm OD x 7.37mm Thk

- oil

2шт.

37

472222R1

SLEEVE

- oil seal

2шт.

38

651818R91

ROLLER BEARING,31.77 mm ID x 16.08 mm

CONE - tapered roller bearing

4шт.

39

651817R1

BEARING CUP

CUP - tapered roller bearing

4шт.

42

541482R1

BEARING HOUSING,2.3275" ID x 3" OD x 2.44"

HOUSING - bearing, right-hand

2шт.

46

219-43

LUBE NIPPLE,65 Degree Elbow, 1/4" - 28 NPTF

FITTING - grease, 65 degree, 1/4-28 taper x 3/4 inch

2шт.

47

519250R1

SLOTTED NUT

- hex, slotted, 1-1/4 inch NF

2шт.

48

518842R1

CAP

- hub

1шт.

50

413-840

BOLT,Hex, 1/2" - 13 x 2-1/2", Gr 5

- hex, 1/2 NC x 2-1/2 inch

4шт.

51

80679

LOCK WASHER,1/20.507 CST ZND

WASHER, LOCK, 1/2"

4шт.

52

425-108

NUT,1/2" - 13, Gr 5

NUT, , Hex 1/2"-13, G5

4шт.

35

132-56

COTTER PIN,Ext Prong Sq Cut, 1/8" x 2"

Pin, Split (Cotter), 1/8" x 2"

2шт.

Выбрано товаров: 0