Запчасти Case IH 900 (8-140) - BLOWER HYDRAULIC PUMP, 54O RPM PTO, CYCLO AIR PLANTERS, 4, 6 AND 8 ROW (08) - HYDRAULICS

Схема запчастей Case IH 900 - (8-140) - BLOWER HYDRAULIC PUMP, 54O RPM PTO, CYCLO AIR PLANTERS, 4, 6 AND 8 ROW (08) - HYDRAULICS
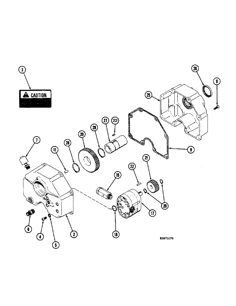
4
2
27
17
25
5
28
22
19
6
29
18
9
11
7
3
8
21
26
22
20
28
FIT
1:1
100%

Артикул

Название

Примечание

Количество

149367C91

PUMP

ASSEMBLY - hydraulic

1шт.

2

149374C91

HOUSING

ASSEMBLY - front, includes decal

1шт.

3

145167C1

DECAL

- Caution, when this unit is removed

1шт.

4

61-33814

HEX SOC SCREW,3/8" - 16 x 7/8"

BOLT - hex socket, 3/8 NC x 7/8 inch

4шт.

5

125003H1

DISC

WASHER - sealing

4шт.

6

218-456

HYD CONNECTOR,3/4" - 16 Male JIC x 1/2" - 14 Male NPTF

ADAPTER - straight, 3/4-16 flare x 1/2 inch PT

1шт.

7

64666C2

BREATHER

- pump

1шт.

8

64660C2

GASKET

GASKET - housing

1шт.

9

281-14816

SELF-TAP SCREW,HWH, 5/16" - 18 x 1"

SCREW - self-tapping, hex washer head, 5/16 NC x 1 inch

6шт.

11

NSS

NOT SOLD SEPARAT

PIN - dowel, 3/8 x 3/4 inch

1шт.

1282190C1

PIN

- hollow dowel, 3/8 x 39/64 inch

2шт.

231-5344

FLANGE NUT,Flg, 1/4"-20

NUT, LOCK, Flg, 1/4"-20

2шт.

17

64661C1

HYDRAULIC PUMP

PUMP - gear

1шт.

18

238-5214

O-RING,0.139" Thk x 0.984" ID, -214, Cl 5, 75 Duro

1шт.

19

64665C1

VALVE

- relief

1шт.

20

100-1175

SNAP RING,#75, Ext

Ring, Snap, #75, Ext

2шт.

21

64662C1

GEAR

- driven, 22 teeth

1шт.

22

Q53

KEY,1/4" Sq x 1", Par

2шт.

25

64658C91

HOUSING

ASSEMBLY - rear

1шт.

26

D56800

SEAL

- oil

1шт.

27

64664C1

SPLINED COUPLING

- pump

1шт.

28

103-11200

SNAP RING,#200, Ext

Ring, Snap, #200, Ext

2шт.

29

64663C1

GEAR

- drive, 48 teeth

1шт.

413-420

BOLT,Hex, 1/4" - 20 x 1-1/4", Gr 5

2шт.

Выбрано товаров: 24