Запчасти Case IH 950 (4-08) - LIGHTING SYSTEM, 8 ROW WIDE VERTICAL FOLD, 12 ROW NARROW VERTICAL FOLD (04) - ELECTRICAL SYSTEMS

Схема запчастей Case IH 950 - (4-08) - LIGHTING SYSTEM, 8 ROW WIDE VERTICAL FOLD, 12 ROW NARROW VERTICAL FOLD (04) - ELECTRICAL SYSTEMS
12
10
1
2
15
7
13
5
11
12
14
9
2
8
16
3
4
6
11
FIT
1:1
100%

Артикул

Название

Примечание

Количество

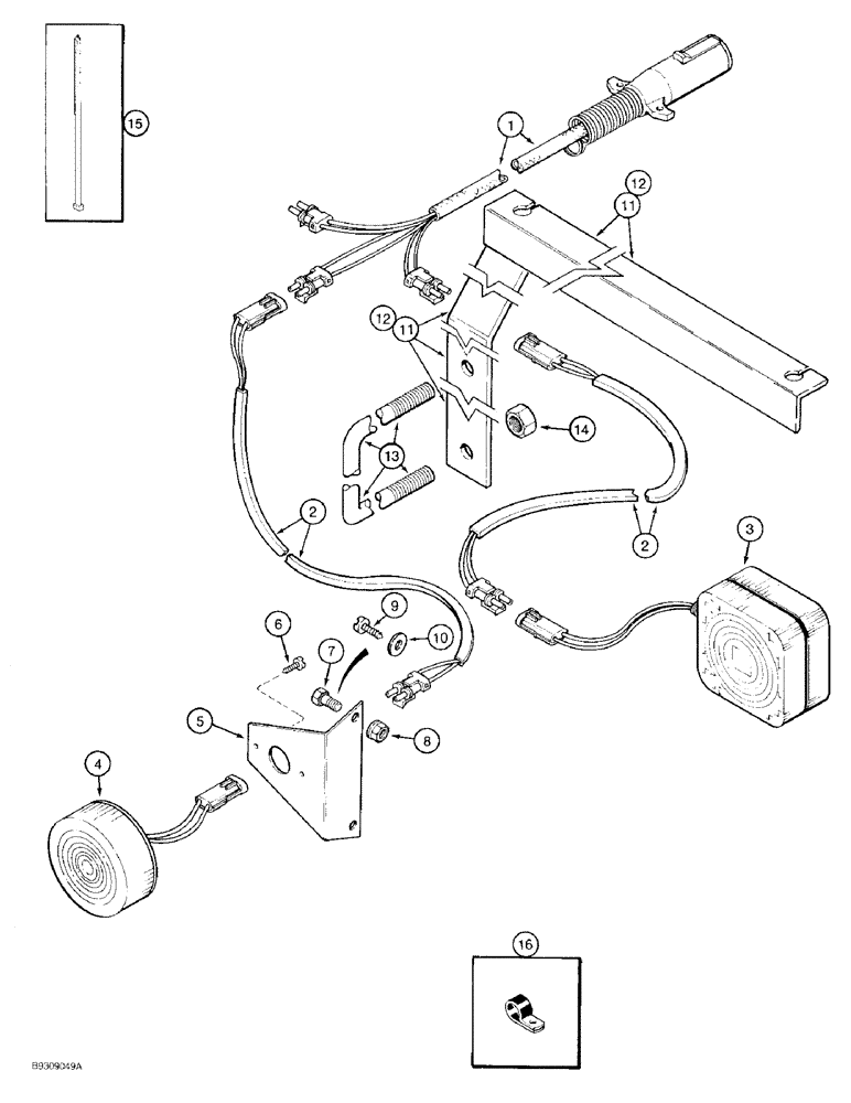
1

92091C2

HARNESS

- main

1шт.

2

92096C1

CABLE ASSY.

HARNESS - lamps

3шт.

3

91913C91

LIGHT

LAMP ASSEMBLY - warning/turn signal, parts list page 4-11

2шт.

4

91986C91

LIGHT

LAMP ASSEMBLY - tail, parts list page 4-11

1шт.

5

1333942C1

BRACKET

- tail lamp mounting

1шт.

6

280-14510

SELF-TAP SCREW,Hex Wash Hd, #10 x 5/8"

SCREW - self-tapping, hex head, No. 10-16 x 5/8 inch

2шт.

7

413-612

BOLT,Hex, 3/8" - 16 x 3/4", Gr 5

for SMV bracket mounting Hex, 3/8"-16 x 3/4", G5, Full Thd

2шт.

8

231-5146

FLANGE NUT,3/8"-16

for SMV bracket mounting Flg, USR, 3/8"-16

2шт.

9

276-14810

SELF-TAP SCREW,Hex Hd, 5/16" x 5/8"

SCREW - self-tapping, hex head, 5/16 NC x 5/8 inch, for module mounting

2шт.

10

495-11034

WASHER,5/16", SAE

5/16" SAE (flat, 11/32 x 11/16 x 1/16")

2шт.

11

1333945C3

BRACKET

- lamp support, right-hand

1шт.

12

1333944C3

BRACKET

- lamp support, left-hand

1шт.

13

1250813C1

U-BOLT

- 5/8 inch NC

2шт.

14

425-1010

NUT,5/8"-11, G5

4шт.

15

386170C1

CABLE TIE,.30" x 27 1/2"

STRAP - retaining, 28-1/4 inch

6шт.

16

384557R1

CLIP

- harness retaining

2шт.

Выбрано товаров: 16