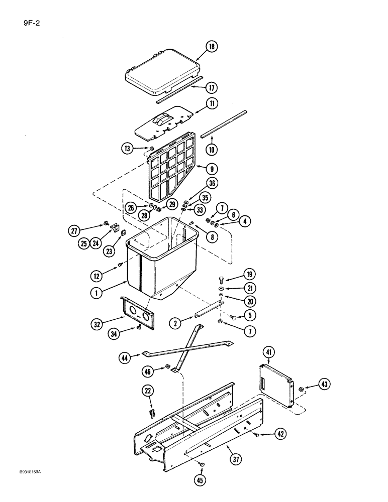
Запчасти Case IH 950 (9F-02) - GRANULAR CHEMICAL HOPPER AND SUPPORT (09) - CHASSIS/ATTACHMENTS

Схема запчастей Case IH 950 - (9F-02) - GRANULAR CHEMICAL HOPPER AND SUPPORT (09) - CHASSIS/ATTACHMENTS
41
19
13
1
28
6
26
37
9
24
23
44
32
33
42
27
5
22
29
7
10
34
7
36
43
17
35
25
20
21
2
12
45
11
46
18
4
8
FIT
1:1
100%

Артикул

Название

Примечание

Количество

1

134251C1

HOPPER

- granular chemical

1шт.

2

134327C2

ANGLE

SUPPORT - hopper, right-hand

1шт.

2

134326C2

ANGLE

SUPPORT - hopper, left-hand, not shown

1шт.

4

134289C1

RUBBER WASHER

- hopper support rubber

4шт.

5

412-512

CARRIAGE BOLT,Short Sq Nk, 5/16" - 18 x 3/4", Gr 2

BOLT - carriage, 5/16 NC x 3/4 inch, grade 2

4шт.

6

495-81117

WASHER,.344" x 1" x .120"

- flat, 11/32 x 1 x 7/64 inch

4шт.

7

231-5145

SERRATED NUT,Flg, USR, 5/16"-18

NUT - hex serrated flange, 5/16 inch NC

6шт.

8

1261242C2

PLUG

- hopper hole (Use when divider is removed)

2шт.

9

149576C3

DIVIDER

ASSEMBLY - hopper

1шт.

10

NSS

NOT SOLD SEPARAT

SEAL - hopper, 17-5/8 inch long, cut from 149577C2 bulk seal, see below

1шт.

11

NSS

NOT SOLD SEPARAT

COVER - divider (Order 149576C3)

1шт.

12

463-1108

SCREW,Hex Hd, #10-24 x 1/2"

- machine, hex, No. 10 NC x 1/2 inch

2шт.

13

445135

NUT

- hex, No. 10-24

2шт.

17

NSS

NOT SOLD SEPARAT

SEAL - hopper, 55-19/32 inch long, cut from 149577C2 bulk seal, see below

1шт.

18

134325C3

COVER

- hopper

1шт.

19

413-512

BOLT,Hex, 5/16" - 18 x 3/4", Gr 5

- hex, 5/16 NC x 3/4 inch

2шт.

20

1980665C1

WASHER

- flat, 11/32 x 1/2 x 9/64 inch

2шт.

21

495-21038

WASHER,5/16"

(flat, 3/8 x 7/8 x 5/64") 5/16"

2шт.

22

A33497

LINCH PIN,4.76mm OD Pin

PIN - clinch

1шт.

23

1254428C1

PAD

- hopper hinge

2шт.

24

141111C2

HINGE

- hopper cover, left-hand

1шт.

25

1254172C2

HINGE

- hopper cover, right-hand

1шт.

26

134291C1

WASHER,7.1mm ID x 14mm OD x 1.52mm Thk

- rubber

2шт.

27

470-11012

SCREW,Pan HD, #10 - 24 x 3/4"

- machine, pan head slotted, No. 10 NC x 3/4 inch

2шт.

28

495-31022

WASHER,#10

2шт.

29

231-51409

SERRATED NUT,Flg, USR, #10-24

2шт.

32

134353C1

SUPPORT

- hopper

1шт.

33

134289C1

RUBBER WASHER

- hopper bottom

2шт.

34

424-512

BOLT,Hex, 5/16" - 18 x 3/4", Gr 2

- hex, 5/16 NC x 3/4 inch, grade 2

2шт.

35

495-81117

WASHER,.344" x 1" x .120"

- flat, 11/32 x 1 x 7/64 inch

2шт.

36

231-5145

SERRATED NUT,Flg, USR, 5/16"-18

NUT - hex serrated flange, 5/16 inch NC

2шт.

37

1264327C5

FRAME ASSY

FRAME - hopper support

1шт.

434-616

CARRIAGE BOLT,Sht Sq Nk, 3/8" - 16 x 1", Gr 5

BOLT - carriage, 3/8 NC x 1 inch

6шт.

492-11038

LOCK WASHER,3/8"

6шт.

425-106

NUT,3/8"-16, Cl 5

6шт.

41

149183C1

SUPPORT

- hopper

1шт.

42

412-512

CARRIAGE BOLT,Short Sq Nk, 5/16" - 18 x 3/4", Gr 2

BOLT - carriage, 5/16 NC x 3/4 inch, grade 2

4шт.

43

231-5145

SERRATED NUT,Flg, USR, 5/16"-18

NUT - hex serrated flange, 5/16 inch NC

4шт.

44

1277831C1

SUPPORT

- frame

2шт.

45

413-612

BOLT,Hex, 3/8" - 16 x 3/4", Gr 5

4шт.

46

231-5146

FLANGE NUT,3/8"-16

4шт.

149577C2

SEALING STRIP

- bulk, 1 foot length of 50 foot roll, order by the foot, use to make items 10 and 17

1шт.

Выбрано товаров: 42