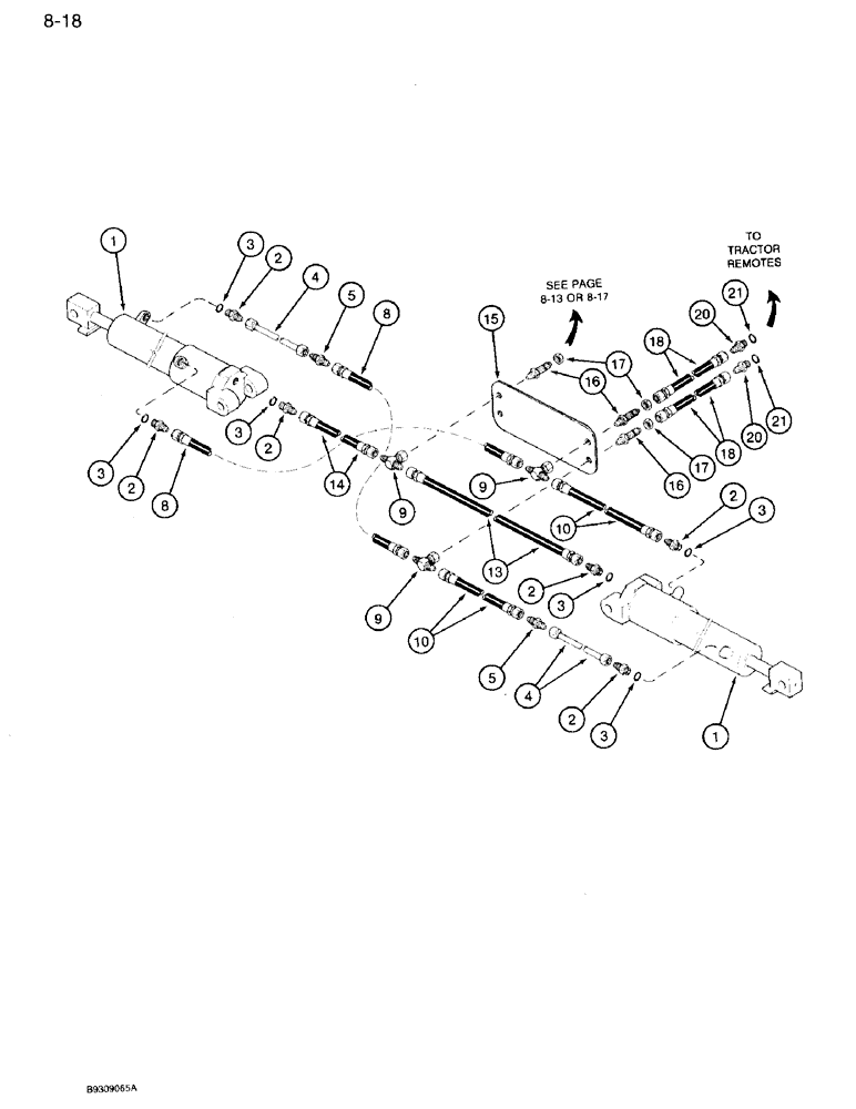
Запчасти Case IH 950 (8-18) - WING FRAME HYDRAULIC SYSTEM, 8 ROW WIDE AND 12 ROW NARROW, VERTICAL FOLD (08) - HYDRAULICS

Схема запчастей Case IH 950 - (8-18) - WING FRAME HYDRAULIC SYSTEM, 8 ROW WIDE AND 12 ROW NARROW, VERTICAL FOLD (08) - HYDRAULICS
5
10
3
2
3
14
16
9
18
1
4
15
17
5
2
8
3
16
20
2
18
2
21
1
9
20
8
10
3
3
13
21
2
4
9
2
17
3
FIT
1:1
100%

Артикул

Название

Примечание

Количество

1

113978C93

CYLINDER

ASSEMBLY - 3-1/2 ID x 12 stroke, two stage, wing lift (See page 8-33)

2шт.

2

218-5059

HYD CONNECTOR,3/4"-16, 37 Degree x 3/4"-16, O-Ring

ADAPTER - straight, 3/4-16 inch flare x O-ring boss

6шт.

3

237-6008

O-RING,0.087" Thk x 0.644" ID, -908, Cl 6, 90 Duro

8-1, 90 Duro, .644" ID x .087" Thk

1шт.

4

100303C1

HYD TUBE,322.6 mm Length

TUBE - hose to cylinder rod end

2шт.

5

218-735

UNION,3/4"-16, 37 Degree x 3/4"-16, 37 Degree

CONNECTOR - straight, 3/4-16 inch flare

2шт.

8

90877C1

HYDRAULIC HOSE

HOSE ASSEMBLY - 60 inches long (8 row wide)

2шт.

8

90874C1

HYDRAULIC HOSE

HOSE ASSEMBLY - 55 inches long (12 row narrow)

2шт.

9

218-840

TEE,37 Degree, 3/4"-16 x 3/4"-16, Fem Sw Br

- 3/4-16 inch swivel straight thread branch x flare

3шт.

10

31-1228

HYDRAULIC HOSE

HOSE ASSEMBLY - 45 inches long (8 row wide)

2шт.

10

1301966C2

HYDRAULIC HOSE

HOSE ASSEMBLY - 70 inches long (12 row narrow)

2шт.

13

90874C1

HYDRAULIC HOSE

HOSE ASSEMBLY - 55 inches long (8 row wide)

1шт.

13

1301963C2

HYDRAULIC HOSE,12.7mm ID x 1270mm L

HOSE ASSEMBLY - 50 inches long (12 row narrow)

1шт.

14

90878C1

HYDRAULIC HOSE

HOSE ASSEMBLY - 39 inches long (8 row wide)

1шт.

14

168132C2

HYDRAULIC HOSE,12.70 mm ID x 1650.00 mm

Assy (12 row narrow) 12.70 mm ID x 1650.00 mm

1шт.

15

119984C1

BAR

PLATE - bulkhead, hydraulic hose

1шт.

16

218-674

FITTING,Blkhd, 3/4"-16, 37 Degree x 3/4"-16, 37 Degree

ADAPTER - straight, 3/4-16 inch flare x bulkhead flare

3шт.

17

218-1255

BHD LOCK NUT,Blkhd, 3/4"-16

NUT, LOCK, Blkhd, 3/4"-16

3шт.

18

90877C1

HYDRAULIC HOSE

HOSE ASSEMBLY - 60 inches long

2шт.

20

91165C1

RESTRICTOR

ASSEMBLY - 3/4-16 flared x 3/4-16 inch O-ring boss

2шт.

21

237-6008

O-RING,0.087" Thk x 0.644" ID, -908, Cl 6, 90 Duro

8-1, 90 Duro, .644" ID x .087" Thk

1шт.

Выбрано товаров: 20