Запчасти Case IH 950 (8-42) - BLOWER HYDRAULIC PUMP, 54O RPM PTO, 6 AND 8 ROW (08) - HYDRAULICS

Схема запчастей Case IH 950 - (8-42) - BLOWER HYDRAULIC PUMP, 54O RPM PTO, 6 AND 8 ROW (08) - HYDRAULICS
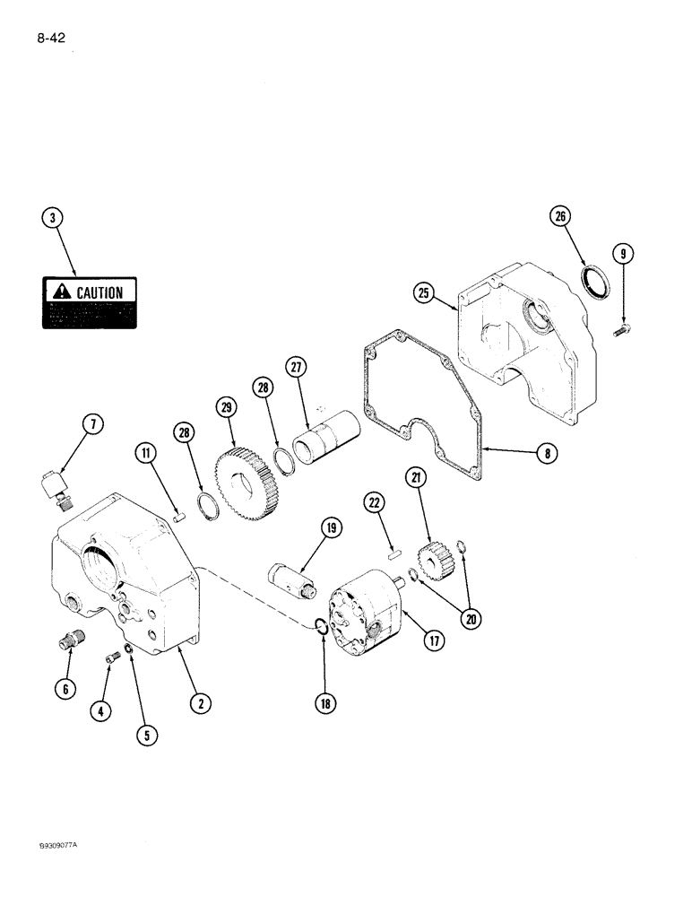
21
20
27
7
25
11
29
28
5
3
19
28
6
2
26
8
18
9
17
22
4
FIT
1:1
100%

Артикул

Название

Примечание

Количество

149367C91

PUMP

ASSEMBLY - hydraulic, with decal

1шт.

2

149374C91

HOUSING

ASSEMBLY - front, with decal

1шт.

3

145167C1

DECAL

- caution, PTO shield (See Page 9F-13)

1шт.

4

217911

SCREW

BOLT - hex socket, 3/8 NC x 7/8 inch

4шт.

5

125003H1

DISC

WASHER - sealing

4шт.

6

218-456

HYD CONNECTOR,3/4" - 16 Male JIC x 1/2" - 14 Male NPTF

CONNECTOR - straight, 3/4-16 flared x 1/2 inch PT

1шт.

7

64666C2

BREATHER

- pump

1шт.

8

64660C2

GASKET

GASKET - housing

1шт.

9

27569R1

SELF-TAP SCREW,Hex Washer, 5/16" - 18 x 1"

BOLT - hex washer head, 5/16 NC x 1 inch

6шт.

11

NSS

NOT SOLD SEPARAT

PIN - dowel, 3/8 x 3/4 inch

1шт.

1282190C1

PIN

- hollow dowel, 3/8 x 39/64 inch

2шт.

188472C1

FLANGE NUT,Flg, 1/4"-20

NUT - hex flange lock, 1/4 inch NC

2шт.

17

64661C1

HYDRAULIC PUMP

PUMP - hydraulic

1шт.

18

350818R1

O-RING,0.984" ID x 0.139" Width

- 1 ID x 1/8 inch

1шт.

19

64665C1

VALVE

- relief

1шт.

20

269181R1

SNAP RING,#75, Ext

Ring, Snap, #75, Ext

2шт.

21

64662C1

GEAR

- driven, 22 tooth

1шт.

22

Q53

KEY,1/4" Sq x 1", Par

1шт.

25

64658C91

HOUSING

ASSEMBLY - front

1шт.

26

D56800

SEAL

- oil

1шт.

27

64664C1

SPLINED COUPLING

- pump

1шт.

28

D23191

SNAP RING,#200, Ext

Ring, Snap, #200, Ext

2шт.

29

64663C1

GEAR

- drive, 48 tooth

1шт.

413-420

BOLT,Hex, 1/4" - 20 x 1-1/4", Gr 5

2шт.

Выбрано товаров: 24