Запчасти Case IH 950 (9A-06) - MAIN FRAME AND WING FRAMES, 12 ROW NARROW, VERTICAL FOLD (09) - CHASSIS/ATTACHMENTS

Схема запчастей Case IH 950 - (9A-06) - MAIN FRAME AND WING FRAMES, 12 ROW NARROW, VERTICAL FOLD (09) - CHASSIS/ATTACHMENTS
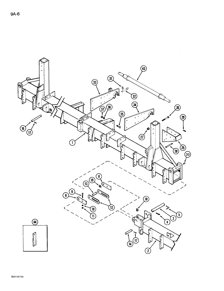
29
28
19
18
33
4
17
35
31
17
8
13
20
12
10
2
44
27
25
26
37
8
3
34
43
5
11
14
36
1
9
32
16
FIT
1:1
100%

Артикул

Название

Примечание

Количество

1

1546998C1

FRAME

ASSEMBLY - main, with decal

1шт.

1254170C1

DECAL

- caution, no riders (See Page 9F-11)

1шт.

2

1279711C1

ASSEMBLY

FRAME - wing, left-hand

1шт.

2

1279712C1

ASSEMBLY

FRAME - wing, right-hand (Shown)

1шт.

3

100326C1

PIN

- 1-1/2 x 11-7/8 inch

2шт.

4

32-3232

COTTER PIN,1/2" x 2"

PIN - cotter, 1/2 x 2 inch

2шт.

5

491601R3

PIN

- pivot lock

2шт.

8

113473C2

SUPPORT

LATCH - hinge

4шт.

9

326-444

BOLT,Hex, 1/4" - 20 x 2-3/4", Gr 8

- hex, 1/4 NC x 2-3/4 inch, grade 8

4шт.

10

492-11025

LOCK WASHER,1/4"

WASHER, LOCK, 1/4"

4шт.

11

425-104

NUT,1/4"-20, Cl 5

- hex, 1/4 inch NC

4шт.

12

113307C1

LINK

- attaching, cylinder

4шт.

13

100324C2

PIN

- 1 x 3-1/2 inch

2шт.

14

100323C1

PIN

- 1 x 5-7/8 inch

2шт.

16

100358C1

PIN

- 1 x 8-9/16 inch

2шт.

17

432-1624

COTTER PIN,1/4" x 1 1/2"

Pin, Split (Cotter), 1/4" x 1-1/2"

8шт.

18

609053R1

SNAP RING,#125, Ext

Ring, Snap, #125, Ext

4шт.

19

495-81205

WASHER,32.54mm ID x 50.8mm OD x 1.7mm Thk

- flat, 1-9/32 x 2 x 3/64 inch

4шт.

19

608700R1

WASHER

- flat, 1-9/32 x 2 x 3/64 inch

4шт.

20

25391R1

FITTING

- grease, 1/4 inch

2шт.

25

145136C1

STOP

- wing (Shown)

2шт.

25

1254599C1

STOP

- wing (With granular chemical attachment)

2шт.

26

413-1088

BOLT,Hex, 5/8" - 11 x 5-1/2", Gr 5

- hex, 5/8 NC x 5-1/2 inch

4шт.

27

231-51410

FLANGE NUT,Flg, USR, 5/8"-11

4шт.

28

149571C2

PIN

- headed, 5/8 inch diameter

2шт.

29

486830R1

COTTER PIN

PIN - cotter, hair, 3/16 inch diameter

2шт.

31

141292C1

PIN

- hitch, 3/4 inch diameter

2шт.

32

A33497

LINCH PIN,4.76mm OD Pin

PIN - snap lock, 1/4 inch diameter

2шт.

33

1264336C1

PLATE

- hitch, left-hand

1шт.

34

1264337C1

PLATE

- hitch, right-hand

1шт.

35

426-1240

BOLT,Hex, 3/4" - 10 x 2-1/2", Gr 8

- hex, 3/4 NC x 2-1/2 inch, grade 8

8шт.

36

492-11075

LOCK WASHER,3/4"

3/4"

8шт.

37

429-1012

NUT,3/4"-10, G8

- hex, 3/4 inch NC, grade 8

8шт.

43

137083C1

SPINDLE

BAR - spreader, Category III (Shown)(See Page 9A-9)

1шт.

44

1345352C1

PACKAGE

KIT - bracket service

1шт.

NSS

NOT SOLD SEPARAT

PLATE - unit attaching

2шт.

Выбрано товаров: 36