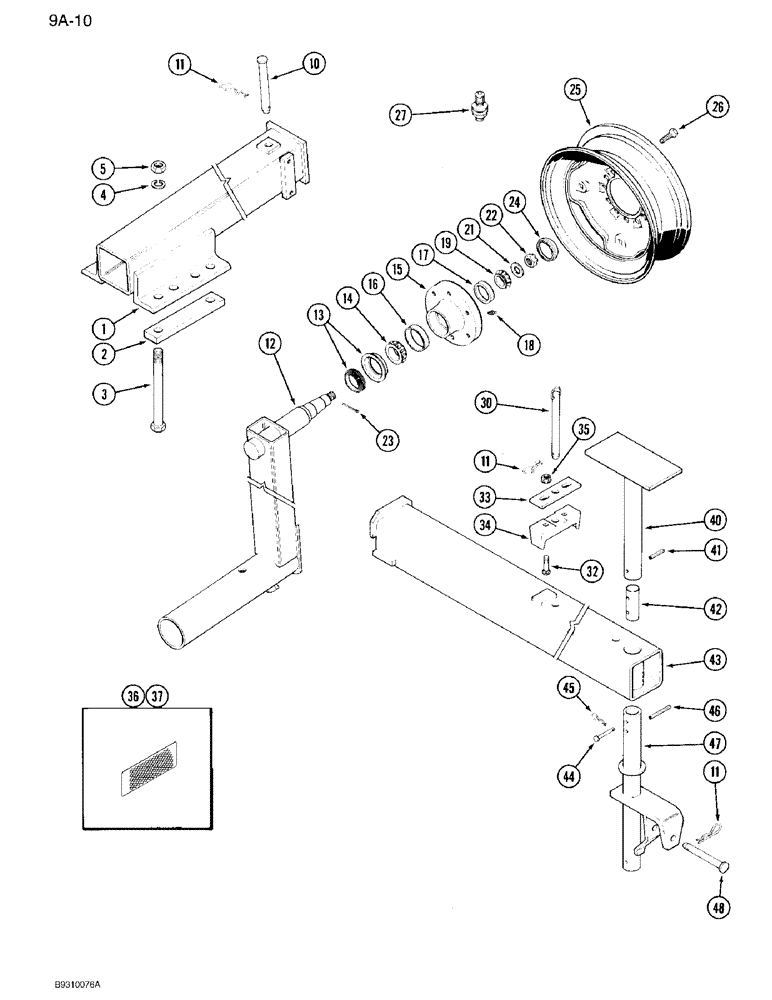
Запчасти Case IH 950 (9A-10) - ENDWISE TRANSPORT ATTACHMENT, 6 ROW WIDE AND 8 ROW NARROW (09) - CHASSIS/ATTACHMENTS

Схема запчастей Case IH 950 - (9A-10) - ENDWISE TRANSPORT ATTACHMENT, 6 ROW WIDE AND 8 ROW NARROW (09) - CHASSIS/ATTACHMENTS
5
11
14
43
25
24
26
47
13
15
11
16
12
17
35
44
10
30
19
32
4
18
33
3
34
21
11
23
41
46
2
22
45
1
42
40
27
FIT
1:1
100%

Артикул

Название

Примечание

Количество

1

1264091C3

TUBE,850, 221 mm Length

- transport

1шт.

2

1264004C3

SUPPORT

BAR - support strap

2шт.

3

326-16160

BOLT,Hex, 1" - 8 x 10", Gr 8

- hex, 1 NC x 10 inch, grade 8

4шт.

4

492-11100

LOCK WASHER,1"

1"

4шт.

5

329-1016

NUT,1"-8, G8

4шт.

10

541769R1

PIN

- headed, 7/8 x 6-3/4 inch

1шт.

11

486830R1

COTTER PIN

PIN - cotter, hair, 3/16 inch

3шт.

12

145023C4

AXLE HOUSING

AXLE ASSEMBLY - wheel

1шт.

13

606556R91

OIL SEAL

SEAL - oil with sleeve

1шт.

14

663557R91

BEARING ASSY,1.625" ID x 2.892" OD x 0.77"

CONE - bearing, inner

1шт.

15

606468R21

HUB

ASSEMBLY - wheel

1шт.

16

663558R1

BEARING CUP

CUP - bearing, inner

1шт.

17

651817R1

BEARING CUP

CUP - bearing, outer

1шт.

18

219-87

LUBE NIPPLE,1/4" - 28 NPTF

NIPPLE, LUBE, 1/4"-28 x .56" lg, Self-Tap

1шт.

19

651818R91

ROLLER BEARING,31.77 mm ID x 16.08 mm

CONE - bearing, outer

1шт.

21

469873R1

WASHER,23.01mm ID x 44.45mm OD x 3.05mm Thk

- flat, hardened

1шт.

22

70120D

SLOTTED NUT,7/8"-14

NUT - hex slotted, 7/8 inch NF

1шт.

23

432-828

COTTER PIN,1/8" x 1 3/4"

PIN, SPLIT (COTTER), 1/8" x 1 3/4"

1шт.

24

663906R1

CAP

- hub

1шт.

25

481344R91

WHEEL

- 14 inch (For 9.5L x 14 tire)

1шт.

26

549962R1

BOLT,1 1/2" - 20 x 1 1/2", Class 3

- wheel

6шт.

27

810768C1

VALVE

- steel

1шт.

30

147460C1

PIN,19.05mm OD x 254.26mm L

- hitch, 3/4 inch

1шт.

32

433-828

CARRIAGE BOLT,Sq Nk, 1/2" - 13 x 1 3/4", Gr 5

BOLT - carriage, 1/2 NC x 1-3/4 inch

2шт.

33

149431C2

BAR

SPACER - stop block

1шт.

34

1250714C1

BLOCK

- stop

1шт.

35

487374R1

BEARING LOCK NUT,Flg, USR, 1/2"-13

- hex flange lock, 1/2 inch NC

2шт.

36

1284374C1

REFLECTOR,Reflector Red

- red

2шт.

37

1284365C2

REFLECTOR

- amber

1шт.

40

149405C1

STAND

- parking

1шт.

41

38-32432

PIN,3/8" x 2", Coiled

1шт.

42

149407C1

ROD

- support stand

1шт.

43

141414C3

TUBE,153 mm Length

- transport hitch

1шт.

44

22775R1

PIN

- headed, 3/8 x 2-1/2 inch

1шт.

45

586591R1

COTTER PIN

PIN - cotter, hair, 1/8 inch

1шт.

46

19356R1

PIN,3/8" x 3", Coiled

1шт.

47

149408C2

PIVOT

ASSEMBLY - clevis

1шт.

48

542319R1

PIN

- headed 3/4 x 6 inch

1шт.

Выбрано товаров: 38