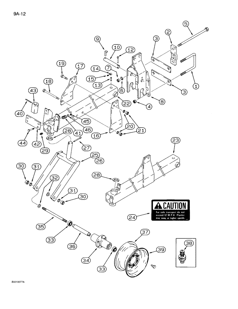
Запчасти Case IH 950 (9A-12) - ASSIST WHEELS, 6 ROW AND 8 ROW (09) - CHASSIS/ATTACHMENTS

Схема запчастей Case IH 950 - (9A-12) - ASSIST WHEELS, 6 ROW AND 8 ROW (09) - CHASSIS/ATTACHMENTS
7
9
36
14
3
34
15
33
28
21
27
6
23
3
20
22
12
37
33
16
8
46
5
32
25
30
35
28
24
45
17
31
2
44
40
31
13
30
42
19
39
29
38
41
18
4
1
10
26
43
FIT
1:1
100%

Артикул

Название

Примечание

Количество

1

58152C2

U-BOLT,U, 1" - 8 x 231mm

- 1 inch NC (See Note A)

1шт.

2

125515C1

SUPPORT

- tool bar (See Note B)

2шт.

3

125706C1

BAR

- filler (See Note B)

4шт.

4

429-1016

NUT,1"-8, G8

- hex, 1 inch NC, grade 8 (See Note A)

1шт.

5

413-16160

BOLT,Hex, 1" - 8 x 10", Gr 5

- hex, 1 NC x 10 inch (See Note B)

1шт.

6

492-11100

LOCK WASHER,1"

(See Note B) 1"

4шт.

7

429-1016

NUT,1"-8, G8

- hex, 1 inch NC, grade 8 (See Note B)

4шт.

8

149556C2

BRACKET

ASSEMBLY - assist wheel pivot (See Note A)

2шт.

9

491601R3

PIN

- pivot lock

2шт.

10

100054C2

PIN,38.1mm OD x 251mm L

- tube assembly

2шт.

12

432-3232

COTTER PIN,1/2" x 2"

Pin, Split (Cotter), 1/2" x 2"

2шт.

13

221-109

PIPE,Nipple, 1/8" NPT x 2"

NIPPLE - pipe, 1/8 PT x 2 inch

2шт.

14

105412

ELBOW,90 Degree, 1/8" NPT

- pipe, 90 degree, 1/8 PT

2шт.

15

219-1

LUBE NIPPLE,1/8" - 27 NPTF

FITTING - grease, 1/8 inch PT short

2шт.

16

149558C2

SUPPORT

- cylinder anchor, right-hand (See Note B)

2шт.

17

149557C2

SUPPORT

- cylinder anchor, left-hand (See Note B)

2шт.

18

426-12112

BOLT,Hex, 3/4" - 10 x 7", Gr 8

- hex, 3/4 NC x 7 inch, grade 8 (See Note B)

4шт.

19

413-1232

BOLT,Hex, 3/4" - 10 x 2", Gr 5

- hex, 3/4 NC x 2 inch (See Note B)

2шт.

20

492-11075

LOCK WASHER,3/4"

(See Note B) 3/4"

6шт.

21

425-1012

NUT,3/4"-10, G5

(See Note B) 3/4"-10, G5

6шт.

22

1267964C94

TUBE,134 mm Length

ASSEMBLY - assist wheel (Includes Ref 24)(See Note B)

2шт.

23

1277622C92

TUBE

ASSEMBLY - assist wheel (8 row narrow and 6 row)

2шт.

24

1264465C1

PRODUCT GRAPHIC

DECAL - caution, safe transport speed (See Page 9F-13)

1шт.

25

125563C2

ARM ASSY.

ARM - assist wheel, (8 row narrow and 6 row)

2шт.

26

137873A1

ARM ASSY.

ARM - assist wheel, (See Note B), not shown

2шт.

27

432-2440

COTTER PIN,3/8" x 2 1/2"

Pin, Split (Cotter), (8 row narrow and 6 row) 3/8" x 2 1/2"

2шт.

28

462997R2

WASHER

- wear

2-4шт.

29

219-406

LUBE NIPPLE,3/16" NPTF

FITTING - grease, straight drive

2шт.

30

425-1016

NUT,1"-8, G5

- hex, 1 inch NC

4шт.

31

492-11100

LOCK WASHER,1"

1"

4шт.

32

495-81069

WASHER,1-1/32" ID x 1-1/2" OD x 3/50" Thk

- flat, 1-1/32 x 1-1/2 x 1/16 inch

4шт.

33

1973497C1

BALL BEARING,30mm ID x 62mm OD x 24mm W

BEARING ASSEMBLY - ball

4шт.

34

541757R1

HUB

- wheel

2шт.

35

541759R3

ROD

- axle

2шт.

36

541758R1

TUBE

SPACER - axle rod

2шт.

37

481344R91

WHEEL

- 14 x 8 KB (For 9.5L x 14 high flotation tire)

2шт.

38

810768C1

VALVE

- wheel, steel

2шт.

39

549962R1

BOLT,1 1/2" - 20 x 1 1/2", Class 3

- hex conical, 1/2 NF x 1-1/2 inch

12шт.

40

438-32448

PIN,3/8" x 3", Coiled

(See Note B) 3/8" x 3", Coiled

2шт.

41

137969A1

SPRING

- assist wheel detent (See Note B)

8шт.

42

137881A1

BAR

- cam follower (See Note B)

2шт.

43

137880A1

CAM

- snubber (See Note B)

2шт.

44

413-1072

BOLT,Hex, 5/8" - 11 x 4-1/2", Gr 5

(See Note B) Hex, 5/8"-11 x 4 1/2", G5

8шт.

45

231-41410

NUT,5/8"-11, GB

NUT - hex, 5/8 NC, grade 8 (See Note B)

8шт.

46

496-41066

WASHER,5/8" ID x 1-1/2" OD x 3/16" Thk

(See Note B) 21/32" x 1 1/2" x .188", HDN

8шт.

Выбрано товаров: 45