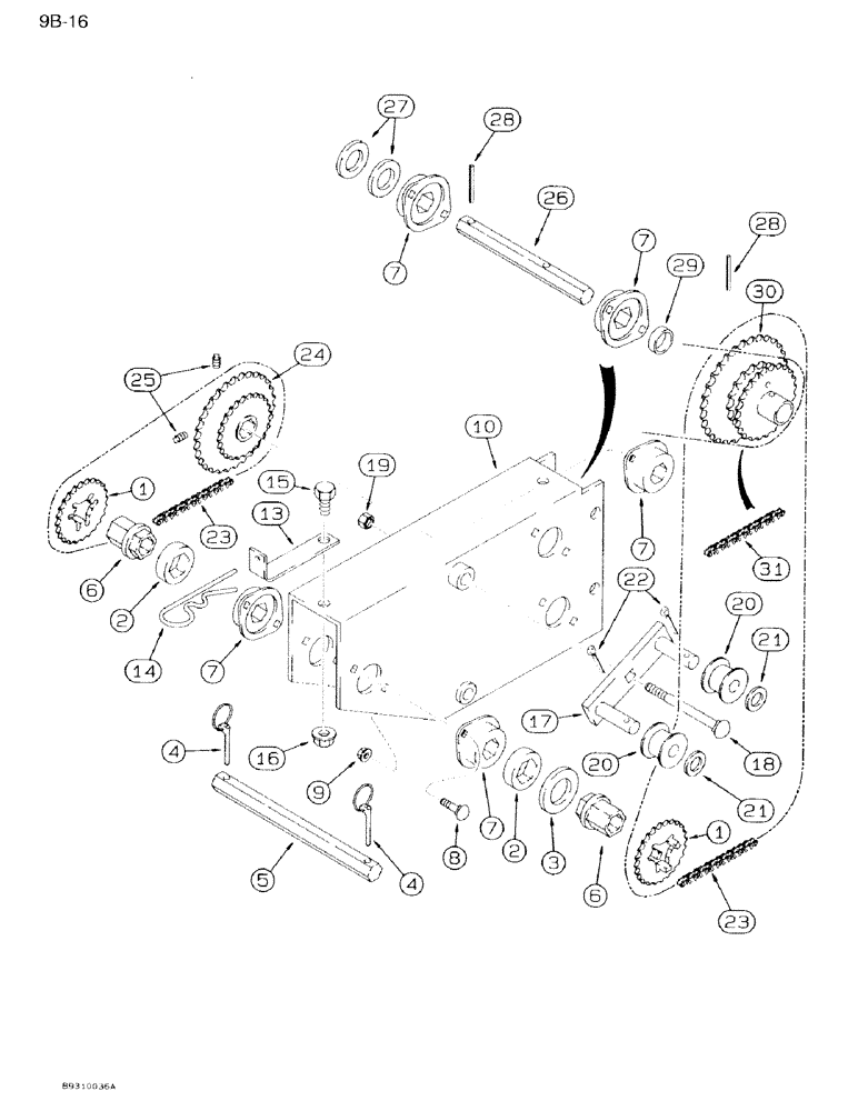
Запчасти Case IH 950 (9B-16) - SEED DRIVE SPEED CHANGE ASSEMBLY, 12, 16, AND 24 ROW NARROW, FRONT FOLD (09) - CHASSIS/ATTACHMENTS

Схема запчастей Case IH 950 - (9B-16) - SEED DRIVE SPEED CHANGE ASSEMBLY, 12, 16, AND 24 ROW NARROW, FRONT FOLD (09) - CHASSIS/ATTACHMENTS
28
22
13
6
26
7
1
27
16
4
14
7
28
25
18
3
19
7
10
4
6
17
21
23
1
7
7
5
23
20
15
20
2
8
31
2
21
24
30
29
9
FIT
1:1
100%

Артикул

Название

Примечание

Количество

1

90897C1

DRIVE SPROCKET

SPROCKET - 20 tooth

1шт.

1

90898C1

DRIVE SPROCKET

SPROCKET - 22 tooth

1шт.

1

90899C1

DRIVE SPROCKET

SPROCKET - 24 tooth

1шт.

1

90900C1

DRIVE SPROCKET

SPROCKET - 28 tooth

1шт.

1

90901C1

DRIVE SPROCKET

SPROCKET - 30 tooth

1шт.

1

90902C1

DRIVE SPROCKET

SPROCKET - 32 tooth

1шт.

1

90903C1

DRIVE SPROCKET

SPROCKET - 34 tooth

1шт.

2

140932C1

SPACER

- sprocket

2шт.

3

495-81074

WASHER,1 1/32" x 1 3/4" x .120"

- flat, 1-1/32 x 1-3/4 x 7/64"

2шт.

4

A30338

PIN

- snap lock, 1/4 inch diameter

2шт.

5

134142C1

BAR

- secondary drive

1шт.

6

140931C1

HUB

- sprocket

2шт.

7

134158C91

FLANGED BEARING

- ball, sealed, hex, 7/8 inch

5шт.

8

412-512

CARRIAGE BOLT,Short Sq Nk, 5/16" - 18 x 3/4", Gr 2

BOLT - carriage, 5/16 NC x 3/4 inch, grade 2

10шт.

9

231-5145

SERRATED NUT,Flg, USR, 5/16"-18

NUT - hex flange lock, 5/16 inch NC

10шт.

10

115109A1

TRANSMISSION

SUPPORT - speed change

1шт.

13

141781C1

BRACKET

- sprocket storage

1шт.

14

591107R1

COTTER PIN

- hair

1шт.

15

413-816

BOLT,Hex, 1/2" - 13 x 1", Gr 5

5шт.

16

231-5148

FLANGE NUT,Flg, USR, 1/2"-13

5шт.

17

96032C1

BAR ASSY.

BAR - speed change idler

2шт.

18

433-888

CARRIAGE BOLT,Sq Nk, 1/2" - 13 x 5 1/2", Gr 5

BOLT - carriage, 1/2 NC x 5-1/2 inch

2шт.

19

425-108

NUT,1/2" - 13, Gr 5

NUT, , Hex 1/2"-13, G5

2шт.

20

1277726C1

ROLLER,48mm OD x 34mm L

- idler

4шт.

21

495-81178

WASHER,21/32" x 1 1/8" x .048"

- flat, 21/32 x 1-1/8 x 3/64 inch

4шт.

22

432-1216

COTTER PIN,3/16" x 1"

4шт.

23

116272A1

CHAIN (AG)

CHAIN ASSEMBLY - speed change, not available for service, use 85 links from bulk chain 1790D and one connecting link 241-1314, see below

2шт.

24

90907C1

DRIVE SPROCKET

SPROCKET - primary input

1шт.

25

485-15012

SET SCREW,Sq Hd, 1/2"-13 x 3/4"

SCREW - set, square, cup point, 1/2 NC x 3/4 inch

2шт.

26

116269A1

SHAFT

- 7/8 inch hex, speed change idler

1шт.

27

495-81069

WASHER,1-1/32" ID x 1-1/2" OD x 3/50" Thk

- flat, 1-1/32 x 1-1/2 x 1/16 inch

2шт.

28

438-32024

PIN,5/16" x 1 1/2", Coiled

2шт.

29

1277812C1

SPACER

- bearing and triple sprocket

1шт.

30

116271A2

SPROCKET ASSY.

SPROCKET - triple, 24T, 20T and 34T

1шт.

31

116273A2

CHAIN (AG)

CHAIN ASSEMBLY - speed change assembly to module gearbox, not available for service, use 97 links from bulk chain 1790D, one connecting link 241-1314, and two offset links 241-1714, see below

2шт.

1790D

CHAIN (AG)

CHAIN - 10 foot roll, use to make items 23 and 31

1шт.

241-1314

CHAIN LINK

LINK - connecting, No. 40, use to make items 23 and 31

1шт.

241-1714

CHAIN LINK

LINK - offset, No. 40, use to make item 31

1шт.

Выбрано товаров: 38