Запчасти Case IH 950 (9B-34) - DRY FERTILIZER DRIVE, UPPER DRIVE AND SUPPORTS, 8 ROW WIDE AND 12 ROW NARROW, VERTICAL FOLD (09) - CHASSIS/ATTACHMENTS

Схема запчастей Case IH 950 - (9B-34) - DRY FERTILIZER DRIVE, UPPER DRIVE AND SUPPORTS, 8 ROW WIDE AND 12 ROW NARROW, VERTICAL FOLD (09) - CHASSIS/ATTACHMENTS
11
20
2
31
16
34
11
22
29
41
23
24
23
25
19
17
42
36
32
10
17
5
8
1
7
10
30
23
17
14
15
35
15
28
24
6
24
9
40
14
33
12
3
9
7
5
26
13
41
38
19
21
37
22
19
14
6
14
27
14
39
18
4
8
FIT
1:1
100%

Артикул

Название

Примечание

Количество

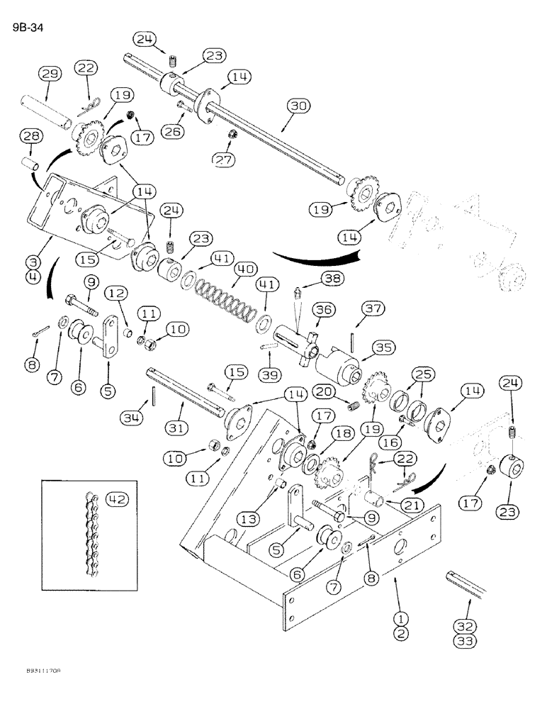
1

135395A1

BRACKET

SUPPORT - bearing and auger, wing, right-hand

1шт.

135395A1 - support - bearing and auger - wing, right hand.

1шт.

2

135394A1

BRACKET

SUPPORT - bearing and auger, wing, left-hand (Not shown)

1шт.

135394A1 - support - bearing and auger - wing, left hand ( not shown ).

1шт.

3

135388A1

BRACKET

SUPPORT - bearing and auger, center, right-hand

1шт.

135388A1 - support - bearing and auger - center right hand.

1шт.

4

135387A1

BRACKET

SUPPORT - bearing and auger, center, left-hand (Not shown)

1шт.

135387A1 - support - bearing and auger - center, left hand ( not shown ).

1шт.

5

113509A1

FRONT IDLER

IDLER - chain, auger drive

4шт.

6

1277726C1

ROLLER,48mm OD x 34mm L

- idler

4шт.

7

495-81178

WASHER,21/32" x 1 1/8" x .048"

- flat, 21/32 x 1-1/8 x 3/64 inch

4шт.

8

432-1224

COTTER PIN,3/16" x 1-1/2"

3/16" x 1 1/2"

4шт.

9

413-864

BOLT,Hex, 1/2" - 13 x 4", Gr 5

- hex, 1/2 NC x 4 inch

4шт.

10

425-108

NUT,1/2" - 13, Gr 5

NUT, , Hex 1/2"-13, G5

4шт.

11

80679

LOCK WASHER,1/20.507 CST ZND

WASHER, LOCK, 1/2"

4шт.

12

M42296

SPACER,1/2" X-Strng Pipe x 1/2"

- 1/2 x 7/16 inch

2шт.

13

25847D

SPACER,1/2" X-Strng Pipe x 11/16"

- 1/2 X 11/16 inch

3шт.

14

134158C91

FLANGED BEARING

- ball, 7/8 inch hex bore

18шт.

15

433-544

CARRIAGE BOLT,Sq Nk, 5/16" - 18 x 2 3/4", Gr 5

BOLT - carriage, 5/16 NC x 2-3/4 inch

16шт.

16

412-516

CARRIAGE BOLT,Short Sq Nk, 5/16" - 18 x 1", Gr 2

BOLT - carriage, 5/16 NC x 1 inch, grade 2

12шт.

17

231-5145

SERRATED NUT,Flg, USR, 5/16"-18

NUT - hex serrated flange, 5/16 inch NC

28шт.

18

495-81070

WASHER,1 1/32" x 1 1/2" x .120"

- flat, 1-1/32 x 1-1/2 x 3/32 inch

8шт.

19

110997A1

SPROCKET ASSY.

SPROCKET - auger drive, 18 tooth

8шт.

20

483-15012

SET SCREW,Hex Soc, 1/2"-13 x 3/4"

SCREW - set, square head, 1/2 NC x 3/4 inch

16шт.

21

141771C2

COUPLING,27.05mm ID x 33.4mm OD x 36mm L

- auger, short

2шт.

22

520177R1

PIN

- hair, 3/16 inch

8шт.

23

141572C2

COLLAR

HUB - sprocket

6шт.

24

483-15012

SET SCREW,Hex Soc, 1/2"-13 x 3/4"

SCREW - set, square head, 1/2 NC x 3/4 inch

12шт.

25

1277812C2

SPACER

- sprocket

4шт.

26

413-548

BOLT,Hex, 5/16" - 18 x 3", Gr 5

- hex, 5/16 x 3 inch NC

4шт.

27

231-5145

SERRATED NUT,Flg, USR, 5/16"-18

NUT - hex serrated flange, 5/16 inch NC

4шт.

28

493933R1

SPACER,5/8" Tube x 1 7/16"

- tube, 5/8 x 1-7/16 inch

6шт.

29

135386A1

COUPLING

- auger, long

2шт.

30

135383A1

BAR

SHAFT - fertilizer drive, center, 39-15/16 inch long (8 row wide and 12 row narrow)

2шт.

31

117084A2

BAR

JACKSHAFT - drive, fertilizer auger, 7 inch long

4шт.

32

135381A1

BAR

SHAFT - fertilizer drive, wing, 71-1/4 inch long (12 row narrow)

2шт.

33

135382A1

BAR

SHAFT - fertilizer drive, wing, 56-11/16 inch long (8 row wide)

2шт.

34

438-32024

PIN,5/16" x 1 1/2", Coiled

8шт.

35

102601A2

SOCKET

CONNECTOR - wing driver socket

2шт.

36

102602A2

BLOCK DRIVER

COUPLING - wing drive

2шт.

37

438-31624

PIN,6.35mm OD x 38.1mm L, Coiled

(2 used with 8 row wide; 4 used with 12 row narrow) 1/4" x 1 1/2", Coiled

2-4шт.

38

219-8

LUBE NIPPLE,1/4" - 28 NPTF

NIPPLE, LUBE, , straight, taper 1/4"-28 NPT x .54" lg

2шт.

39

438-31628

PIN,1/4" x 1 3/4", Coiled

4шт.

40

1264302C1

SPRING

- wing driver

2шт.

41

495-81074

WASHER,1 1/32" x 1 3/4" x .120"

- flat, 1-1/32 x 1-3/4 x 7/64"

4шт.

42

135385A1

CHAIN (AG)

CHAIN - fertilizer auger drive, not available for service (Use 27 links from 569088R91 bulk chain 10 foot long and 1 connecting link 242-138)

4шт.

Выбрано товаров: 0