Запчасти Case IH 950 (9B-42) - GRANULAR CHEMICAL DRIVE, ALL RIGID, VERTICAL FOLD, AND FRONT FOLD PLANTERS (09) - CHASSIS/ATTACHMENTS

Схема запчастей Case IH 950 - (9B-42) - GRANULAR CHEMICAL DRIVE, ALL RIGID, VERTICAL FOLD, AND FRONT FOLD PLANTERS (09) - CHASSIS/ATTACHMENTS
4
10
11
7
25
38
9
17
3
21
3
36
44
23
30
4
16
13
45
40
39
29
42
19
1
24
19
20
8
6
41
21
11
22
37
5
11
18
12
43
30
2
42
FIT
1:1
100%

Артикул

Название

Примечание

Количество

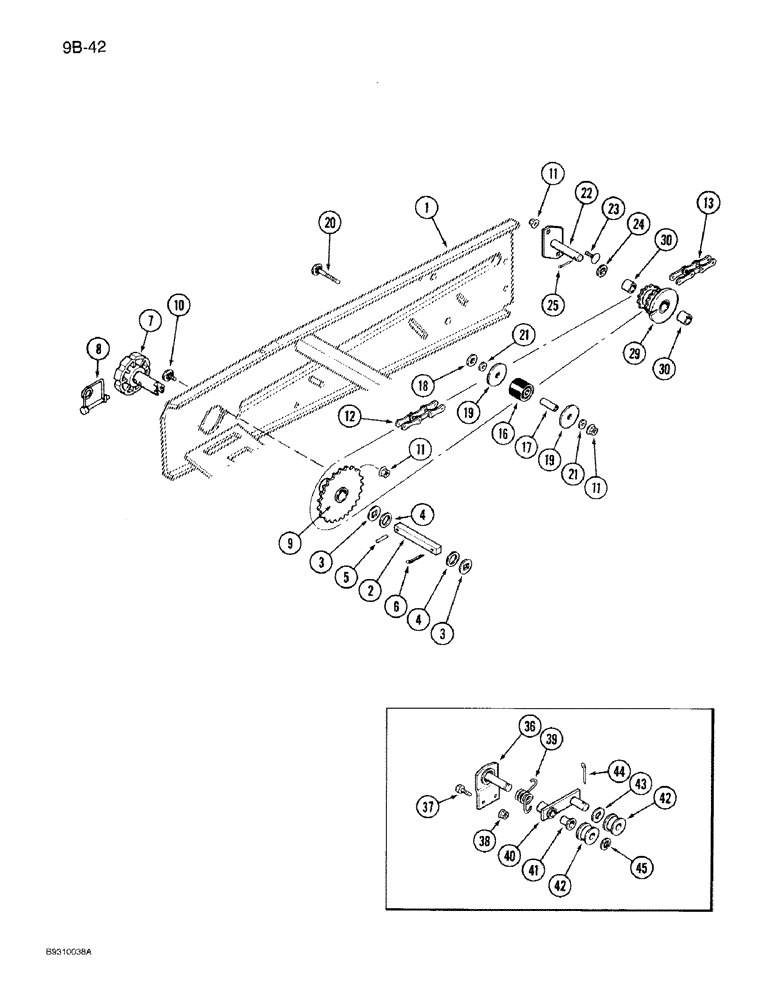
1

1264327C5

FRAME ASSY

FRAME - hopper support (See Page 9F-73)

1шт.

2

134254C1

BAR

- drive

1шт.

3

134253C1

SQ HOLE WASHER

- square hole flat, 19/32 x 1-1/4 x 1/16 inch

2шт.

4

95-81049

WASHER,57/64" x 1 1/4" x .036"

- flat, 57/64 x 1-1/4 x 1/32 inch

1шт.

5

438-11016

LOCK PIN,5/32" x 1", Slotted

Pin, 5/32" x 1", Slotted

1шт.

6

432-816

COTTER PIN,1/8" x 1"

1/8" x 1"

1шт.

7

1264422C92

BUTTON

KNOB ASSEMBLY - drive, order (1) 140933C2 and (1) 145153C2

1шт.

8

140933C2

PIN

- quick release

1шт.

9

136947C91

SPROCKET ASSY.

SPROCKET - drive, 30 tooth

1шт.

10

412-510

CARRIAGE BOLT,Short Sq Nk, 5/16" - 18 x 5/8", Gr 2

BOLT - carriage, 5/16 NC x 5/8 inch, grade 2

2шт.

11

231-5145

SERRATED NUT,Flg, USR, 5/16"-18

NUT - hex serrated flange, 5/16 inch NC

5шт.

12

137135C91

CHAIN (AG)

CHAIN ASSEMBLY - drive, not available for service, use 161 links from bulk chain 475879R91 and 1 connecting link 241-2314, see below

1шт.

13

141668C91

CHAIN (AG)

CHAIN ASSEMBLY - drive, not available for service, use 61 links from bulk chain 475879R91 and 1 connecting link 241-2314, see below

1шт.

REF #13-DRIVE SPROCKET FOR THIS DRIVE CHAIN CAN BE FOUND ON PAGE 9D-2, REFERENCE # 20-PER ALLEN JANSSEN. 3/24/97 JBEDFORD

1шт.

16

57796C1

ROLLER

- chain tightener

1шт.

17

134288C1

SPACER

- roller

1шт.

18

495-11053

WASHER,1/2", SAE

(17/32" x 1-1/16" x 5/64") 1/2", SAE

1шт.

19

495-81166

WASHER,17/32" x 2" x .060"

Flat 17/32" x 2" x .060"

2шт.

20

411-536

CARRIAGE BOLT,Sq Nk, 5/16" - 18 x 2 1/4", Gr 2

BOLT - carriage, 5/16 NC x 2-1/4 inch, grade 2

1шт.

21

495-81112

WASHER,.344" x 3/4" x .120"

- flat, 11/32 x 3/4 x 7/64 inch

2шт.

22

140789C1

SHAFT

- drive

1шт.

23

434-512

CARRIAGE BOLT,Sht Sq Nk, 5/16" - 18 x 3/4", Gr 5

BOLT, CARRIAGE, Short NK, 5/16"-18 x 3/4", G5, Full Thd

2шт.

24

495-81176

WASHER,21/32" x 1" x .060"

- flat, 21/32 x 1 x 3/64 inch

1шт.

25

432-1216

COTTER PIN,3/16" x 1"

2шт.

29

1279285C91

SPROCKET ASSY.

SPROCKET ASSEMBLY - 12 tooth

1шт.

30

140904C1

BUSHING,15.88mm ID x mm OD x 19.05mm L

BUSHING - sprocket

2шт.

36

1277838C1

LEVER

ARM - tightener

1шт.

37

477-73816

SERRATED SCREW,Sl Truss Hd, 3/8" x 1"

- slotted truss head, 3/8 NC x 1 inch

2шт.

38

231-5146

FLANGE NUT,3/8"-16

2шт.

39

1277854C1

SPRING

- idler

1шт.

40

1277658C1

LEVER

IDLER - arm

1шт.

41

1277785C1

BUSHING,15.9mm ID x 17.45mm OD x 28.57mm L

- idler

1шт.

42

1277653C1

IDLER

ROLLER - idler

2шт.

43

95-81120

WASHER,0.66" ID x 1.25" OD x 0.06" Thk

- flat, 21/32 x 1-1/4 x 1/16 inch

2шт.

44

32-820

COTTER PIN,1/8" x 1 1/4"

Pin, Split (Cotter), 1/8" x 1 1/4"

1шт.

45

100-1662

SNAP RING,#62, Ext

Ring, Snap, #62, Ext

1шт.

475879R91

CHAIN (AG)

CHAIN - bulk, 10 foot roll, use to make items 12 and 13

1шт.

241-2314

CHAIN LINK

LINK - connecting, chain, use to make items 12 and 13

1шт.

Выбрано товаров: 0