Запчасти Case IH 950 (9E-10) - ROW MARKER INNER SECTION, 16 ROW NARROW, FRONT FOLD (09) - CHASSIS/ATTACHMENTS

Схема запчастей Case IH 950 - (9E-10) - ROW MARKER INNER SECTION, 16 ROW NARROW, FRONT FOLD (09) - CHASSIS/ATTACHMENTS
21
13
1
6
10
22
17
25
3
5
12
24
23
26
2
16
21
20
11
15
8
18
20
14
19
21
4
20
21
FIT
1:1
100%

Артикул

Название

Примечание

Количество

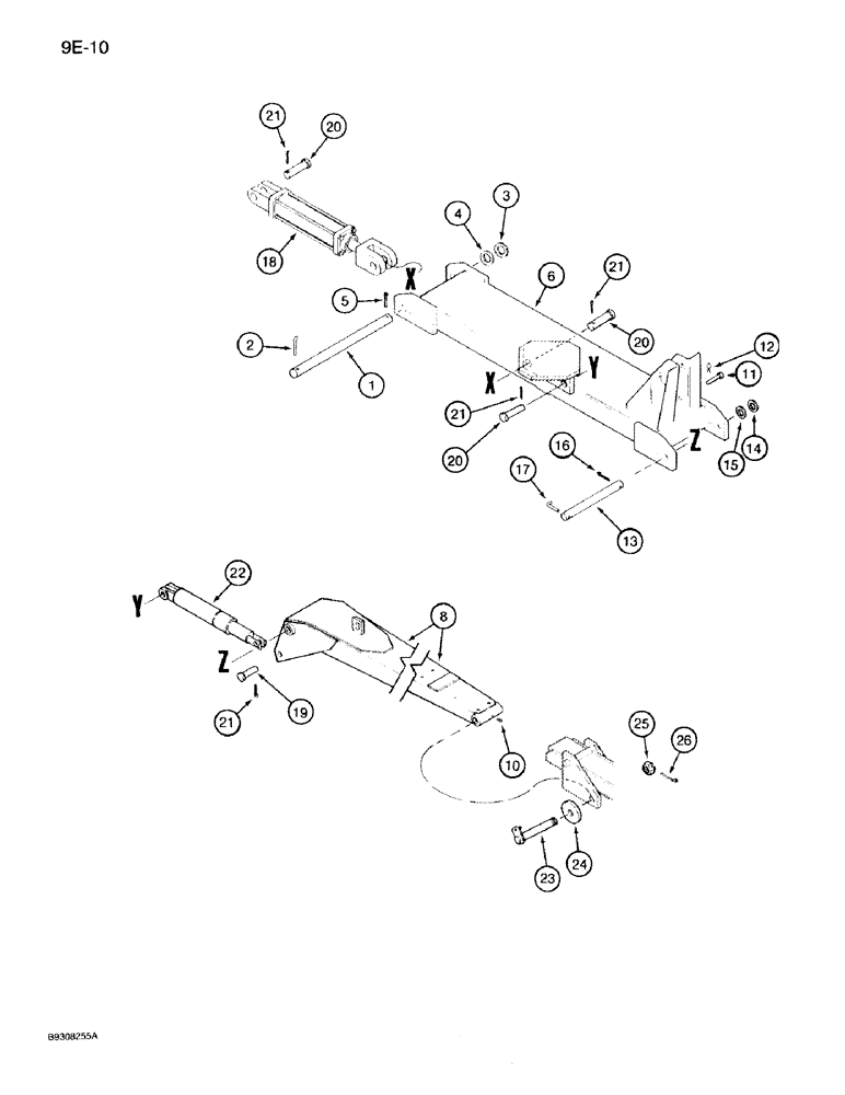
1

120464A1

PIN

- pivot, inner arm

2шт.

2

491601R2

PIN

- pivot lock, 1/2 inch diameter

2шт.

3

495-81222

WASHER,1 17/32" x 2 1/4" x .120"

- flat, 1-17/32 x 2-1/4 x 3/32 inch

2шт.

4

495-81223

WASHER,1 17/32" x 2 1/4" x .060"

- flat, 1-17/32 x 2-1/4 x 3/64 inch

2шт.

5

432-3236

COTTER PIN,1/2" x 2 1/4"

Pin, Split (Cotter), 1/2" x 2 1/4"

2шт.

6

120666A1

TUBE

- row marker

2шт.

7

1254154C1

DECAL,Warning Keep Away Markers Actuate

- caution, marker, not shown, see page 9F-85, item 8

1шт.

8

121037A1

ARM

- marker

2шт.

9

1254154C1

DECAL,Warning Keep Away Markers Actuate

- caution, marker, not shown, see page 9F-85, item 8

1шт.

10

219-8

LUBE NIPPLE,1/4" - 28 NPTF

NIPPLE, LUBE, , straight, taper 1/4"-28 NPT x .54" lg

4шт.

11

439-11044

HEADED PIN,5/8" x 2 3/4", G2

PIN - clevis, 5/8 x 2-3/4 inch

2шт.

12

486830R1

COTTER PIN

PIN - cotter, 3/16 inch

2шт.

13

1268127C1

PIN,31.7mm OD x 325mm L

- pivot, 1-1/4 x 12-13/16 inch

2шт.

14

495-81203

WASHER,1 9/32" x 2" x .120"

- flat, 1-9/32 x 2 x 7/64 inch

2шт.

15

495-81205

WASHER,32.54mm ID x 50.8mm OD x 1.7mm Thk

- flat, 1-9/32 x 2 x 3/64 inch

2шт.

16

432-2430

COTTER PIN,3/8" x 1 7/8"

Pin, Split (Cotter), 3/8" x 1 7/8"

2шт.

17

471323R1

LINCH PIN

PIN - pivot lock, 3/8 inch diameter

2шт.

18

1272402C91

CYLINDER,Double Acting, 31.7mm Rod, 203.2mm Stroke

ASSEMBLY - 2-1/2 ID x 8 inch stroke, marker, parts list page 8-75

2шт.

19

120620A1

PIN

- cylinder pivot

2шт.

20

61571C2

HEADED PIN,25.4mm OD x 82.5mm L

PIN - clevis, 1 x 3-1/4 inch

6шт.

21

432-1624

COTTER PIN,1/4" x 1 1/2"

Pin, Split (Cotter), 1/4" x 1-1/2"

8шт.

22

1345980C1

HYDRAULIC CYLINDER

CYLINDER ASSEMBLY - 2 ID x 8 inch stroke, marker, parts list page 8-73

2шт.

23

1268316C1

PIN

- lock

2шт.

24

1268322C1

WASHER

WASHER - spacer

4шт.

25

519250R1

SLOTTED NUT

- slotted hex, 1-1/4 inch NF

2шт.

26

432-836

COTTER PIN,1/8" x 2 1/4"

1/8" x 2 1/4"

2шт.

Выбрано товаров: 26